|
|
? |
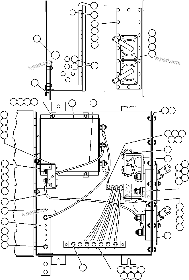
ED4418
|
BRACKET |
1 |
|
|
|
|
? |
TD1809
|
CAPSCREW - 1/4" - 20NC X 3/4" |
2 |
|
|
|
|
? |
DC3584
|
LOCKWASHER - 1/4" |
2 |
|
|
|
|
? |
TD1549
|
NUT - 1/4" - 20NC |
2 |
|
|
|
|
? |
PB6977
|
EQUALIZER, BATTERY |
1 |
|
|
|
|
? |
MM0342
|
MACHINE SCREW - M4 X .7 X 12 |
4 |
|
|
|
|
? |
MM0378
|
LOCKWASHER - M4 (EXTERNAL TOOTH) |
4 |
|
|
|
|
? |
VN9762
|
FLAT WASHER - #4 |
8 |
|
|
|
|
? |
MM0372
|
NUT - M4 |
4 |
|
|
|
|
? |
EF8484
|
PLATE, MOUNTING |
1 |
|
|
|
|
? |
EC0891
|
GASKET |
1 |
|
|
|
|
? |
TV3555
|
PLUG, BUTTON |
4 |
|
|
|
|
? |
EG0019
|
BAR, BUS |
1 |
|
|
|
|
? |
EG4059
|
WIRE |
1 |
|
|
|
|
? |
MM0007
|
CAPSCREW - M6 X 1.00 X 12 |
9 |
|
|
|
|
? |
MM0459
|
FLAT WASHER - M6 |
24 |
|
|
|
|
? |
MM0176
|
NUT - M6 X 1.00 |
13 |
|
|
|
|
? |
MM0469
|
LOCKWASHER - M6 |
23 |
|
|
|
|
? |
EC4402
|
BAR, BUS |
1 |
|
|
|
|
? |
EC1725
|
SWITCH |
2 |
|
|
|
|
? |
EC1719
|
BAR, BUS |
1 |
|
|
|
|
? |
MM0590
|
CAPSCREW - M8 X 1.25 X 12 |
2 |
|
|
|
|
? |
MM0460
|
FLAT WASHER - M8 |
34 |
|
|
|
|
? |
MM0470
|
LOCKWASHER - M8 |
18 |
|
|
|
|
? |
EC4406
|
WIRE |
1 |
|
|
|
|
? |
EF8481
|
WIRE |
1 |
|
|
|
|
? |
EC4405
|
WIRE |
1 |
|
|
|
|
? |
PB8460
|
BREAKER, CIRCUIT |
1 |
|
|
|
|
? |
HD6007
|
MACHINE SCREW - #10 - 24NC X 3/4" |
2 |
|
|
|
|
? |
VC5344
|
FLAT WASHER - #10 |
2 |
|
|
|
|
? |
SD4245
|
LOCKWASHER - #10 (EXTERNAL TOOTH) |
2 |
|
|
|
|
? |
DF0017
|
NUT - #10 - 24NC |
2 |
|
|
|
|
? |
EC1713
|
BOX, EQUALIZER |
1 |
|
|
|
|
? |
WA3355
|
PLUG, BUTTON |
1 |
|
|
|
|
? |
TR8279
|
GROMMET, RUBBER |
1 |
|
|
|
|
? |
VW4875
|
PLUG, BUTTON |
1 |
|
|
|
|
? |
MM0022
|
CAPSCREW - M8 X 1.25 X 20 |
16 |
|
|
|
|
? |
MM0177
|
NUT - M8 X 1.25 |
16 |
|
|
|
|
? |
EC1718
|
BAR, BUS |
1 |
|
|
|
|
? |
MM0047
|
CAPSCREW - M10 X 1.50 X 30 |
1 |
|
|
|
|
? |
MM0471
|
LOCKWASHER - M10 |
1 |
|
|
|
|
? |
MM0461
|
FLAT WASHER - M10 |
1 |
|
|
|
|
? |
MM0178
|
NUT - M10 X 1.50 |
1 |
|
|
|
|
? |
MM0582
|
CAPSCREW - M6 X 1.00 X 20 |
4 |
|
|
|
|
? |
EC7202
|
BRACKET |
1 |
|
|
|
|
? |
MM0579
|
CAPSCREW - M6 X 1.00 X 12 |
2 |
|
|
|
|
? |
PB7104
|
BREAKER, CIRCUIT |
4 |
|
|
|
|
? |
EG4058
|
WIRE |
5 |
|
|
|
|
? |
WB2113
|
LABEL, BREAKER - 2200HP DDEC 111 |
1 |
|
|
|
|
? |
PB6072
|
BREAKER, CIRCUIT - 5 AMP |
1 |
|
|
|
|
? |
|
NOTE: EG4517 BATTERY EQUALIZER BOX IS NOT SOLD AS |
65535 |
|
|
|
|
? |
|
AN ASSEMBLY. ORDER INDIVIDUAL COMPONENT PARTS. |
65535 |
|
|