Search in all models by partnumber
Search current book

Komatsu AFE47-BV 730E S/N A30229, A30231, A30236-A30237 CVG parts catalog PDF

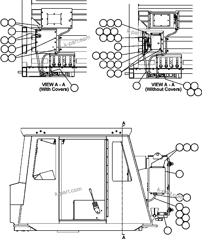
PAYLOAD METER III - CAB (55571) in AFE47-BV 730E S/N A30229, A30231, A30236-A30237 CVG. Diagram image and parts list.

Model manual types and quick links