|
|
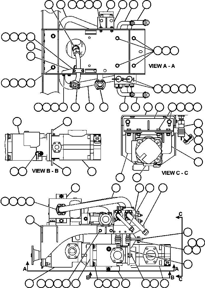
1 |
PB8267
|
HOIST VALVE ASSEMBLY (SEE INDEX) |
1 |
|
55008 |
|
|
2 |
TF3231
|
CLAMP, SPLIT FLANGE - 2" |
2 |
|
|
|
|
3 |
WA0187
|
O-RING |
1 |
|
|
|
|
4 |
C1614
|
CAPSCREW - 1/2" - 13NC X 1 1/2" |
4 |
|
|
|
|
5 |
C1540
|
LOCKWASHER - 1/2" |
4 |
|
|
|
|
6 |
EH3590
|
TUBE |
1 |
|
|
|
|
7 |
PC0522
|
OVERCENTER MANIFOLD VALVE ASSM (SEE INDEX) |
1 |
|
55589 |
|
|
8 |
EH3594
|
TUBE |
2 |
|
|
|
|
9 |
EC1880
|
TUBE |
2 |
|
|
|
|
10 |
EH0429
|
ANGLE |
1 |
|
|
|
|
11 |
C1630
|
CAPSCREW - 5/8" - 11NC X 2" |
6 |
|
|
|
|
12 |
C1550
|
FLAT WASHER - 5/8" |
12 |
|
|
|
|
13 |
C1541
|
LOCKWASHER - 5/8" |
12 |
|
|
|
|
14 |
C1525
|
NUT - 5/8" - 11NC |
6 |
|
|
|
|
15 |
EG2650
|
ANGLE |
1 |
|
|
|
|
16 |
PC0094
|
PUMP, STEERING & BRAKE (SEE FIG. 55732) |
1 |
|
|
|
|
17 |
C1631
|
CAPSCREW - 5/8" - 11NC X 2 1/4" |
2 |
|
|
|
|
18 |
WB0370
|
FITTING - 37 DEG FLARE, 45 DEG ELBOW |
1 |
|
|
|
|
19 |
PB9419
|
PUMP, BLOWER COOLING (SEE INDEX) |
1 |
|
55296 |
|
|
20 |
C1647
|
CAPSCREW - 3/4" - 10NC X 2 3/4" |
4 |
|
|
|
|
21 |
C1551
|
FLAT WASHER - 3/4" |
4 |
|
|
|
|
22 |
C1542
|
LOCKWASHER - 3/4" |
4 |
|
|
|
|
23 |
WA0098
|
O-RING |
1 |
|
|
|
|
24 |
MM0045
|
CAPSCREW - M12 X 1.75 X 50 |
4 |
|
|
|
|
25 |
MM0714
|
FLAT WASHER - M12 |
4 |
|
|
|
|
26 |
MM0472
|
LOCKWASHER - M12 |
4 |
|
|
|
|
27 |
MM0179
|
NUT - M12 X 1.75 |
4 |
|
|
|
|
28 |
PB9907
|
HOIST PUMP ASSEMBLY (SEE INDEX) |
1 |
|
55191 |
|
|
29 |
EJ1016
|
MOUNT, PUMP & VALVE |
1 |
|
|
|
|
30 |
EC1210
|
TUBE |
1 |
|
|
|
|
31 |
EC1205
|
ANGLE |
1 |
|
|
|
|
32 |
C7595
|
CAPSCREW - 5/8" - 11NC X 1 1/4" |
4 |
|
|
|
|
33 |
WA0361
|
FLAT WASHER - 5/8" |
4 |
|
|
|
|
34 |
WA3568
|
FITTING, TUBE |
2 |
|
|
|
|
35 |
WB0599
|
FITTING, 37 DEG FLARE, STRAIGHT ADAPTER |
2 |
|
|
|
|
36 |
PB4685
|
COUPLING, HYDRAULIC |
2 |
|
|
|
|
37 |
TA2968
|
PLUG, DUST |
2 |
|
|
|
|
38 |
EC1209
|
TUBE |
1 |
|
|
|
|
39 |
EH3589
|
TUBE |
1 |
|
|
|
|
40 |
EH1575
|
TUBE |
1 |
|
|
|
|
41 |
WB0551
|
FITTING, ELBOW - 45 DEG |
1 |
|
|
|
|
42 |
EJ5806
|
PLATE, BENT |
1 |
|
|
|
|
43 |
WA4710
|
CLAMP ASSEMBLY - 1 1/2" |
1 |
|
|
|
|
44 |
E3735
|
FLAT WASHER - 5/16" |
2 |
|
|
|
|
45 |
C1538
|
LOCKWASHER - 5/16" |
2 |
|
|
|
|
46 |
C1520
|
NUT - 5/16" - 18NC |
2 |
|
|
|
|
47 |
C1663
|
CAPSCREW - 7/8" - 9NC X 3" |
3 |
|
|
|
|
48 |
WA0363
|
FLAT WASHER - 7/8" |
3 |
|
|
|
|
49 |
C1543
|
LOCKWASHER - 7/8" |
3 |
|
|
|
|
50 |
C1529
|
NUT - 7/8" - 9NC |
3 |
|
|
|
|
51 |
PB6528
|
COUPLING, DIAGNOSTIC |
1 |
|
|
|
|
52 |
PB6041
|
CAP, DUST |
1 |
|
|
|
|
53 |
EG2648
|
ANGLE |
1 |
|
|