|
|
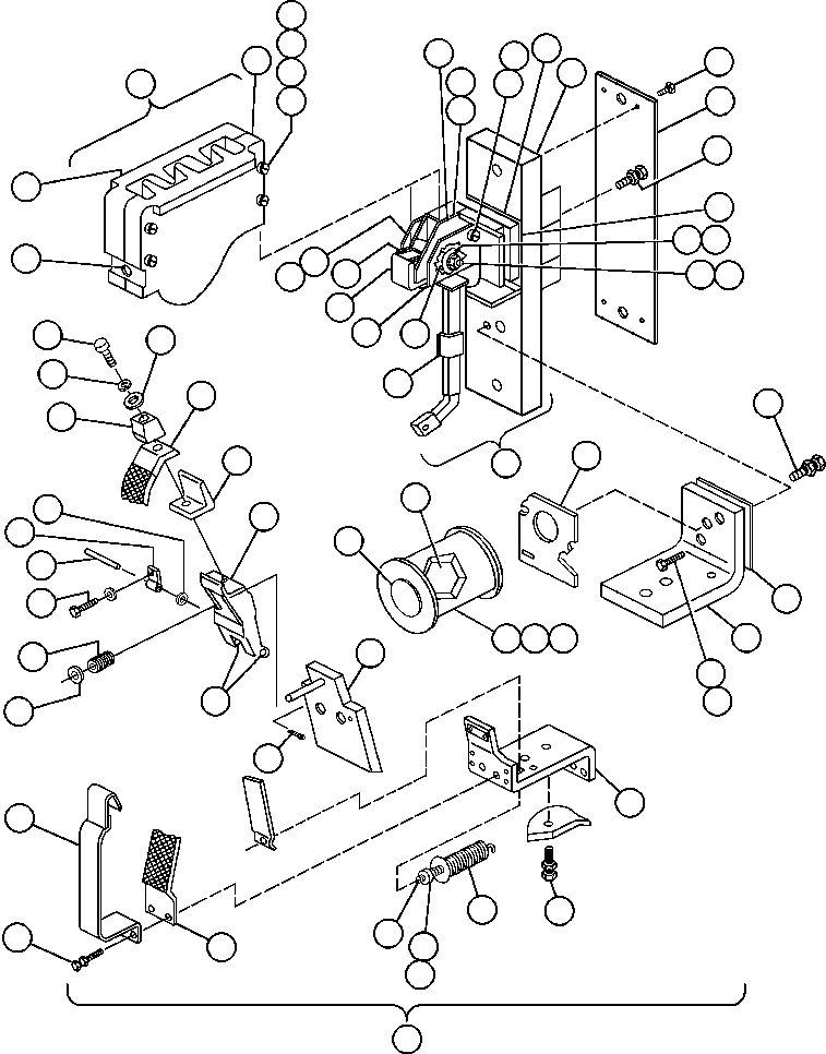
1 |
TV3419
|
CONTACTOR |
1 |
|
|
|
|
2 |
VS8893
|
BASE |
1 |
|
|
|
|
3 |
VS9207
|
SCREW WITH LOCKWASHER - #8 - 36NF X 1/2" |
1 |
|
|
|
|
4 |
VS8939
|
FRAME, MAGNET |
1 |
|
|
|
|
5 |
VS9318
|
STOP |
1 |
|
|
|
|
6 |
C5746
|
CAPSCREW - 1/4" - 20NC X 3/4" |
2 |
|
|
|
|
6 |
C5774
|
LOCKWASHER - 1/4" |
2 |
|
|
|
|
7 |
VE5759
|
SPRING WITH PLUG |
1 |
|
|
|
|
8 |
SD4235
|
LOCKWASHER - 1/4" (INTERNAL TOOTH) |
1 |
|
|
|
|
9 |
SF2755
|
NUT - #10 - 32NF |
2 |
|
|
|
|
10 |
VS9034
|
CALIBRATING SCREW - #10 - 32NF X 2 7/16" |
1 |
|
|
|
|
11 |
BF1890
|
ARMATURE ASSEMBLY |
1 |
|
|
|
|
12 |
R3869
|
SCREW - 5/16" - 18NC X 5/8" |
2 |
|
|
|
|
12 |
C1538
|
LOCKWASHER - 5/16" |
2 |
|
|
|
|
13 |
VS8971
|
HORN WITH SPRING |
1 |
|
|
|
|
14 |
VM0276
|
SHUNT, FLEXIBLE |
1 |
|
|
|
|
15 |
VS9172
|
PIN - 5/16" X 2 7/8" STN STL |
1 |
|
|
|
|
16 |
VS9171
|
CLAMP |
2 |
|
|
|
|
17 |
VS6881
|
WASHER - 5/16" (BRASS) |
2 |
|
|
|
|
18 |
VS9209
|
SCREW WITH LOCKWASHER - #10 - 32NF X 1/2" |
4 |
|
|
|
|
19 |
VE5760
|
ARM |
1 |
|
|
|
|
20 |
VJ0819
|
BUSHING, PLAIN - 0.3135" ID (BRONZE) |
2 |
|
|
|
|
21 |
VM0252
|
SPRING |
1 |
|
|
|
|
22 |
VE5761
|
COTTER PIN - 3/32" X 1/2" |
1 |
|
|
|
|
23 |
VS9175
|
SEAT, SPRING |
1 |
|
|
|
|
24 |
VM0228
|
ARCING HORN |
1 |
|
|
|
|
25 |
VJ7860
|
CAPSCREW - 5/16" - 18NC |
2 |
|
|
|
|
26 |
120386
|
WASHER - 5/16" (NARROW) |
6 |
|
|
|
|
27 |
VE4696
|
LOCKWASHER - 5/16" |
2 |
|
|
|
|
28 |
VS9285
|
CONTACTOR TIP |
2 |
|
|
|
|
29 |
VS9173
|
ARCING HORN |
1 |
|
|
|
|
30 |
VM0293
|
BLOWOUT COIL WITH STATIONARY CONTACT SUPPORT |
1 |
|
|
|
|
31 |
TR8320
|
MACHINE SCREW, SL FIL HD - #10 - 32NF X 1/2" |
2 |
|
|
|
|
32 |
DC3101
|
LOCKWASHER - #10 |
3 |
|
|
|
|
33 |
VS9071
|
POLE PIECE |
1 |
|
|
|
|
34 |
VS9072
|
POLE PIECE |
1 |
|
|
|
|
35 |
VE5763
|
MACHINE SCREW - #10 - 32NF X 3" (BRASS) |
1 |
|
|
|
|
36 |
VS8897
|
INSULATION TUBE - 0.546" |
2 |
|
|
|
|
37 |
VS8897
|
INSULATION TUBE - 0.546" |
1 |
|
|
|
|
38 |
VS8898
|
INSULATION TUBE - 2.230" |
1 |
|
|
|
|
39 |
VS8903
|
SHIELD - 0.060" |
2 |
|
|
|
|
40 |
VE5764
|
INSULATION TUBE - 2.227" |
1 |
|
|
|
|
41 |
|
(NOT USED THIS APPLICATION) |
2 |
|
|
|
|
42 |
VS8895
|
CORE, BLOWOUT COIL |
1 |
|
|
|
|
43 |
VS8894
|
CORE, MAGNET |
1 |
|
|
|
|
44 |
VS8899
|
INSULATION - 2 1/4" |
1 |
|
|
|
|
45 |
H6820
|
SCREW - 5/16" - 18NC X 1 1/4" |
4 |
|
|
|
|
45 |
C1538
|
LOCKWASHER - 5/16" |
4 |
|
|
|
|
46 |
C1603
|
CAPSCREW - 3/8" - 16NC X 1 1/4" |
1 |
|
|
|
|
46 |
C0312
|
LOCKWASHER - 3/8" |
1 |
|
|
|
|
47 |
VE5765
|
MACHINE SCREW - #8 X 1 1/4" |
1 |
|
|
|
|
48 |
VS9049
|
SHIELD |
1 |
|
|
|
|
49 |
VE5766
|
MACHINE SCREW - #6 X 3/8" |
2 |
|
|
|
|
50 |
VJ9158
|
SCREW - #10 - 32NF X 3/8" |
4 |
|
|
|
|
50 |
H2643
|
LOCKWASHER - #10 |
4 |
|
|
|
|
51 |
VS6662
|
FLAT WASHER - #10 (NARROW) |
4 |
|
|
|
|
52 |
VE4604
|
FLAT WASHER - #8 |
1 |
|
|
|
|
53 |
VE2248
|
SHIM - 0.035" |
1 |
|
|
|
|
54 |
VE3288
|
PLATE, LOCKING |
1 |
|
|
|
|
55 |
VE5767
|
ARC CHUTE |
1 |
|
|
|
|
56 |
VE5768
|
SIDE, ARC CHUTE |
1 |
|
|
|
|
57 |
VE5769
|
SIDE, ARC CHUTE |
1 |
|
|
|
|
58 |
VS8275
|
PIN |
2 |
|
|
|
|
59 |
VE5770
|
MACHINE SCREW - #10 - 32NF X 1/4" |
4 |
|
|
|
|
60 |
VE4600
|
FLAT WASHER - #10 (NARROW) |
8 |
|
|
|
|
61 |
VS6662
|
FLAT WASHER - #10 |
4 |
|
|
|
|
62 |
SF2755
|
NUT - #10 - 32NF |
4 |
|
|
|
|
63 |
VM0186
|
COIL, OPERATING |
1 |
|
|
|
|
64 |
VE0252
|
SPRING WASHER - 1.40 ID, ZINC PL |
1 |
|
|