|
|
? |
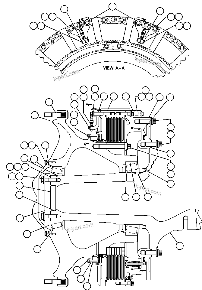
EG7682
|
HUB, WHEEL |
1 |
|
|
|
|
? |
EC9962
|
STUD - HEADED |
50 |
|
|
|
|
? |
ED3763
|
COVER |
1 |
|
|
|
|
? |
C1540
|
LOCKWASHER - 1/2" |
12 |
|
|
|
|
? |
C1614
|
CAPSCREW - 1/2" - 13NC X 1 1/2" |
12 |
|
|
|
|
? |
WA5667
|
O-RING (1) |
1 |
|
|
|
|
? |
ED3769
|
SHIM - .005 (1) |
3 |
|
|
|
|
? |
ED3770
|
SHIM - .007 (1) |
4 |
|
|
|
|
? |
ED3771
|
SHIM - .020 (1) |
6 |
|
|
|
|
? |
TY2148
|
FLAT WASHER - 1" (HARDENED) |
8 |
|
|
|
|
? |
VM8258
|
CAPSCREW - 1" - 8NC X 3 3/4" - G8 |
8 |
|
|
|
|
? |
ED3767
|
RETAINER, BEARING |
1 |
|
|
|
|
? |
ED3768
|
CAP, SPINDLE |
1 |
|
|
|
|
? |
VW0852
|
O-RING (1) |
1 |
|
|
|
|
? |
PC0004
|
CUP, ROLLER (TAPERED) (1) |
1 |
|
|
|
|
? |
PB9998
|
CONE, ROLLER (TAPERED) (1) |
1 |
|
|
|
|
? |
WA5663
|
O-RING (1) |
1 |
|
|
|
|
? |
ED3755
|
SHIM (1) |
12 |
|
|
|
|
? |
ED4887
|
GEAR, SPEED SENSOR |
1 |
|
|
|
|
? |
WA0360
|
FLAT WASHER - 1/2" (HARDENED) |
17 |
|
|
|
|
? |
VN9095
|
CAPSCREW - 1/2" - 13NC X 2 3/4" - G8 |
12 |
|
|
|
|
? |
VN9055
|
CAPSCREW - 3/8" - 16NC X 1 3/4" - G8 |
2 |
|
|
|
|
? |
HE5611
|
NUT, LOCK - 3/8" - G8 |
2 |
|
|
|
|
? |
PB9889
|
SENSOR, SPEED |
1 |
|
|
|
|
? |
WA5659
|
WASHER - (HARDENED) SPECIAL |
4 |
|
|
|
|
? |
WA0961
|
CAPSCREW - 7/8" - 9NC X 5" (12 PNT) - G9 |
4 |
|
|
|
|
? |
EG0588
|
MOUNT, SENSOR |
2 |
|
|
|
|
? |
ED3766
|
FRONT BRAKE ASSEMBLY (SEE FIG 60001) |
1 |
|
60001 |
|
|
? |
ED3775
|
ADAPTOR, BRAKE |
1 |
|
|
|
|
? |
TY2149
|
FLAT WASHER (HARDENED) |
89 |
|
|
|
|
? |
WA5669
|
CAPSCREW (12 PNT) |
57 |
|
|
|
|
? |
WA5660
|
CAPSCREW (12 PNT) |
32 |
|
|
|
|
? |
WA5662
|
O-RING (1) |
1 |
|
|
|
|
? |
WA4641
|
O-RING (1) |
1 |
|
|
|
|
? |
PC0002
|
CUP-ROLLER (TAPERED) (1) |
1 |
|
|
|
|
? |
PB9996
|
CONE - ROLLER (TAPERED) (1) |
1 |
|
|
|
|
? |
ED3772
|
SPACER, BEARING |
1 |
|
|
|
|
? |
EF9317
|
SPINDLE |
1 |
|
|
|
|
? |
PB8964
|
SENSOR, SPEED - L.H. ONLY |
1 |
|
|
|
|
? |
EG1768
|
BRACKET - L.H. REQUIRES 2 ONLY |
1 |
|
|
|
|
? |
EG0667
|
HARNESS, SPEED SENSOR (PB8964) - L.H. ONLY |
1 |
|
|
|
|
? |
EG0657
|
HARNESS, SPEED SENSOR (PB9889) |
1 |
|
|
|
|
? |
SM2117
|
PLATE, NUT CONNECTOR |
2 |
|
|
|
|
? |
WA5642
|
MACHINE SCREW |
8 |
|
|
|
|
? |
5622232290
|
PIN (1) |
2 |
|
|
|
|
? |
AK4118
|
NOTE: (1) INCLUDED IN AK4118 BEARING KIT. |
1 |
|
|