|
|
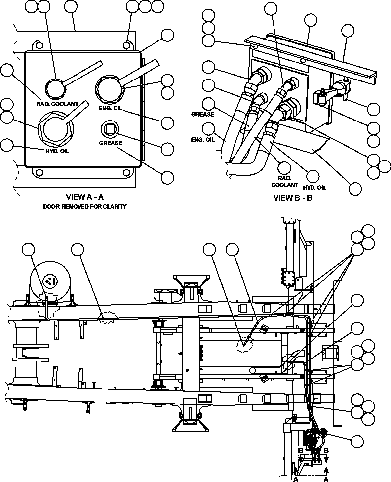
1 |
WB0543
|
FITTING, ELBOW - 45 DEG |
1 |
|
|
|
|
2 |
HA5785
|
HOSE (HYDRAULIC OIL) |
1 |
|
|
|
|
3 |
WB1063
|
FITTING, ELBOW - 90 DEG (METRIC) |
1 |
|
|
|
|
4 |
HA2193
|
HOSE (ENGINE OIL) |
1 |
|
|
|
|
5 |
WB0268
|
FITTING, ELBOW - 90 DEG |
1 |
|
|
|
|
6 |
HA0512
|
HOSE (RADIATOR COOLANT) |
1 |
|
|
|
|
7 |
HA0450
|
HOSE (GREASE) |
1 |
|
|
|
|
8 |
TR3662
|
CLAMP - 2 3/4" I.D. |
3 |
|
|
|
|
9 |
MM0471
|
LOCKWASHER - M10 |
19 |
|
|
|
|
10 |
MM0178
|
NUT, HEX - M10 X 1.5 |
19 |
|
|
|
|
11 |
TR9441
|
CLAMP, VINYL - 1 1/4" I.D. |
17 |
|
|
|
|
12 |
VC7673
|
CLAMP - 2 3/16" I.D. |
4 |
|
|
|
|
13 |
EG7600
|
BOX, SERVICE |
1 |
|
|
|
|
14 |
|
(NOT USED THIS APPLICATION) |
-1 |
|
|
|
|
15 |
|
(NOT USED THIS APPLICATION) |
-1 |
|
|
|
|
16 |
S5716
|
CAPSCREW - 1/4" - 20NC X 7/8" |
4 |
|
|
|
|
17 |
C5774
|
LOCKWASHER - 1/4" |
4 |
|
|
|
|
18 |
C5780
|
NUT - 1/4" - 20NC |
4 |
|
|
|
|
19 |
C5771
|
PLUG, PIPE - 1/2" |
1 |
|
|
|
|
20 |
EK7400
|
DECAL, SERVICE CENTER |
1 |
|
|
|
|
21 |
PB9212
|
RECEIVER ASSEMBLY (ENGINE OIL) |
1 |
|
|
|
|
22 |
WB0947
|
LOCKNUT, BULKHEAD - 1 5/8" |
1 |
|
|
|
|
23 |
PB9211
|
RECEIVER ASSEMBLY (RADIATOR COOLANT) |
1 |
|
|
|
|
24 |
WB0945
|
LOCKNUT, BULKHEAD - 1 3/16" |
1 |
|
|
|
|
25 |
PB9213
|
RECEIVER ASSEMBLY (HYDRAULIC OIL) |
1 |
|
|
|
|
26 |
WB0948
|
LOCKNUT, BULKHEAD - 1 7/8" |
1 |
|
|
|
|
27 |
D118265
|
HOOK, RUBBER |
1 |
|
|
|
|
28 |
TR4065
|
CAPSCREW - 1/4" - 20NC X 1 3/4" |
1 |
|
|
|
|
29 |
VD4460
|
LOCKNUT, NYLON - 1/4" - 20NC |
1 |
|
|
|
|
30 |
WB0538
|
FITTING, ELBOW - 45 DEG |
1 |
|
|
|
|
31 |
WB0600
|
FITTING, STRAIGHT ADAPTER |
1 |
|
|
|
|
32 |
WB0364
|
FITTING, STRAIGHT |
1 |
|
|
|
|
33 |
WB0369
|
FITTING, ELBOW - 45 DEG |
1 |
|
|
|
|
34 |
WB0292
|
FITTING, ELBOW - 45 DEG |
1 |
|
|
|
|
35 |
MM0647
|
STUD WELD - M10 X 20 |
2 |
|
|