Search in all models by partnumber
Search current book

Komatsu AFE50-CE 830E S/N A30811-A30814 EPSA parts catalog PDF

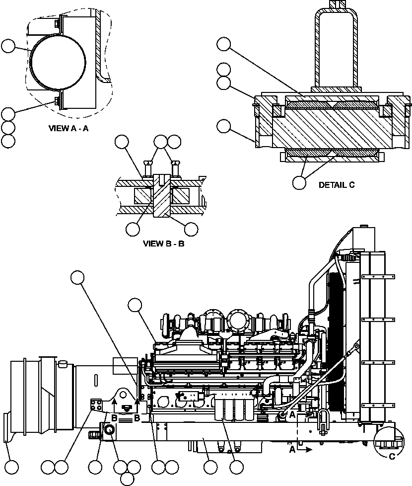
ENGINE & MISCELLANEOUS (41890) in AFE50-CE 830E S/N A30811-A30814 EPSA. Diagram image and parts list.

Model manual types and quick links