|
|
? |
EM0005
|
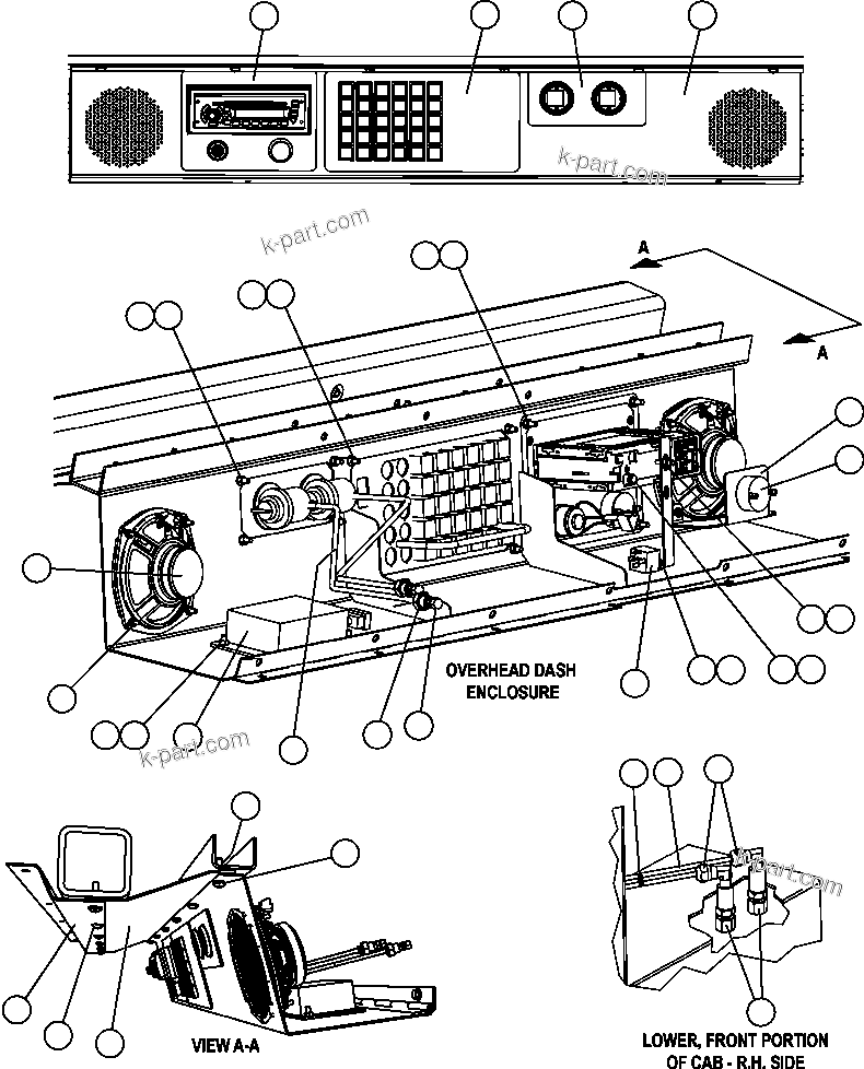
RADIO MODULE (SEE INDEX) (1) |
1 |
|
55869 |
|
|
? |
EM4309
|
WARNING LIGHTS MODULE (SEE INDEX) (1) |
1 |
|
61223 |
|
|
? |
EL1086
|
AIR FILTER RESTRICTION GAUGE MODULE (SEE INDEX) (1) |
1 |
|
60921 |
|
|
? |
EM3590
|
DASH, OVERHEAD |
1 |
|
|
|
|
? |
PC0724
|
SPEAKER ASSEMBLY |
2 |
|
|
|
|
? |
EL0296
|
HARNESS, SPEAKER |
2 |
|
|
|
|
? |
PC0251
|
SONALARM, SIGNAL |
1 |
|
|
|
|
? |
SM5122
|
BRACKET - L.H. SIDE |
1 |
|
|
|
|
? |
EL7679
|
BRACKET - R.H. SIDE (NOT SHOWN) |
1 |
|
|
|
|
? |
MM0206
|
LOCKWASHER - M5 |
1 |
|
|
|
|
? |
MM0373
|
NUT - M5 X .8 |
1 |
|
|
|
|
? |
MM0207
|
LOCKWASHER - M6 (INTERNAL TOOTH) |
15 |
|
|
|
|
? |
MM0176
|
NUT, HEX - M6 X 1.00 |
15 |
|
|
|
|
? |
PB4767
|
RELAY |
1 |
|
|
|
|
? |
PB9056
|
FITTING, COMPRESSION - FEMALE |
2 |
|
|
|
|
? |
PB9051
|
FITTING, SINGLE BARB W/FILTER |
2 |
|
|
|
|
? |
PB9050
|
HOSE, VACUUM |
2 |
|
|
|
|
? |
EK9228
|
MODULE, DIMMER CONTROL |
1 |
|
|
|
|
? |
WA3367
|
NUT ASSEMBLY |
10 |
|
|
|
|
? |
SM2682
|
SCREW, COUNTER SUNK |
3 |
|
|
|
|
? |
TA0602
|
FITTING, NYLON |
2 |
|
|
|
|
? |
TA0603
|
FITTING, NYLON |
2 |
|
|
|
|
? |
TM4777
|
TUBE, NYLON |
2 |
|
|
|
|
? |
VZ4843
|
TYRAP |
4 |
|
|
|
|
? |
PB8658
|
SCREW, PANEL - M6 X 1.00 X 30 |
12 |
|
|
|
|
? |
EK2766
|
PLATE |
1 |
|
|
|
|
? |
EL3810
|
SHEET |
1 |
|
|
|
|
? |
EJ7875
|
ADAPTER, RADIO ANTENNA CABLE |
1 |
|
|
|
|
? |
PB9957
|
CABLE, ANTENNA EXTENSION |
1 |
|
|
|
|
? |
|
NOTE: (1) NOT SOLD AS AN ASSEMBLY. |
-1 |
|
|
|
|
? |
|
ORDER INDIVIDUAL COMPONENT PARTS. |
-1 |
|
|