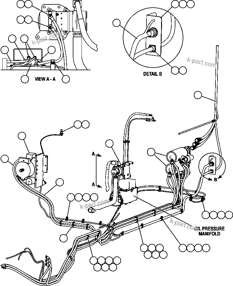
|
|
? |
|
ALTERNATOR, BATTERY CHARGING (1) |
1 |
|
|
|
|
? |
XA0117
|
BELT, ALTERNATOR DRIVE |
1 |
|
|
|
|
? |
CH5423
|
CABLE, ALTERNATOR - RED |
1 |
|
|
|
|
? |
CH5712
|
CABLE, ALTERNATOR - BLACK |
1 |
|
|
|
|
? |
|
PUMP, PRELUBE (1) |
1 |
|
|
|
|
? |
EK7542
|
HARNESS, ENGINE EXTERNAL |
1 |
|
|
|
|
? |
XA3660
|
MOTOR, CRANKING |
2 |
|
|
|
|
? |
PC0607
|
SENDER, COOLANT TEMPERATURE |
1 |
|
|
|
|
? |
WB1185
|
WASHER - M22 |
1 |
|
|
|
|
? |
MM0471
|
LOCKWASHER - M10 |
19 |
|
|
|
|
? |
MM0178
|
NUT - M10 X 1.50 |
19 |
|
|
|
|
? |
MM0461
|
FLAT WASHER - M10 |
5 |
|
|
|
|
? |
WB1304
|
CLAMP, CUSHIONED - 9/16" |
21 |
|
|
|
|
? |
MM0713
|
FLAT WASHER - M10 (HARDENED) |
14 |
|
|
|
|
? |
WB3093
|
CLAMP, CUSHIONED - 1" |
5 |
|
|
|
|
? |
EL1939
|
ROD, THREADED |
8 |
|
|
|
|
? |
EJ3891
|
CLAMP ASSEMBLY |
26 |
|
|
|
|
? |
WB3098
|
CLAMP, CUSHIONED - 3/8" |
20 |
|
|
|
|
? |
MM0462
|
FLAT WASHER - M12 |
10 |
|
|
|
|
? |
MM0459
|
FLAT WASHER - M6 |
14 |
|
|
|
|
? |
MM0176
|
NUT, HEX - M6 X 1.00 |
12 |
|
|
|
|
? |
EM3364
|
ROD, THREADED |
6 |
|
|
|
|
? |
CH4321
|
CABLE, PRELUBE PUMP - BLACK |
1 |
|
|
|
|
? |
CH4452
|
CABLE, PRELUBE PUMP - RED |
1 |
|
|
|
|
? |
08038-02027
|
CAP, TERMINAL |
4 |
|
|
|
|
? |
|
SOLENOID, PRELUBE PUMP (1) |
1 |
|
|
|
|
? |
08038-00519
|
CAP, TERMINAL |
2 |
|
|
|
|
? |
EM4684
|
FUSABLE LINK |
1 |
|
|
|
|
? |
EM4676
|
SHEET, BENT |
2 |
|
|
|
|
? |
MM0025
|
CAPSCREW - M6 X 1.00 X 20 |
2 |
|
|
|
|
? |
MM0469
|
LOCKWASHER - M6 |
2 |
|
|
|
|
? |
WB0904
|
PLATE, NUT |
1 |
|
|
|
|
? |
WA5642
|
MACHINE SCREW - #4 - 40NC X 1/2" |
4 |
|
|
|
|
? |
EM4685
|
HARNESS, ENGINE EXTERNAL |
1 |
|
|
|
|
? |
|
NOTE: (1) SUPPLIED WITH ENGINE |
-1 |
|
|