Search in all models by partnumber
Search current book

Buy PDF Partsbook

Purchase the Komatsu parts book in PDF format for this model. Ideal for part numbers, exploded diagrams, and parts list lookup before ordering.

Buy Komatsu parts catalog PDF, Komatsu parts book PDF, and parts manual PDF for this exact model. Model: AFE57-X 830E-AC S/N A30101 HIBBING TACONITE.

Back to Diagram

SEO pages: Komatsu parts catalog PDF, parts book PDF, shop manual PDF, repair manual PDF, operation manual PDF, operators manual PDF for this machine.

Buy PDF Partsbook for AFE57-X 830E-AC S/N A30101 HIBBING TACONITE

This page is focused on Buy PDF Partsbook purchase for AFE57-X 830E-AC S/N A30101 HIBBING TACONITE. If needed, you can also open Parts and Shop variants using links below.

  • Model-specific PDF manual delivery.
  • Coverage checks by machine/serial title before purchase.
  • Fast access to diagram, parts list, and tree navigation from the same page.
What manual types are available for this model?

Partsbook PDF, Shop/Repair PDF, and Operation/Operators PDF are available via dedicated tabs and links.

Is this page model-specific?

Yes, the offer is linked to the current model card and its catalog structure shown on this page.

Komatsu AFE57-X 830E-AC S/N A30101 HIBBING TACONITE parts catalog PDF

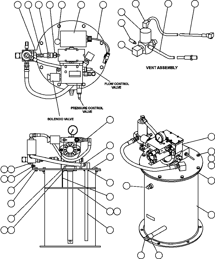
LUBE PUMP/CONTAINER ASSEMBLY (PC1896) (42077) in AFE57-X 830E-AC S/N A30101 HIBBING TACONITE. Diagram image and parts list.

Model manual types and quick links