|
|
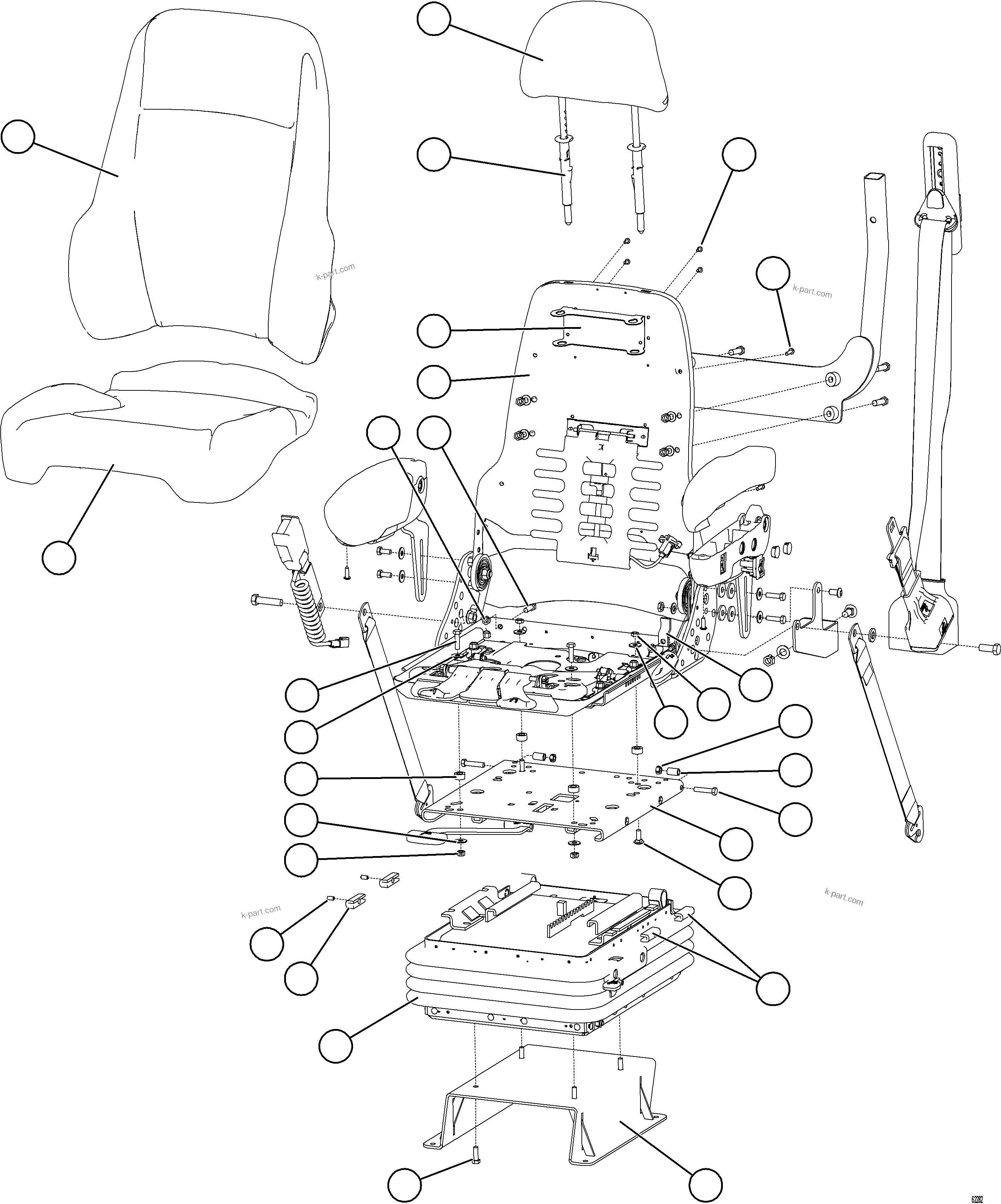
? |
58E-98-10121
|
CUSHION, SEAT |
1 |
|
|
|
|
? |
58E-98-10131
|
CUSHION, BACKREST |
1 |
|
|
|
|
? |
58E-98-10540
|
HEADREST |
1 |
|
|
|
|
? |
XA4061
|
KIT, HEADREST GUIDE |
1 |
|
|
|
|
? |
58E-98-10240
|
BRACKET, HEADREST GUIDE |
1 |
|
|
|
|
? |
XA5119
|
RIVET |
4 |
|
|
|
|
? |
58E-98-10300
|
SCREW - #12 |
4 |
|
|
|
|
? |
58E-98-10110
|
KIT, HIGHBACK SEAT |
1 |
|
|
|
|
? |
EM4054
|
SLIDE ASSEMBLY |
1 |
|
|
|
|
? |
58E-98-10350
|
CAPSCREW - M8 X 1.25 X 30 |
2 |
|
|
|
|
? |
58E-98-10340
|
FLAT WASHER |
6 |
|
|
|
|
? |
58E-98-10250
|
SPACER |
4 |
|
|
|
|
? |
XA4455
|
NUT, CENTERLOCK - M8 X 1.25 |
4 |
|
|
|
|
? |
EM4066
|
BLOCK, SLIDER (ADJUSTABLE) |
2 |
|
|
|
|
? |
EM4068
|
SCREW, ALLEN HEAD - 1/4" - 20NC X 1/2" |
2 |
|
|
|
|
? |
XA5816
|
SEAT SUSPENSION ASSEMBLY (SEE INDEX) |
1 |
|
42738 |
|
|
? |
EM4056
|
RISER |
1 |
|
|
|
|
? |
EM4078
|
CAPSCREW - M8 X 1.25 X 25 |
6 |
|
|
|
|
? |
EM4059
|
BLOCK, SLIDER (NON-ADJUSTABLE) |
2 |
|
|
|
|
? |
58E-98-10280
|
BOLT, CARRIAGE - 5/16" - 18NC |
2 |
|
|
|
|
? |
58E-98-10330
|
LOCKNUT - 5/16" - 18NC |
2 |
|
|
|
|
? |
58E-98-10390
|
CAPSCREW - 5/16" - 18NC X 1 1/2" |
2 |
|
|
|
|
? |
58E-98-10200
|
SPACER |
2 |
|
|
|
|
? |
EM4072
|
NUT, CENTERLOCK - 5/16" - 18NC |
2 |
|
|
|
|
? |
58E-98-10232
|
BRACKET, RECLINE STOP |
1 |
|
|