Search in all models by partnumber
Search current book

Buy PDF Operation Manual

Purchase the Komatsu operation manual in PDF format for this model. Includes operation guidance, controls, safety notes, and daily use instructions.

Buy Komatsu operation manual PDF, Komatsu operators manual PDF, and operator handbook PDF for this model. Model: AFE59-FW 930E-4 S/N A31849 & A31860 CERREJON.

Back to Diagram

SEO pages: Komatsu parts catalog PDF, parts book PDF, shop manual PDF, repair manual PDF, operation manual PDF, operators manual PDF for this machine.

Buy PDF Operation Manual for AFE59-FW 930E-4 S/N A31849 & A31860 CERREJON

This page is focused on Buy PDF Operation Manual purchase for AFE59-FW 930E-4 S/N A31849 & A31860 CERREJON. If needed, you can also open Parts and Shop variants using links below.

  • Model-specific PDF manual delivery.
  • Coverage checks by machine/serial title before purchase.
  • Fast access to diagram, parts list, and tree navigation from the same page.
What manual types are available for this model?

Partsbook PDF, Shop/Repair PDF, and Operation/Operators PDF are available via dedicated tabs and links.

Is this page model-specific?

Yes, the offer is linked to the current model card and its catalog structure shown on this page.

Komatsu AFE59-FW 930E-4 S/N A31849 & A31860 CERREJON parts catalog PDF

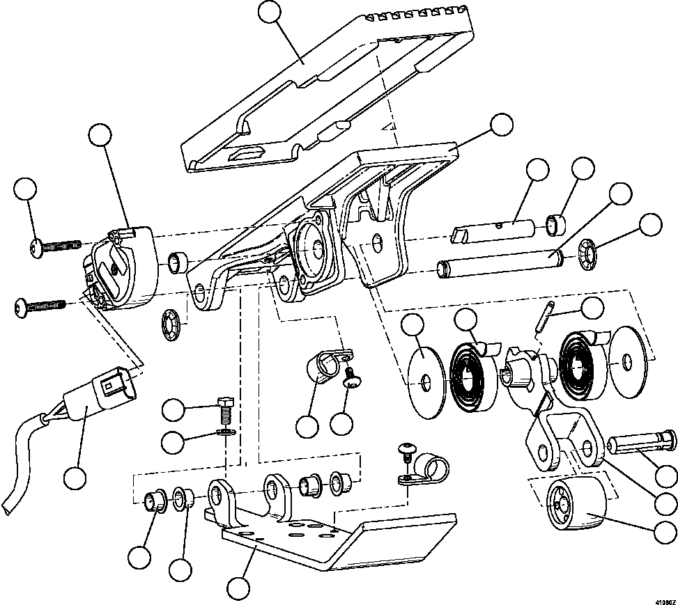
ELECTRONIC TREADLE PB9506 (41060) in AFE59-FW 930E-4 S/N A31849 & A31860 CERREJON. Diagram image and parts list.

Model manual types and quick links