|
|
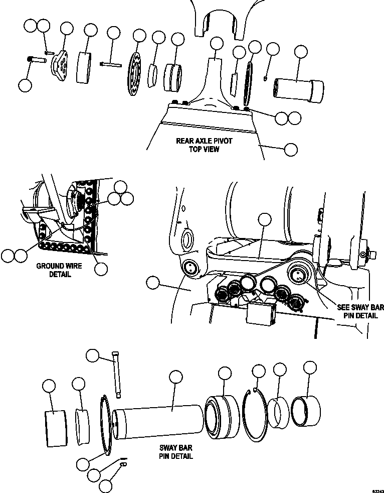
1 |
XC2583
|
AXLE HOUSING ASSEMBLY |
1 |
|
|
|
|
2 |
TX8110
|
SLEEVE (2) |
2 |
|
|
|
|
3 |
WB1162
|
CAPSCREW - 1 1/4" - 7NC X 3" (12 PT) |
24 |
|
|
|
|
4 |
WA0366
|
FLAT WASHER - 1 1/4" (HARDENED) |
24 |
|
|
|
|
5 |
XB2450
|
PIVOT EYE ASSEMBLY |
1 |
|
|
|
|
5 |
XB2449
|
EYE, PIVOT |
1 |
|
|
|
|
6 |
PC1291
|
BEARING (1) |
1 |
|
|
|
|
7 |
WB1154
|
CAPSCREW - 3/4" - 10NC X 6" (12 PT) (1) |
14 |
|
|
|
|
8 |
VL2993
|
LOCKNUT - 3/4" - 10NC (1) |
14 |
|
|
|
|
9 |
EL0047
|
RETAINER, BEARING (1) |
2 |
|
|
|
|
10 |
ED4952
|
SLEEVE (1) |
1 |
|
|
|
|
11 |
EK0867
|
PIN, PIVOT (1) |
1 |
|
|
|
|
12 |
VN9952
|
LOCKNUT - 5/8" - 11NC (2) |
2 |
|
|
|
|
13 |
EG3028
|
SPACER (1) |
2 |
|
|
|
|
14 |
EK0866
|
PLATE, LOCKING (1) |
1 |
|
|
|
|
15 |
WB1059
|
CAPSCREW - 1 1/4" - 7NC X 4 1/2" (12 PT) (1) |
5 |
|
|
|
|
16 |
WA0361
|
FLAT WASHER - 5/8" (HARDENED) (2) |
2 |
|
|
|
|
17 |
VN9087
|
CAPSCREW - 5/8" - 11NC X 2 1/2" (1) |
3 |
|
|
|
|
18 |
6216-24-8890
|
LOCKWASHER - 5/8" (1) |
3 |
|
|
|
|
19 |
EM8109
|
SHOULDER BOLT - 5/8" - 11NC X 7.16" (FRAME END) (2) |
1 |
|
|
|
|
19 |
EM8110
|
SHOULDER BOLT - 5/8" - 11NC X 6.73" (AXLE END) (2) |
1 |
|
|
|
|
20 |
TY2734
|
SPACER (2) |
4 |
|
|
|
|
21 |
EH7812
|
ANTI-SWAY BAR W/ BEARINGS |
1 |
|
|
|
|
21 |
EH7813
|
BAR, ANTI-SWAY |
1 |
|
|
|
|
22 |
VN9351
|
RING, RETAINER (2) |
4 |
|
|
|
|
23 |
PB0027
|
BEARING, SPHERICAL (2) |
2 |
|
|
|
|
24 |
EH7811
|
PIN, BEARING (2) |
2 |
|
|
|
|
25 |
XB2497
|
WIRE, GROUND (PIVOT EYE TO FRAME) |
1 |
|
|
|
|
26 |
MM0471
|
LOCKWASHER - M10 |
2 |
|
|
|
|
27 |
MM0178
|
NUT - M10 X 1.50 |
2 |
|
|
|
|
28 |
MM0603
|
CAPSCREW - M10 X 1.50 X 16 |
1 |
|
|
|
|
NS|32 |
AK5258
|
NOTE: (1) INCLUDED IN AK5258 NOSE CONE PIN KIT. |
-1 |
|
|
|
|
NS|33 |
AK5672
|
(2) INCLUDED IN AK5672 PANHARD PIN KIT. |
-1 |
|
|