|
|
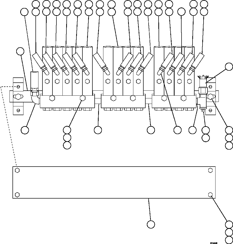
1 |
TA4411
|
INJECTOR, REAR (5-PIECE) (1) |
1 |
|
|
|
|
1 |
XA2520
|
NIPPLE & CAP ASSEMBLY |
5 |
|
|
|
|
2 |
VW7989
|
INJECTOR, REAR (4-PIECE) (1) |
2 |
|
|
|
|
2 |
XA2520
|
NIPPLE & CAP ASSEMBLY |
8 |
|
|
|
|
3 |
VW7990
|
CAP, PROTECTIVE |
13 |
|
|
|
|
4 |
WB0252
|
FITTING, ELBOW - 90 DEG |
13 |
|
|
|
|
5 |
EJ4053
|
PLATE, MOUNTING |
1 |
|
|
|
|
6 |
MM0606
|
CAPSCREW - M10 X 1.50 X 30 |
6 |
|
|
|
|
7 |
MM0471
|
LOCKWASHER - M10 |
12 |
|
|
|
|
8 |
MM0611
|
CAPSCREW - M10 X 1.50 X 60 |
6 |
|
|
|
|
9 |
MM0461
|
FLAT WASHER - M10 |
12 |
|
|
|
|
10 |
MM0178
|
NUT - M10 X 1.50 |
6 |
|
|
|
|
11 |
EG0583
|
PLATE, COVER (REAR INJECTORS) |
1 |
|
|
|
|
12 |
TB8803
|
NIPPLE, PIPE - 3/8" |
2 |
|
|
|
|
13 |
WB0262
|
FITTING, ELBOW - 90 DEG |
1 |
|
|
|
|
14 |
HA6448
|
HOSE (TO JUNCTION AT HORSECOLLAR) |
1 |
|
|
|
|
15 |
HA1413
|
HOSE (TO BOTTOM OF REAR SUSPENSIONS) |
2 |
|
|
|
|
16 |
WB0531
|
FITTING, ELBOW - 45 DEG (AT BOTTOM OF REAR SUSPENSIONS) |
2 |
|
|
|
|
17 |
HA0994
|
HOSE (TO BOTTOM OF HOIST CYLINDERS) |
2 |
|
|
|
|
18 |
WB0252
|
FITTING, ELBOW - 90 DEG (AT BOTTOM OF HOIST CYLINDERS) |
2 |
|
|
|
|
19 |
HA0570
|
HOSE (TO R.H. END OF SWAY BAR) |
1 |
|
|
|
|
20 |
WB0281
|
FITTING, ELBOW - 45 DEG (AT R.H. END OF SWAY BAR) |
1 |
|
|
|
|
21 |
HA1413
|
HOSE (TO L.H. END OF SWAY BAR) |
1 |
|
|
|
|
22 |
WB0281
|
FITTING, ELBOW - 45 DEG (AT L.H. END OF SWAY BAR) |
1 |
|
|
|
|
23 |
HA0197
|
HOSE (TO TOP OF REAR SUSPENSIONS) |
2 |
|
|
|
|
24 |
WB0499
|
FITTING, ELBOW - 90 DEG (AT TOP OF REAR SUSPENSIONS) |
2 |
|
|
|
|
25 |
VD4661
|
HOSE (TO BODY PIVOT PINS) |
2 |
|
|
|
|
26 |
WB0284
|
FITTING, ELBOW - 45 DEG (AT BODY PIVOT PINS) |
2 |
|
|
|
|
27 |
PC1654
|
SWITCH, PRESSURE |
1 |
|
|
|
|
28 |
HA0394
|
HOSE (TO TOP OF HOIST CYLINDERS) |
2 |
|
|
|
|
29 |
WB0252
|
FITTING, ELBOW - 90 DEG (AT TOP OF HOIST CYLINDERS) |
2 |
|
|
|
|
30 |
HA8283
|
HOSE (TO DRIVE CASE PIVOT) |
1 |
|
|
|
|
31 |
R0086
|
BUSHING, PIPE - 1/4" X 3/8" |
1 |
|
|
|
|
32 |
R2508
|
FITTING, TEE |
1 |
|
|
|
|
33 |
R2510
|
NIPPLE |
1 |
|
|
|
|
NS|36 |
|
NOTE: (1) FOR SINGLE INJECTOR, ORDER VS1947. |
-1 |
|
|