Search in all models by partnumber
Search current book

Komatsu PC3000-6 S/N 46174 parts catalog PDF

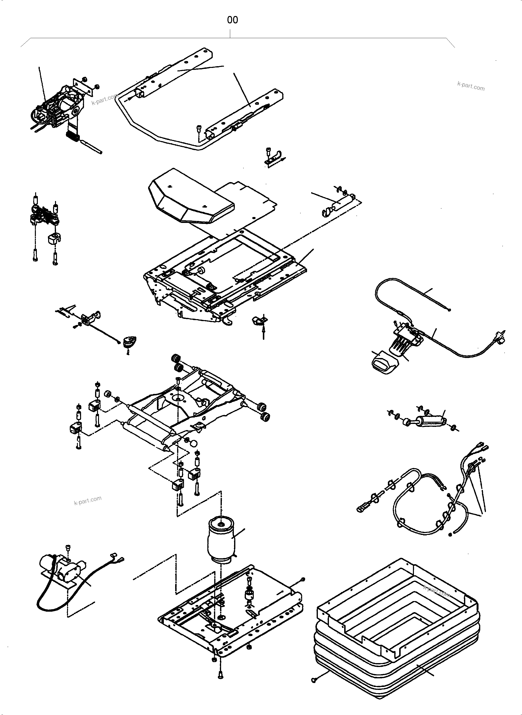
AIR SUSPENSION (991-0326) in PC3000-6 S/N 46174. Diagram image and parts list.

Model manual types and quick links