Search in all models by partnumber
Search current book

Komatsu PC4000-6E S/N 08202 parts catalog PDF

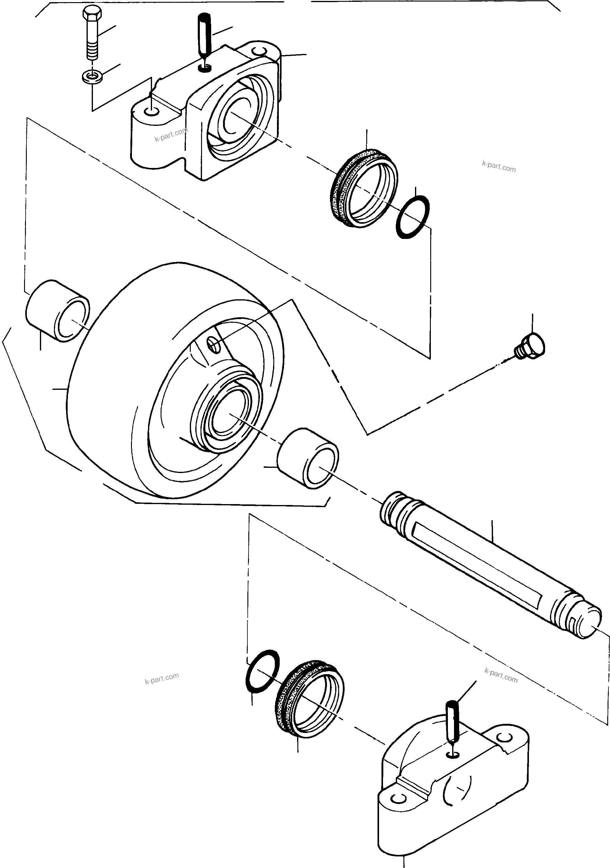
TOP ROLLER (515-3140b) in PC4000-6E S/N 08202. Diagram image and parts list.

Model manual types and quick links