|
|
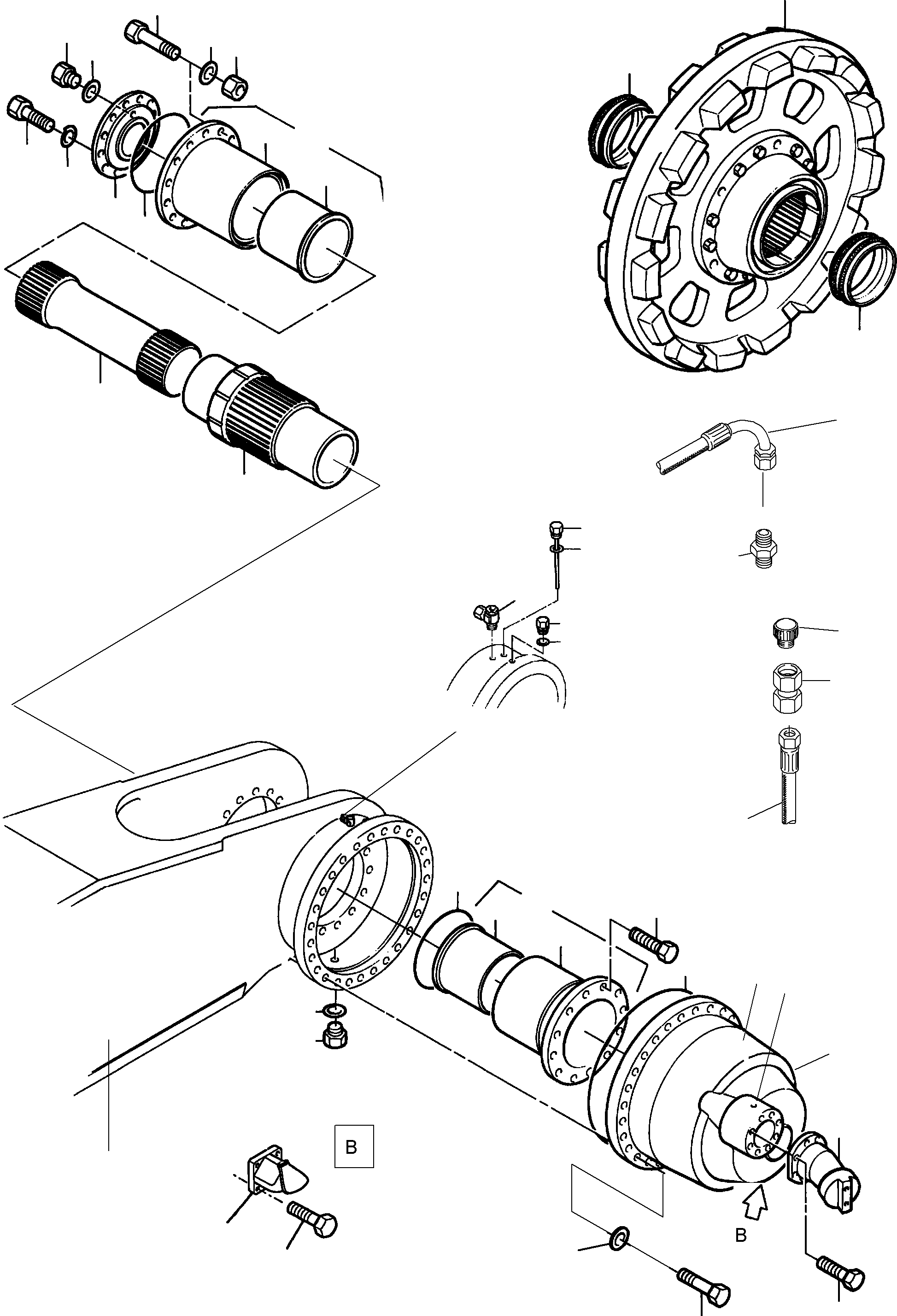
01 |
942 820 40
|
Track frame r.h. |
1 |
InternKon: 942 825 40 / 1
|
|
|
|
02 |
|
see page Drive sprocket |
2 |
InternBDB: 643 945 40 | InternKon: 942 825 40 / 4
|
355-3125 |
|
|
03 |
922 538 40
|
Flange bearing with bush |
2 |
InternKon: 942 825 40 / 5
|
|
|
|
04 |
922 539 40
|
Flange bearing with bush |
2 |
InternKon: 942 825 40 / 6
|
|
|
|
05 |
429 271 40
|
Bearing cap |
2 |
InternKon: 942 825 40 / 8
|
|
|
|
06 |
361 029 40
|
Sleeve shaft |
2 |
InternKon: 942 825 40 / 9
|
|
|
|
07 |
429 200 40
|
Drive shaft |
2 |
InternBDB: Ш 320 | InternKon: 942 825 40 / 10
|
|
|
|
08 |
|
see page Travelling gear |
2 |
InternBDB: 924 800 40 Zollern | InternKon: 948 999 40 / 1
|
991-0766 |
|
|
09 |
|
see page Travelling gear motor |
2 |
InternBDB: 654 891 40 | InternKon: 942 825 40 / 12
|
991-0080 |
|
|
10 |
358 614 40
|
Lifetime seal |
4 |
InternBDB: Goetze 76.90 H-65 | InternKon: 942 825 40 / 13
|
|
|
|
11 |
304 369 99
|
Bolt |
12 |
InternBDB: M30x180 / DIN 931 / 10.9 | InternKon: 942 825 40 / 16
|
|
|
|
12 |
332 165 99
|
Nut |
12 |
InternBDB: M 30 / DIN 934 | InternKon: 942 825 40 / 17
|
|
|
|
13 |
255 057 40
|
Washer |
80 |
InternBDB: 31 / DIN 6916 | InternKon: 942 825 40 / 18
|
|
|
|
14 |
429 265 40
|
Bolt |
4 |
InternBDB: M 16x40 / 8.8 / 933 | InternKon: 942 825 40 / 19
|
|
|
|
15 |
517 123 98
|
Washer |
4 |
InternBDB: B 16 / StZn / WN 65593840 | InternKon: 942 825 40 / 20
|
|
|
|
16 |
308 731 99
|
Bolt |
12 |
InternBDB: M30x110 / DIN 931 / 8.8 | InternKon: 942 825 40 / 21
|
|
|
|
17 |
504 535 98
|
O-ring |
1 |
InternBDB: 530x10 / DIN 3770 / NB70 | InternKon: 942 825 40 / 22
|
|
|
|
18 |
504 534 98
|
O-ring |
1 |
InternBDB: 475x8 / DIN 3770 / NB70 | InternKon: 942 825 40 / 23
|
|
|
|
19 |
308 354 99
|
Bolt |
36 |
InternBDB: M36x160 / 10.9 / DIN 931 | InternKon: 942 825 40 / 24
|
|
|
|
21 |
255 056 40
|
Washer |
36 |
InternBDB: 37 / DIN 6916 / C45-TQ+T | InternKon: 942 825 40 / 26
|
|
|
|
22 |
501 532 98
|
Plug |
4 |
InternBDB: M 45x1,5 / DIN 910 / 5.8 PHR | InternKon: 942 825 40 / 27
|
|
|
|
23 |
929 430 40
|
Oil dipstick |
2 |
InternKon: 942 825 40 / 28
|
|
|
|
24 |
307 847 99
|
Bolt |
8 |
InternBDB: M 20x60 / DIN 933 / 8.8 | InternKon: 942 825 40 / 30
|
|
|
|
25 |
339 796 99
|
Seal ring |
2 |
InternBDB: A 45x52 / DIN 7603 / Cu | InternKon: 942 825 40 / 31
|
|
|
|
26 |
339 907 99
|
Seal ring |
2 |
InternBDB: A 22x27 / DIN 7603 / Cu | InternKon: 942 825 40 / 32
|
|
|
|
27 |
313 267 99
|
Plug |
2 |
InternBDB: M 22x1,5 / DIN 910 / 5.8 PHR | InternKon: 942 825 40 / 33
|
|
|
|
28 |
504 849 98
|
O-ring |
2 |
InternBDB: 1000x10 / NB70 / WN 01174599 | InternKon: 942 825 40 / 36
|
|
|
|
29 |
517 270 98
|
Union |
2 |
InternBDB: 18 LM /OMD / WN 01175499 / StZn | InternKon: 942 825 40 / 40
|
|
|
|
30 |
943 320 40
|
Track frame l.h. |
1 |
InternKon: 943 325 40 / 1
|
|
|
|
31 |
307 754 99
|
Bolt |
4 |
InternBDB: M8x25 DIN00933 | InternKon: 943 325 40 / 57
|
|
|
|
32 |
894 226 40
|
Gauge |
1 |
InternBDB: Deuta 3ZW 28/1 A1 | InternKon: 943 325 40 / 56
|
|
|
|
33 |
|
Flange bearing |
2 |
InternBDB: 429 653 40 | InternKon: 922 538 40 / 1
|
|
|
|
34 |
922 537 40
|
Freeze-in bush |
4 |
InternKon: 922 538 40 / 2
|
|
|
|
35 |
|
Flange bearing |
2 |
InternBDB: 429 654 40 | InternKon: 922 539 40 / 1
|
|
|
|
36 |
374 408 99
|
Socket |
2 |
InternBDB: L 18E-M / 3901 | InternKon: 938 750 40 / 8
|
|
|
|
37 |
516 629 98
|
Hose DN 16x3450 |
2 |
InternBDB: DOL 18 / DOL 18-90 | InternKon: 938 750 40 / 19
|
|
|
|
38 |
516 630 98
|
Hose DN 16x3900 |
2 |
InternBDB: DOL 18 / DOL 18-90 | InternKon: 938 750 40 / 20
|
|
|
|
39 |
516 628 98
|
Hose DN 16x3115 |
2 |
InternBDB: DOL 18 / DOL 18-90 | InternKon: 938 750 40 / 21
|
|
|
|
40 |
323 460 40
|
Vent valve |
6 |
InternBDB: EV 1019 M 22x1,5 | InternKon: 938 750 40 / 10
|
|
|
|
41 |
372 824 99
|
Union |
6 |
InternBDB: GAI 18-LM | InternKon: 938 750 40 / 9
|
|