|
|
01 |
|
|
-2 |
|
|
|
|
01 |
915 247 40
|
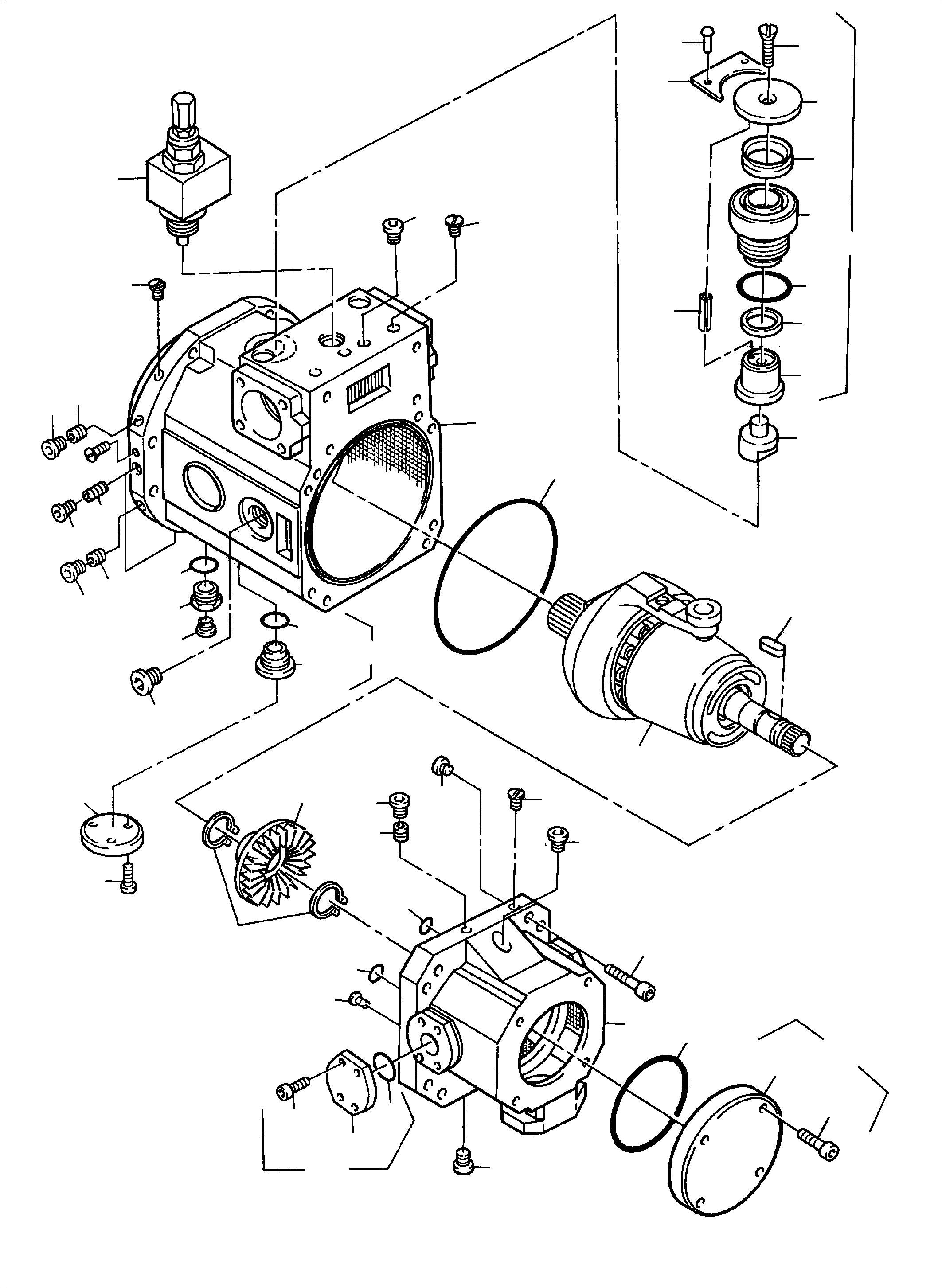
Hydraulic pump assy. |
1 |
InternBDB: Brueninghaus A4VSLO 750 R902448132
|
|
|
|
01 |
919 597 40
|
Hydraulic pump assy. adjusted for a working altitude of 1600m |
1 |
InternBDB: Brueninghaus A4VSLO 750 eingestellt auf Arbeitshцhe 1600m R9024
|
|
|
|
01 |
919 598 40
|
Hydraulic pump assy. adjusted for a working altitude of 4200m |
1 |
InternBDB: Brueninghaus A4VSLO 750 eingestellt auf Arbeitshцhe 4200m R9024
|
|
|
|
02 |
767 051 73
|
Piston housing |
2 |
InternBDB: 923 653 | InternKon: R910 949 999 / 1
|
|
|
|
03 |
767 052 73
|
Cover |
2 |
InternBDB: 914 303 | InternKon: R910 949 999 / 6
|
|
|
|
04 |
767 053 73
|
Nozzle |
1 |
InternBDB: M5x1.0 / 923 852 | InternKon: R910 949 999 / 23
|
|
|
|
05 |
319 540 99
|
Bolt |
16 |
InternBDB: M8x16 / 10.9 / 912 | InternKon: R910 949 999 / 20
|
|
|
|
06 |
767 054 73
|
O-ring |
2 |
InternBDB: 25,12x1,78 / 587 206 V90 | InternKon: R910 949 999 / 21
|
|
|
|
07 |
767 055 73
|
Support ring |
2 |
InternBDB: SG 25,1x28x1,4 / 925 020 | InternKon: R910 949 999 / 26
|
|
|
|
08 |
964 770
|
Plug |
4 |
InternBDB: M5 WN1067 / 575 143 | InternKon: R910 949 999 / 16
|
|
|
|
09 |
767 039 73
|
Plug |
5 |
InternBDB: M14x1,5 / 532 347 | InternKon: R910 949 999 / 11
|
|
|
|
|$$13 |
767 429 73
|
Gasket to fig.-no. 09 |
-2 |
InternBDB: ED 14x1,5 Viton
|
|
|
|
10 |
767 056 73
|
Plug |
2 |
InternBDB: M10x1 / 647 101 | InternKon: R910 949 999 / 13
|
|
|
|
11 |
319 248 99
|
Bolt |
8 |
InternBDB: M8x70 / 10.9 /912 | InternKon: R910 995 840 / 5
|
|
|
|
12 |
767 057 73
|
Threaded pin |
6 |
InternBDB: M5x8 / 465 976 | InternKon: R910 949 999 / 18
|
|
|
|
13 |
767 058 73
|
Plug |
8 |
InternBDB: M8x1 / 788 317 | InternKon: R910 949 999 / 15
|
|
|
|
14 |
511 561 98
|
O-ring |
10 |
InternBDB: 12x2 / 080 543 V80 | InternKon: R910 949 999 / 14
|
|
|
|
15 |
313 405 99
|
Plug |
2 |
InternBDB: M10x1 / 108 0057 / 906 | InternKon: R910 949 999 / 8
|
|
|
|
16 |
767 061 73
|
Roller |
2 |
InternBDB: 11x11 /5402 / 921 023 | InternKon: R910 949 999 / 22
|
|
|
|
17 |
767 062 73
|
Piston |
1 |
InternBDB: 914 302 | InternKon: R910 928 163 / 7
|
|
|
|
18 |
767 063 73
|
Piston |
2 |
InternBDB: 914 305 | InternKon: R910 949 999 / 4
|
|
|
|
19 |
767 064 73
|
ring |
2 |
InternBDB: 929 747 | InternKon: R910 949 999 / 29
|
|
|
|
20 |
767 065 73
|
Support ring |
2 |
InternBDB: SG 27,1x30x1,4 / 921 451 | InternKon: R910 949 999 / 27
|
|
|
|
21 |
767 066 73
|
O-ring |
1 |
InternBDB: 28,3x1,78 / 916 166 V90 | InternKon: R910 949 999 / 17
|
|
|
|
22 |
767 067 73
|
O-ring |
2 |
InternBDB: 26,7x1,78 / 902 854 V90 | InternKon: R910 949 999 / 12
|
|
|
|
23 |
767 068 73
|
Spring housing |
2 |
InternBDB: 914 300 | InternKon: R910 949 999 / 5
|
|
|
|
24 |
767 069 73
|
Spring plate |
2 |
InternBDB: 914 306 | InternKon: R910 949 999 / 3
|
|
|
|
25 |
767 070 73
|
Spring |
1 |
InternBDB: 927 034 | InternKon: R910 949 999 / 10
|
|
|
|
26 |
767 071 73
|
Spring |
1 |
InternBDB: 927 035 | InternKon: R910 949 999 / 9
|
|
|
|
27 |
767 072 73
|
Adjustment |
2 |
InternBDB: 923 647 | InternKon: R910 949 999 / 2
|
|
|
|
28 |
767 939 73
|
Nozzle |
1 |
InternBDB: M5x1.2 / 923 855 | InternKon: R910 928 163 / 19
|
|
|
|
29 |
767 073 73
|
Spring |
1 |
InternBDB: 931 601 | InternKon: R910 928 163 / 9
|
|
|
|
30 |
767 074 73
|
Spring |
1 |
InternBDB: 931 602 | InternKon: R910 928 163 / 10
|
|
|
|
31 |
763 523 73
|
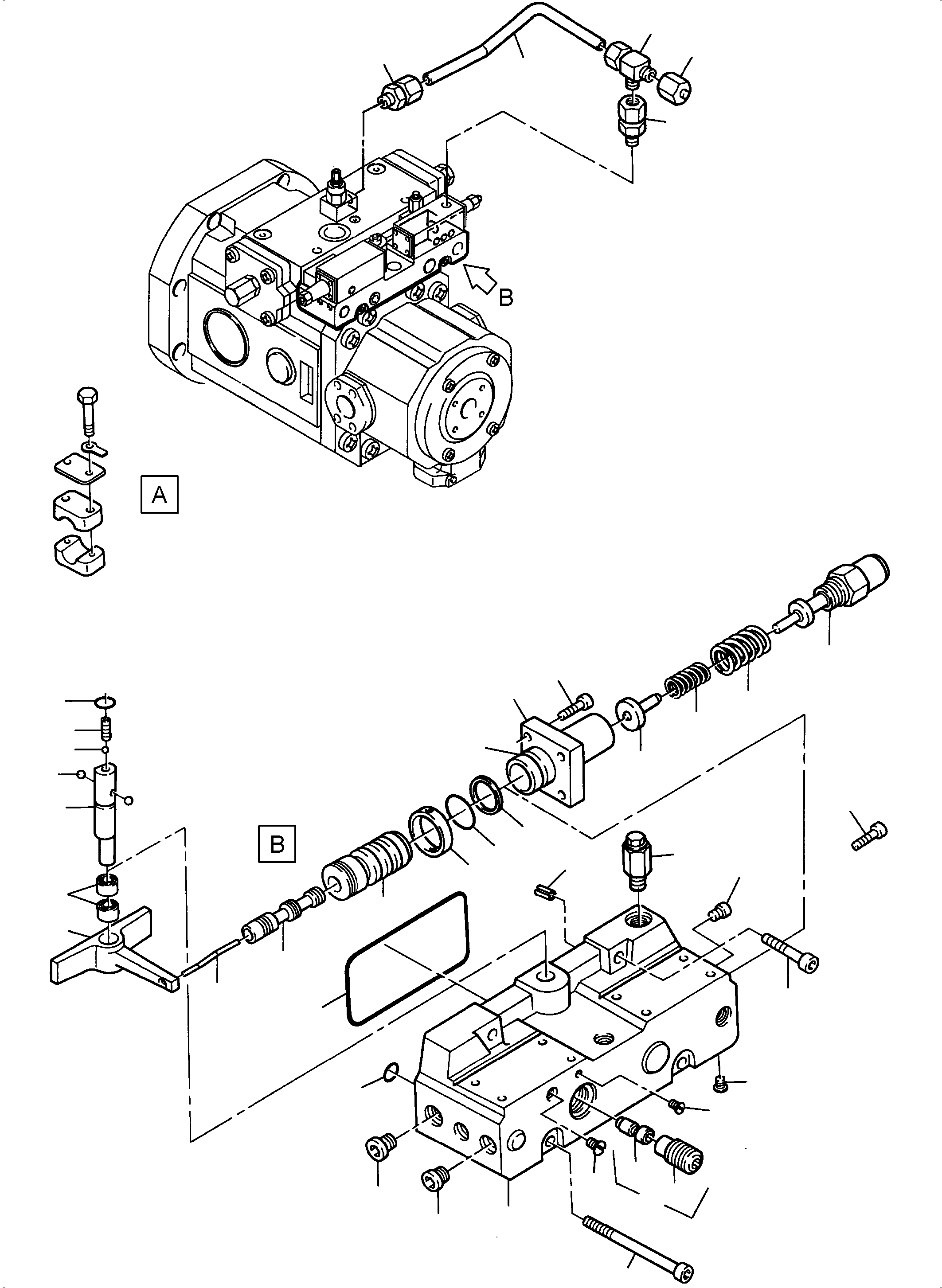
Pilot valve assy |
1 |
InternBDB: HDD/LRD-V 928 163 | InternKon: R910 995 840 / 4
|
|
|
|
32 |
767 936 73
|
Nut |
2 |
InternBDB: M27x2 / 939 736 | InternKon: R910 989 679 / 9
|
|
|
|
33 |
768 978 73
|
O-ring |
4 |
InternBDB: 34,59x2,62-S-FKM90 / 9831230 | InternKon: R910 989 679 / 35
|
|
|
|
34 |
767 935 73
|
Nut |
2 |
InternBDB: M27x2 / 939 720 | InternKon: R910 989 679 / 8
|
|
|
|
35 |
767 934 73
|
Treaded pin |
1 |
InternBDB: M27x2x112 / 939 805 | InternKon: R910 989 679 / 7
|
|
|
|
36 |
319 337 99
|
Bolt |
8 |
InternBDB: M24x60 / 10.9/912/ 922 408 | InternKon: R910 989 679 / 20
|
|
|
|
37 |
768 979 73
|
Piston housing |
1 |
InternBDB: 999 057 | InternKon: R910 989 679 / 2
|
|
|
|
38 |
767 056 73
|
Bolt |
5 |
InternBDB: M10x1 / 647 101 | InternKon: R910 989 679 / 30
|
|
|
|
|$$43 |
767 429 73
|
Gasket to fig.-no. 38 |
-2 |
InternBDB: ED 14x1,5 Viton
|
|
|
|
39 |
767 092 73
|
O-ring |
2 |
InternBDB: 15,54x2,62 / 302 139 V90 | InternKon: R910 989 679 / 33
|
|
|
|
40 |
514 917 98
|
O-ring |
2 |
InternBDB: 123,42x3,53 / 949 102 V70 | InternKon: R910 989 679 / 34
|
|
|
|
42 |
767 933 73
|
Set piston |
1 |
InternBDB: 962 003 | InternKon: R910 989 679 / 3
|
|
|
|
43 |
766 693 73
|
Bushing |
1 |
InternBDB: 984 915 | InternKon: R910 989 679 / 5
|
|
|
|
44 |
767 085 73
|
Guide shoe |
1 |
InternBDB: 803 604 | InternKon: R910 989 679 / 4
|
|
|
|
45 |
767 938 73
|
Spring |
1 |
InternBDB: 936 652 | InternKon: R910 989 679 / 23
|
|
|
|
46 |
767 937 73
|
Threaded pin |
1 |
InternBDB: M27x2x201 / 944 621 | InternKon: R910 989 679 / 6
|
|
|
|
47 |
768 980 73
|
Piston housing |
1 |
InternBDB: 999 093 | InternKon: R910 989 679 / 1
|
|
|
|
48 |
767 127 73
|
Bolt |
2 |
InternBDB: M18x1,5 / 647 152 | InternKon: R910 989 679 / 31
|
|
|
|
|$$53 |
767 431 73
|
Gasket to fig.-no. 48 |
-2 |
InternBDB: ED 18x1,5 Viton
|
|
|
|
49 |
763 522 73
|
Pilot valve assy |
1 |
InternBDB: LR2H - 949 999 | InternKon: R910 995 840 / 3
|
|
|
|
50 |
766 694 73
|
Valve assy. |
1 |
InternBDB: LR3DH(GN) /985 170 | InternKon: R910 995 840 / 2
|
|
|
|
51 |
766 695 73
|
Valve housing |
1 |
InternBDB: 985 062 | InternKon: R910 985 170 / 1
|
|
|
|
52 |
767 039 73
|
Plug |
3 |
InternBDB: M14x1,5 / 532 347 | InternKon: R910 985 170 / 19
|
|
|
|
|$$58 |
767 429 73
|
Gasket to fig.-no. 52 |
-2 |
InternBDB: ED 14x1,5 Viton
|
|
|
|
53 |
767 127 73
|
Plug |
2 |
InternBDB: M18x1,5 / 647 152 | InternKon: R910 985 170 / 20
|
|
|
|
|$$60 |
767 431 73
|
Gasket to fig.-no. 53 |
-2 |
InternBDB: ED 18x1,5 Viton
|
|
|
|
54 |
767 092 73
|
O-ring |
4 |
InternBDB: 15,54x2,62 / 302 139 V90 | InternKon: R910 985 170 / 28
|
|
|
|
55 |
767 093 73
|
O-ring |
1 |
InternBDB: 117,07x3,53 / 919 986 V70 | InternKon: R910 985 170 / 29
|
|
|
|
56 |
509 812 98
|
Bolt |
2 |
InternBDB: M10x100 8.8 /912 | InternKon: R910 985 170 / 24
|
|
|
|
57 |
769 128 73
|
Breaking plug |
3 |
InternBDB: M12 / 995 176 | InternKon: R910 985 170 / 36
|
|
|
|
58 |
999 046
|
Breaking plug |
3 |
InternBDB: M6 / 977 663 | InternKon: R910 985 170 / 34
|
|
|
|
59 |
767 095 73
|
Breaking plug |
2 |
InternBDB: M10 / 584 991 | InternKon: R910 985 170 / 35
|
|
|
|
60 |
319 150 99
|
Bolt |
2 |
InternBDB: M10x40 8.8 /912 | InternKon: R910 985 170 / 23
|
|
|
|
61 |
796 778 73
|
Non-return valve |
1 |
InternBDB: R902417140 | InternKon: R910 985 170 / 14
|
|
|
|
62 |
767 344 73
|
Gasket |
1 |
InternBDB: R910744654
|
|
|
|
63 |
345 040 99
|
Dowel sleeve |
1 |
InternBDB: 6x12 /1481 | InternKon: R910 985 170 / 25
|
|
|
|
64 |
766 697 73
|
Non return valve mounting kit |
1 |
InternBDB: 979 807 | InternKon: R910 985 170 / 15
|
|
|
|
65 |
767 106 73
|
O-ring |
1 |
InternBDB: 12,37x2,62 / 518 336 V90 | InternKon: R910 985 170 / 27
|
|
|
|
66 |
509 633 98
|
Threaded pin |
1 |
InternBDB: M8x20 10.9 / 915 | InternKon: R910 985 170 / 33
|
|
|
|
67 |
363 539 99
|
Ball |
1 |
InternBDB: Ш 6,5mm / 5401 | InternKon: R910 985 170 / 31
|
|
|
|
68 |
363 424 99
|
Ball |
2 |
InternBDB: Ш 8mm / 5401 | InternKon: R910 985 170 / 32
|
|
|
|
69 |
767 098 73
|
Eccentric stud |
1 |
InternBDB: 917 017 | InternKon: R910 985 170 / 2
|
|
|
|
70 |
756 820 73
|
Needle cage |
2 |
InternBDB: 909 603 | InternKon: R910 985 170 / 13
|
|
|
|
71 |
767 099 73
|
Lever |
1 |
InternBDB: 917 051 | InternKon: R910 985 170 / 3
|
|
|
|
72 |
767 100 73
|
Parallel pin |
1 |
InternBDB: 917 119 | InternKon: R910 985 170 / 4
|
|
|
|
73 |
767 101 73
|
Sleeve |
1 |
InternBDB: 917 120 | InternKon: R910 985 170 / 5
|
|
|
|
74 |
767 102 73
|
Bolt |
1 |
InternBDB: M4x5 / 945 463 | InternKon: R910 985 170 / 17
|
|
|
|
75 |
767 103 73
|
Union |
2 |
InternBDB: 8 SM WD V 914 163 | InternKon: R910 968 514 / 1
|
|
|
|
76 |
795 120 73
|
Pipe Ш 8 |
-2 |
InternBDB: 997 196 8 x 1.5 / 2391 | InternKon: R910 968 514 / 14
|
|
|
|
77 |
767 104 73
|
Union |
1 |
InternBDB: ETVD 8 S V 930 631 | InternKon: R910 968 514 / 5
|
|
|
|
78 |
767 105 73
|
Plug |
1 |
InternBDB: VS 8 L/S 723 126 | InternKon: R910 968 514 / 10
|
|
|
|
80 |
994 325
|
O-ring |
2 |
InternBDB: 10x2 Viton 80 | InternKon: R902 416 663 / 1
|
|
|
|
93 |
767 942 73
|
Plug |
1 |
InternBDB: NG6 V / 936 771 | InternKon: R910 938 331 / 1
|
|
|
|
94 |
767 943 73
|
Plug |
1 |
InternBDB: M16x1,5 / 938 328 | InternKon: R910 938 331 / 2
|
|
|
|
98 |
514 919 98
|
O-ring |
1 |
InternBDB: 88,49x3,53 / 800 559 V90 | InternKon: R910 989 679 / 36
|
|
|
|
99 |
767 945 73
|
Sliding ring |
1 |
InternBDB: GS-55045-0850-46-N / 939 267 | InternKon: R910 989 679 / 37
|
|
|
|
100 |
766 698 73
|
Indicator assy |
1 |
InternBDB: 978 423 | InternKon: R910 995 727 / 5
|
|
|
|
101 |
350 902 99
|
Grove drive stud |
2 |
InternBDB: 2x6 /1476 | InternKon: R910 978 423 / 10
|
|
|
|
102 |
319 417 99
|
Bolt |
1 |
InternBDB: M6 x 35 / 912 8.8 109 347 | InternKon: R910 978 423 / 9
|
|
|
|
103 |
766 699 73
|
Pointer |
1 |
InternBDB: 978 475 | InternKon: R910 978 423 / 4
|
|
|
|
104 |
766 700 73
|
Seal |
1 |
InternBDB: 919 866 | InternKon: R910 978 423 / 8
|
|
|
|
105 |
767 118 73
|
Scale |
1 |
InternBDB: 911 347 | InternKon: R910 978 423 / 5
|
|
|
|
106 |
766 701 73
|
Threaded pin |
1 |
InternBDB: 978 436 | InternKon: R910 978 423 / 1
|
|
|
|
107 |
767 120 73
|
O-ring |
1 |
InternBDB: 60,05 x 1,78 V70 919 864 | InternKon: R910 978 423 / 6
|
|
|
|
108 |
767 121 73
|
Quad-ring |
1 |
InternBDB: 34,52x3,53 / 4220-V7002 945 823 | InternKon: R910 978 423 / 7
|
|
|
|
110 |
766 702 73
|
Pivot |
1 |
InternBDB: 978 435 | InternKon: R910 978 423 / 2
|
|
|
|
111 |
767 124 73
|
Joint part |
1 |
InternBDB: 911 344 | InternKon: R910 978 423 / 3
|
|
|
|
112 |
345 370 99
|
Dowel sleeve |
1 |
InternBDB: 4x12 /1481 | InternKon: R910 978 423 / 12
|
|
|
|
113 |
964 736
|
Breaking plug |
1 |
InternBDB: M 8 / WN 1067 / 977 645 | InternKon: R910 995 727 / 18
|
|
|
|
114 |
767 901 73
|
Plug |
1 |
InternBDB: 8x12 /1,0 / 969 260 | InternKon: R910 995 727 / 22
|
|
|
|
115 |
767 902 73
|
Plug |
1 |
InternBDB: 8x12 / 0,8 / 970 352 | InternKon: R910 995 727 / 23
|
|
|
|
116 |
767 904 73
|
Cover |
1 |
InternBDB: A4VS 750 / 969 401 | InternKon: R910 995 727 / 27
|
|
|
|
117 |
319 140 99
|
Bolt |
3 |
InternBDB: M8x20 -8.8 /912 | InternKon: R910 995 727 / 28
|
|
|
|
118 |
767 903 73
|
Plug |
1 |
InternBDB: M12x1,5 / 647 136 | InternKon: R910 995 727 / 24
|
|
|
|
119 |
767 900 73
|
Plug |
1 |
InternBDB: M8x12 /1,5 / 969 261 | InternKon: R910 995 727 / 21
|
|
|
|
120 |
767 125 73
|
Pilot valve |
1 |
InternBDB: 948 868 | InternKon: R910 995 840 / 7
|
|
|
|
121 |
766 703 73
|
Pump housing |
1 |
InternBDB: 984 828 | InternKon: R910 995 727 / 2
|
|
|
|
122 |
767 127 73
|
Plug |
5 |
InternBDB: M18x1,5 647 152 | InternKon: R910 995 727 / 13
|
|
|
|
|$$113 |
767 431 73
|
Gasket to fig.-no. 122 |
-2 |
InternBDB: ED 18x1,5 Viton
|
|
|
|
123 |
767 128 73
|
Plug |
3 |
InternBDB: M48x2 WD-V/400 A3L / 942 230 | InternKon: R910 995 727 / 11
|
|
|
|
124 |
767 129 73
|
Thread pin assy. |
1 |
InternBDB: 919 862 | InternKon: R910 995 727 / 6
|
|
|
|
125 |
514 913 98
|
O-ring |
1 |
InternBDB: 350x4 V 80 / 948 940 | InternKon: R910 995 727 / 14
|
|
|
|
126 |
766 704 73
|
Power unit |
1 |
InternBDB: 995 725 | InternKon: R910 995 727 / 1
|
|
|
|
127 |
796 302 73
|
O-ring |
1 |
InternBDB: R902651068 | InternKon: R910 995 727 / 15
|
|
|
|
128 |
763 178 73
|
O-ring |
2 |
InternBDB: 15,54x2,51 / 923 835 | InternKon: R910 995 727 / 16
|
|
|
|
129 |
767 056 73
|
Plug |
3 |
InternBDB: M10x1 / 647101 | InternKon: R910 995 727 / 12
|
|
|
|
130 |
767 132 73
|
Dummy flange assy. |
1 |
InternBDB: 2" 6000 PSI / 933 351 | InternKon: R910 995 727 / 8
|
|
|
|
131 |
767 896 73
|
Housing |
1 |
InternBDB: 965 028 | InternKon: R910 995 727 / 4
|
|
|
|
132 |
319 340 99
|
Bolt |
8 |
InternBDB: M24x90 10.9 /912 | InternKon: R910 995 727 / 10
|
|
|
|
134 |
514 916 98
|
O-ring |
1 |
InternBDB: 195 x 2,5 V 80 / 764 728 | InternKon: R910 965 040 / 4
|
|
|
|
135 |
767 897 73
|
Cover assy. |
1 |
InternBDB: 965 040 | InternKon: R910 995 727 / 7
|
|
|
|
136 |
307 822 99
|
Bolt |
4 |
InternBDB: M16x30 8.8 /933 | InternKon: R910 965 040 / 3
|
|
|
|
137 |
767 930 73
|
Cover |
1 |
InternBDB: 964 348 | InternKon: R910 965 040 / 1
|
|
|
|
138 |
767 899 73
|
Plug |
4 |
InternBDB: M12 965 247 | InternKon: R910 995 727 / 19
|
|
|
|
139 |
767 892 73
|
Reducing union |
1 |
InternBDB: M 48x2 - M 22x1,5 / 926 178 | InternKon: R910 995 841 / 3
|
|
|
|
140 |
767 893 73
|
Seal |
1 |
InternBDB: M 48/2,0 FPED / 600 822 | InternKon: R910 995 841 / 4
|
|
|
|
141 |
767 096 73
|
Plug |
1 |
InternBDB: HN8-WD / M 22x1,5 V / 647 187 | InternKon: R910 995 841 / 5
|
|
|
|
147 |
767 923 73
|
Feather key |
1 |
InternBDB: 18x11x40 / 964 690 | InternKon: R910 995 725 / 23
|
|
|
|
148 |
342 555 99
|
Ring |
2 |
InternBDB: 60x2,0 / 471 / 082 953 | InternKon: R910 995 725 / 24
|
|
|
|
149 |
767 922 73
|
Idler |
1 |
InternBDB: A4VSLO 750 L / 964 965 | InternKon: R910 995 725 / 21
|
|
|
|
150 |
342 690 99
|
Ring |
1 |
InternBDB: 200x4 /472 | InternKon: R910 995 725 / 48
|
|
|
|
151 |
768 981 73
|
Sealing flange |
1 |
InternBDB: 2404945 | InternKon: R910 995 725 / 13
|
|
|
|
152 |
766 715 73
|
Ring |
1 |
InternBDB: BAB SL 1,0 110x130x7.0 75V 02 400 800 | InternKon: R910 995 725 / 30
|
|
|
|
153 |
000 224 98
|
O-ring |
1 |
InternBDB: 200x5 V80 967 196 | InternKon: R910 995 725 / 32
|
|
|
|
154 |
766 706 73
|
Drive shaft |
1 |
InternBDB: 995 686 | InternKon: R910 995 725 / 5
|
|
|
|
155 |
768 982 73
|
Supporting disc |
1 |
InternBDB: 118,0x130,0x3,5 995 889 | InternKon: R910 995 725 / 29
|
|
|
|
156 |
767 924 73
|
Bearing |
1 |
InternBDB: 966 760 | InternKon: R910 995 725 / 25
|
|
|
|
157 |
342 569 99
|
Ring |
1 |
InternBDB: 95x3 /471 | InternKon: R910 995 725 / 35
|
|
|
|
158 |
767 920 73
|
Shim washer |
2 |
InternBDB: 750 / 0,75mm / 969 282 | InternKon: R910 995 725 / 16
|
|
|
|
159 |
767 921 73
|
Shim washer |
2 |
InternBDB: PS 113,9x90x0,5 / 960 755 | InternKon: R910 995 725 / 17
|
|
|
|
160 |
767 927 73
|
Bolt |
2 |
InternBDB: 969 259 | InternKon: R910 995 725 / 22
|
|
|
|
161 |
767 912 73
|
Sliding block |
1 |
InternBDB: 935 544 | InternKon: R910 995 725 / 8
|
|
|
|
162 |
767 911 73
|
Pivot |
1 |
InternBDB: 935 543 | InternKon: R910 995 725 / 7
|
|
|
|
163 |
342 532 99
|
Ring |
1 |
InternBDB: 32x1,5 / 471 | InternKon: R910 995 725 / 34
|
|
|
|
164 |
767 919 73
|
Slider |
1 |
InternBDB: 983 271 | InternKon: R910 995 725 / 15
|
|
|
|
165 |
767 910 73
|
Balancer |
1 |
InternBDB: 967 562 | InternKon: R910 995 725 / 6
|
|
|
|
166 |
767 916 73
|
Segment |
4 |
InternBDB: 935 553 | InternKon: R910 995 725 / 12
|
|
|
|
167 |
766 707 73
|
Piston / guide shoe |
9 |
InternBDB: 970 335 | InternKon: R910 995 725 / 1
|
|
|
|
168 |
767 913 73
|
Plate |
1 |
InternBDB: 967 569 | InternKon: R910 995 725 / 9
|
|
|
|
169 |
767 915 73
|
Spacer block |
4 |
InternBDB: 967 566 | InternKon: R910 995 725 / 11
|
|
|
|
170 |
319 424 99
|
Bolt |
8 |
InternBDB: M8x55 8.8 /912 | InternKon: R910 995 725 / 42
|
|
|
|
171 |
766 708 73
|
Ball |
1 |
InternBDB: 983 757 | InternKon: R910 995 725 / 10
|
|
|
|
172 |
767 926 73
|
Spring |
20 |
InternBDB: 965 727 | InternKon: R910 995 725 / 27
|
|
|
|
176 |
319 429 99
|
Bolt |
6 |
InternBDB: M10x20 -8.8 /912 /109 592 | InternKon: R910 995 725 / 43
|
|
|
|
177 |
768 983 73
|
Cylinder with bushing |
1 |
InternBDB: 988 758 | InternKon: R910 995 725 / 3
|
|
|
|
178 |
767 908 73
|
Distribution plate |
1 |
InternBDB: 970 263 | InternKon: R910 995 725 / 4
|
|
|
|
179 |
766 710 73
|
Throttle screw |
1 |
InternBDB: M16x45 984 830 | InternKon: R910 995 727 / 20
|
|
|
|
180 |
767 925 73
|
Bearing |
1 |
InternBDB: RNU 62,24x100x37 / 978 527 | InternKon: R910 995 725 / 26
|
|
|
|
181 |
767 918 73
|
Bushing |
2 |
InternBDB: 946 533 | InternKon: R910 995 725 / 14
|
|
|
|
182 |
767 410 73
|
O-ring |
1 |
InternBDB: 56.47 x 3.4 V 90 967 060 | InternKon: R910 933 351 / 3
|
|
|
|
183 |
768 984 73
|
Adjustment assy. |
1 |
InternBDB: A4VS 750 LR2N / 30-V 999 925 | InternKon: R910 995 840 / 1
|
|
|
|
184 |
512 978 98
|
Bolt |
4 |
InternBDB: M 20 x 45 8.8 912 | InternKon: R910 933 351 / 2
|
|
|
|
185 |
767 409 73
|
O-ring |
1 |
InternBDB: 60.05 x 1.78 V70 919 864 | InternKon: R910 919 862 / 2
|
|
|
|
186 |
767 397 73
|
Dummy flange |
1 |
InternBDB: 966 758 2" 6000 Psi | InternKon: R910 933 351 / 1
|
|
|
|
187 |
766 713 73
|
Sealing bush |
1 |
InternBDB: 993 137 | InternKon: R910 995 725 / 19
|
|
|
|
188 |
766 714 73
|
Wheel |
1 |
InternBDB: 984 822 | InternKon: R910 995 725 / 20
|
|
|
|
189 |
766 717 73
|
O-ring |
1 |
InternBDB: 95x2,5 V80 | InternKon: R910 995 725 / 31
|
|
|
|
190 |
342 676 99
|
Circlip |
1 |
InternBDB: 130x4,0 /472 | InternKon: R910 995 725 / 40
|
|
|
|
191 |
767 929 73
|
Thread pin |
1 |
InternBDB: 911 341 | InternKon: R910 919 862 / 1
|
|
|
|
192 |
318 914 99
|
Screw |
4 |
InternBDB: M8x16 /912 10.9 | InternKon: R910 985 170 / 22
|
|
|
|
|$$175 |
795 709 73
|
Seal kit pump without valves concist. of fig no.33,39,40 98,99,104,107,108,125,127 128,134,153,182,185,189 |
1 |
InternBDB: E-ST
|
|
|
|
|$$176 |
767 160 73
|
Seal kit, pilot valve |
1 |
InternBDB: E-ST
|
|
|
|
|$$177 |
767 795 73
|
Seal kit adjustment assy. |
1 |
InternBDB: E-ST
|
|
|
|
|$$178 |
796 779 73
|
Seal kit, pilot valve |
1 |
InternBDB: R902416663
|
|
|
|
|$$179 |
767 312 73
|
Seal kit valve concist. of fig no. 52,53,54 55,62,20,21 |
1 |
InternBDB: E-ST
|
|
|
|
|$$180 |
|
|
-2 |
|
|