?
-2
?
915 247 40
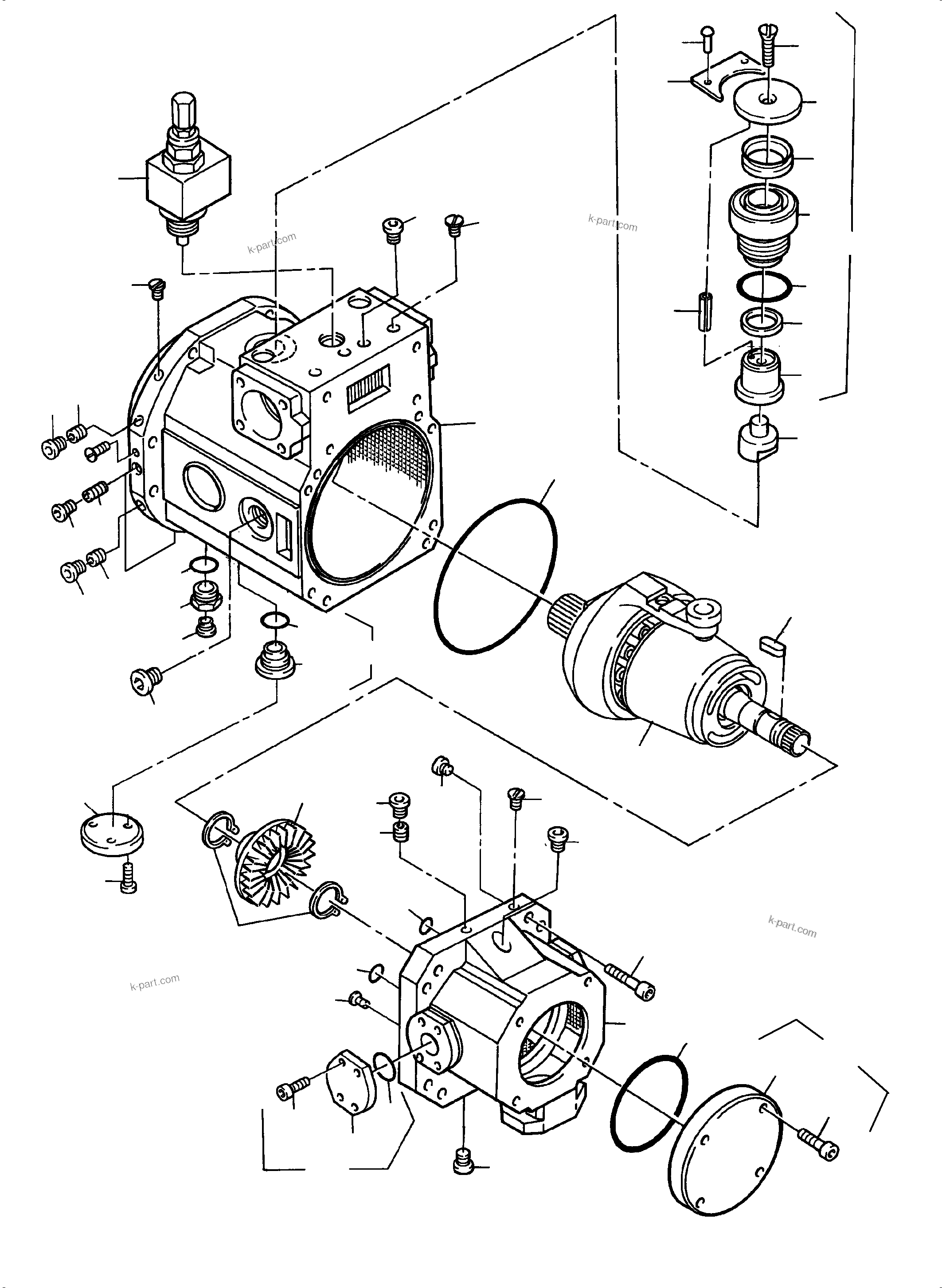
Hydraulic pump assy.
1
InternBDB: Brueninghaus A4VSLO 750 R902448132
?
919 597 40
Hydraulic pump assy. adjusted for a working altitude of 1600m
1
InternBDB: Brueninghaus A4VSLO 750 eingestellt auf Arbeitshцhe 1600m R9024
?
919 598 40
Hydraulic pump assy. adjusted for a working altitude of 4200m
1
InternBDB: Brueninghaus A4VSLO 750 eingestellt auf Arbeitshцhe 4200m R9024
?
767 051 73
Piston housing
2
InternBDB: 923 653 | InternKon: R910 949 999 / 1
?
767 052 73
Cover
2
InternBDB: 914 303 | InternKon: R910 949 999 / 6
?
767 053 73
Nozzle
1
InternBDB: M5x1.0 / 923 852 | InternKon: R910 949 999 / 23
?
319 540 99
Bolt
16
InternBDB: M8x16 / 10.9 / 912 | InternKon: R910 949 999 / 20
?
767 054 73
O-ring
2
InternBDB: 25,12x1,78 / 587 206 V90 | InternKon: R910 949 999 / 21
?
767 055 73
Support ring
2
InternBDB: SG 25,1x28x1,4 / 925 020 | InternKon: R910 949 999 / 26
?
964 770
Plug
4
InternBDB: M5 WN1067 / 575 143 | InternKon: R910 949 999 / 16
?
767 039 73
Plug
5
InternBDB: M14x1,5 / 532 347 | InternKon: R910 949 999 / 11
?
767 429 73
Gasket to fig.-no. 09
-2
InternBDB: ED 14x1,5 Viton
?
767 056 73
Plug
2
InternBDB: M10x1 / 647 101 | InternKon: R910 949 999 / 13
?
319 248 99
Bolt
8
InternBDB: M8x70 / 10.9 /912 | InternKon: R910 995 840 / 5
?
767 057 73
Threaded pin
6
InternBDB: M5x8 / 465 976 | InternKon: R910 949 999 / 18
?
767 058 73
Plug
8
InternBDB: M8x1 / 788 317 | InternKon: R910 949 999 / 15
?
511 561 98
O-ring
10
InternBDB: 12x2 / 080 543 V80 | InternKon: R910 949 999 / 14
?
313 405 99
Plug
2
InternBDB: M10x1 / 108 0057 / 906 | InternKon: R910 949 999 / 8
?
767 061 73
Roller
2
InternBDB: 11x11 /5402 / 921 023 | InternKon: R910 949 999 / 22
?
767 062 73
Piston
1
InternBDB: 914 302 | InternKon: R910 928 163 / 7
?
767 063 73
Piston
2
InternBDB: 914 305 | InternKon: R910 949 999 / 4
?
767 064 73
ring
2
InternBDB: 929 747 | InternKon: R910 949 999 / 29
?
767 065 73
Support ring
2
InternBDB: SG 27,1x30x1,4 / 921 451 | InternKon: R910 949 999 / 27
?
767 066 73
O-ring
1
InternBDB: 28,3x1,78 / 916 166 V90 | InternKon: R910 949 999 / 17
?
767 067 73
O-ring
2
InternBDB: 26,7x1,78 / 902 854 V90 | InternKon: R910 949 999 / 12
?
767 068 73
Spring housing
2
InternBDB: 914 300 | InternKon: R910 949 999 / 5
?
767 069 73
Spring plate
2
InternBDB: 914 306 | InternKon: R910 949 999 / 3
?
767 070 73
Spring
1
InternBDB: 927 034 | InternKon: R910 949 999 / 10
?
767 071 73
Spring
1
InternBDB: 927 035 | InternKon: R910 949 999 / 9
?
767 072 73
Adjustment
2
InternBDB: 923 647 | InternKon: R910 949 999 / 2
?
767 939 73
Nozzle
1
InternBDB: M5x1.2 / 923 855 | InternKon: R910 928 163 / 19
?
767 073 73
Spring
1
InternBDB: 931 601 | InternKon: R910 928 163 / 9
?
767 074 73
Spring
1
InternBDB: 931 602 | InternKon: R910 928 163 / 10
?
763 523 73
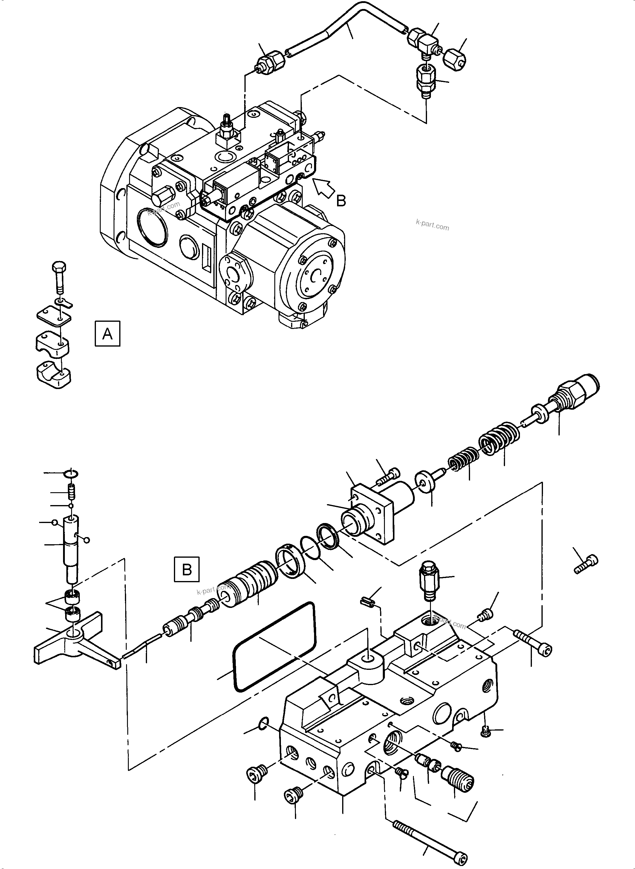
Pilot valve assy
1
InternBDB: HDD/LRD-V 928 163 | InternKon: R910 995 840 / 4
?
767 936 73
Nut
2
InternBDB: M27x2 / 939 736 | InternKon: R910 989 679 / 9
?
768 978 73
O-ring
4
InternBDB: 34,59x2,62-S-FKM90 / 9831230 | InternKon: R910 989 679 / 35
?
767 935 73
Nut
2
InternBDB: M27x2 / 939 720 | InternKon: R910 989 679 / 8
?
767 934 73
Treaded pin
1
InternBDB: M27x2x112 / 939 805 | InternKon: R910 989 679 / 7
?
319 337 99
Bolt
8
InternBDB: M24x60 / 10.9/912/ 922 408 | InternKon: R910 989 679 / 20
?
768 979 73
Piston housing
1
InternBDB: 999 057 | InternKon: R910 989 679 / 2
?
767 056 73
Bolt
5
InternBDB: M10x1 / 647 101 | InternKon: R910 989 679 / 30
?
767 429 73
Gasket to fig.-no. 38
-2
InternBDB: ED 14x1,5 Viton
?
767 092 73
O-ring
2
InternBDB: 15,54x2,62 / 302 139 V90 | InternKon: R910 989 679 / 33
?
514 917 98
O-ring
2
InternBDB: 123,42x3,53 / 949 102 V70 | InternKon: R910 989 679 / 34
?
767 933 73
Set piston
1
InternBDB: 962 003 | InternKon: R910 989 679 / 3
?
766 693 73
Bushing
1
InternBDB: 984 915 | InternKon: R910 989 679 / 5
?
767 085 73
Guide shoe
1
InternBDB: 803 604 | InternKon: R910 989 679 / 4
?
767 938 73
Spring
1
InternBDB: 936 652 | InternKon: R910 989 679 / 23
?
767 937 73
Threaded pin
1
InternBDB: M27x2x201 / 944 621 | InternKon: R910 989 679 / 6
?
768 980 73
Piston housing
1
InternBDB: 999 093 | InternKon: R910 989 679 / 1
?
767 127 73
Bolt
2
InternBDB: M18x1,5 / 647 152 | InternKon: R910 989 679 / 31
?
767 431 73
Gasket to fig.-no. 48
-2
InternBDB: ED 18x1,5 Viton
?
763 522 73
Pilot valve assy
1
InternBDB: LR2H - 949 999 | InternKon: R910 995 840 / 3
?
766 694 73
Valve assy.
1
InternBDB: LR3DH(GN) /985 170 | InternKon: R910 995 840 / 2
?
766 695 73
Valve housing
1
InternBDB: 985 062 | InternKon: R910 985 170 / 1
?
767 039 73
Plug
3
InternBDB: M14x1,5 / 532 347 | InternKon: R910 985 170 / 19
?
767 429 73
Gasket to fig.-no. 52
-2
InternBDB: ED 14x1,5 Viton
?
767 127 73
Plug
2
InternBDB: M18x1,5 / 647 152 | InternKon: R910 985 170 / 20
?
767 431 73
Gasket to fig.-no. 53
-2
InternBDB: ED 18x1,5 Viton
?
767 092 73
O-ring
4
InternBDB: 15,54x2,62 / 302 139 V90 | InternKon: R910 985 170 / 28
?
767 093 73
O-ring
1
InternBDB: 117,07x3,53 / 919 986 V70 | InternKon: R910 985 170 / 29
?
509 812 98
Bolt
2
InternBDB: M10x100 8.8 /912 | InternKon: R910 985 170 / 24
?
769 128 73
Breaking plug
3
InternBDB: M12 / 995 176 | InternKon: R910 985 170 / 36
?
999 046
Breaking plug
3
InternBDB: M6 / 977 663 | InternKon: R910 985 170 / 34
?
767 095 73
Breaking plug
2
InternBDB: M10 / 584 991 | InternKon: R910 985 170 / 35
?
319 150 99
Bolt
2
InternBDB: M10x40 8.8 /912 | InternKon: R910 985 170 / 23
?
796 778 73
Non-return valve
1
InternBDB: R902417140 | InternKon: R910 985 170 / 14
?
767 344 73
Gasket
1
InternBDB: R910744654
?
345 040 99
Dowel sleeve
1
InternBDB: 6x12 /1481 | InternKon: R910 985 170 / 25
?
766 697 73
Non return valve mounting kit
1
InternBDB: 979 807 | InternKon: R910 985 170 / 15
?
767 106 73
O-ring
1
InternBDB: 12,37x2,62 / 518 336 V90 | InternKon: R910 985 170 / 27
?
509 633 98
Threaded pin
1
InternBDB: M8x20 10.9 / 915 | InternKon: R910 985 170 / 33
?
363 539 99
Ball
1
InternBDB: Ш 6,5mm / 5401 | InternKon: R910 985 170 / 31
?
363 424 99
Ball
2
InternBDB: Ш 8mm / 5401 | InternKon: R910 985 170 / 32
?
767 098 73
Eccentric stud
1
InternBDB: 917 017 | InternKon: R910 985 170 / 2
?
756 820 73
Needle cage
2
InternBDB: 909 603 | InternKon: R910 985 170 / 13
?
767 099 73
Lever
1
InternBDB: 917 051 | InternKon: R910 985 170 / 3
?
767 100 73
Parallel pin
1
InternBDB: 917 119 | InternKon: R910 985 170 / 4
?
767 101 73
Sleeve
1
InternBDB: 917 120 | InternKon: R910 985 170 / 5
?
767 102 73
Bolt
1
InternBDB: M4x5 / 945 463 | InternKon: R910 985 170 / 17
?
767 103 73
Union
2
InternBDB: 8 SM WD V 914 163 | InternKon: R910 968 514 / 1
?
795 120 73
Pipe Ш 8
-2
InternBDB: 997 196 8 x 1.5 / 2391 | InternKon: R910 968 514 / 14
?
767 104 73
Union
1
InternBDB: ETVD 8 S V 930 631 | InternKon: R910 968 514 / 5
?
767 105 73
Plug
1
InternBDB: VS 8 L/S 723 126 | InternKon: R910 968 514 / 10
?
994 325
O-ring
2
InternBDB: 10x2 Viton 80 | InternKon: R902 416 663 / 1
?
767 942 73
Plug
1
InternBDB: NG6 V / 936 771 | InternKon: R910 938 331 / 1
?
767 943 73
Plug
1
InternBDB: M16x1,5 / 938 328 | InternKon: R910 938 331 / 2
?
514 919 98
O-ring
1
InternBDB: 88,49x3,53 / 800 559 V90 | InternKon: R910 989 679 / 36
?
767 945 73
Sliding ring
1
InternBDB: GS-55045-0850-46-N / 939 267 | InternKon: R910 989 679 / 37
?
766 698 73
Indicator assy
1
InternBDB: 978 423 | InternKon: R910 995 727 / 5
?
350 902 99
Grove drive stud
2
InternBDB: 2x6 /1476 | InternKon: R910 978 423 / 10
?
319 417 99
Bolt
1
InternBDB: M6 x 35 / 912 8.8 109 347 | InternKon: R910 978 423 / 9
?
766 699 73
Pointer
1
InternBDB: 978 475 | InternKon: R910 978 423 / 4
?
766 700 73
Seal
1
InternBDB: 919 866 | InternKon: R910 978 423 / 8
?
767 118 73
Scale
1
InternBDB: 911 347 | InternKon: R910 978 423 / 5
?
766 701 73
Threaded pin
1
InternBDB: 978 436 | InternKon: R910 978 423 / 1
?
767 120 73
O-ring
1
InternBDB: 60,05 x 1,78 V70 919 864 | InternKon: R910 978 423 / 6
?
767 121 73
Quad-ring
1
InternBDB: 34,52x3,53 / 4220-V7002 945 823 | InternKon: R910 978 423 / 7
?
766 702 73
Pivot
1
InternBDB: 978 435 | InternKon: R910 978 423 / 2
?
767 124 73
Joint part
1
InternBDB: 911 344 | InternKon: R910 978 423 / 3
?
345 370 99
Dowel sleeve
1
InternBDB: 4x12 /1481 | InternKon: R910 978 423 / 12
?
964 736
Breaking plug
1
InternBDB: M 8 / WN 1067 / 977 645 | InternKon: R910 995 727 / 18
?
767 901 73
Plug
1
InternBDB: 8x12 /1,0 / 969 260 | InternKon: R910 995 727 / 22
?
767 902 73
Plug
1
InternBDB: 8x12 / 0,8 / 970 352 | InternKon: R910 995 727 / 23
?
767 904 73
Cover
1
InternBDB: A4VS 750 / 969 401 | InternKon: R910 995 727 / 27
?
319 140 99
Bolt
3
InternBDB: M8x20 -8.8 /912 | InternKon: R910 995 727 / 28
?
767 903 73
Plug
1
InternBDB: M12x1,5 / 647 136 | InternKon: R910 995 727 / 24
?
767 900 73
Plug
1
InternBDB: M8x12 /1,5 / 969 261 | InternKon: R910 995 727 / 21
?
767 125 73
Pilot valve
1
InternBDB: 948 868 | InternKon: R910 995 840 / 7
?
766 703 73
Pump housing
1
InternBDB: 984 828 | InternKon: R910 995 727 / 2
?
767 127 73
Plug
5
InternBDB: M18x1,5 647 152 | InternKon: R910 995 727 / 13
?
767 431 73
Gasket to fig.-no. 122
-2
InternBDB: ED 18x1,5 Viton
?
767 128 73
Plug
3
InternBDB: M48x2 WD-V/400 A3L / 942 230 | InternKon: R910 995 727 / 11
?
767 129 73
Thread pin assy.
1
InternBDB: 919 862 | InternKon: R910 995 727 / 6
?
514 913 98
O-ring
1
InternBDB: 350x4 V 80 / 948 940 | InternKon: R910 995 727 / 14
?
766 704 73
Power unit
1
InternBDB: 995 725 | InternKon: R910 995 727 / 1
?
796 302 73
O-ring
1
InternBDB: R902651068 | InternKon: R910 995 727 / 15
?
763 178 73
O-ring
2
InternBDB: 15,54x2,51 / 923 835 | InternKon: R910 995 727 / 16
?
767 056 73
Plug
3
InternBDB: M10x1 / 647101 | InternKon: R910 995 727 / 12
?
767 132 73
Dummy flange assy.
1
InternBDB: 2" 6000 PSI / 933 351 | InternKon: R910 995 727 / 8
?
767 896 73
Housing
1
InternBDB: 965 028 | InternKon: R910 995 727 / 4
?
319 340 99
Bolt
8
InternBDB: M24x90 10.9 /912 | InternKon: R910 995 727 / 10
?
514 916 98
O-ring
1
InternBDB: 195 x 2,5 V 80 / 764 728 | InternKon: R910 965 040 / 4
?
767 897 73
Cover assy.
1
InternBDB: 965 040 | InternKon: R910 995 727 / 7
?
307 822 99
Bolt
4
InternBDB: M16x30 8.8 /933 | InternKon: R910 965 040 / 3
?
767 930 73
Cover
1
InternBDB: 964 348 | InternKon: R910 965 040 / 1
?
767 899 73
Plug
4
InternBDB: M12 965 247 | InternKon: R910 995 727 / 19
?
767 892 73
Reducing union
1
InternBDB: M 48x2 - M 22x1,5 / 926 178 | InternKon: R910 995 841 / 3
?
767 893 73
Seal
1
InternBDB: M 48/2,0 FPED / 600 822 | InternKon: R910 995 841 / 4
?
767 096 73
Plug
1
InternBDB: HN8-WD / M 22x1,5 V / 647 187 | InternKon: R910 995 841 / 5
?
767 923 73
Feather key
1
InternBDB: 18x11x40 / 964 690 | InternKon: R910 995 725 / 23
?
342 555 99
Ring
2
InternBDB: 60x2,0 / 471 / 082 953 | InternKon: R910 995 725 / 24
?
767 922 73
Idler
1
InternBDB: A4VSLO 750 L / 964 965 | InternKon: R910 995 725 / 21
?
342 690 99
Ring
1
InternBDB: 200x4 /472 | InternKon: R910 995 725 / 48
?
768 981 73
Sealing flange
1
InternBDB: 2404945 | InternKon: R910 995 725 / 13
?
766 715 73
Ring
1
InternBDB: BAB SL 1,0 110x130x7.0 75V 02 400 800 | InternKon: R910 995 725 / 30
?
000 224 98
O-ring
1
InternBDB: 200x5 V80 967 196 | InternKon: R910 995 725 / 32
?
766 706 73
Drive shaft
1
InternBDB: 995 686 | InternKon: R910 995 725 / 5
?
768 982 73
Supporting disc
1
InternBDB: 118,0x130,0x3,5 995 889 | InternKon: R910 995 725 / 29
?
767 924 73
Bearing
1
InternBDB: 966 760 | InternKon: R910 995 725 / 25
?
342 569 99
Ring
1
InternBDB: 95x3 /471 | InternKon: R910 995 725 / 35
?
767 920 73
Shim washer
2
InternBDB: 750 / 0,75mm / 969 282 | InternKon: R910 995 725 / 16
?
767 921 73
Shim washer
2
InternBDB: PS 113,9x90x0,5 / 960 755 | InternKon: R910 995 725 / 17
?
767 927 73
Bolt
2
InternBDB: 969 259 | InternKon: R910 995 725 / 22
?
767 912 73
Sliding block
1
InternBDB: 935 544 | InternKon: R910 995 725 / 8
?
767 911 73
Pivot
1
InternBDB: 935 543 | InternKon: R910 995 725 / 7
?
342 532 99
Ring
1
InternBDB: 32x1,5 / 471 | InternKon: R910 995 725 / 34
?
767 919 73
Slider
1
InternBDB: 983 271 | InternKon: R910 995 725 / 15
?
767 910 73
Balancer
1
InternBDB: 967 562 | InternKon: R910 995 725 / 6
?
767 916 73
Segment
4
InternBDB: 935 553 | InternKon: R910 995 725 / 12
?
766 707 73
Piston / guide shoe
9
InternBDB: 970 335 | InternKon: R910 995 725 / 1
?
767 913 73
Plate
1
InternBDB: 967 569 | InternKon: R910 995 725 / 9
?
767 915 73
Spacer block
4
InternBDB: 967 566 | InternKon: R910 995 725 / 11
?
319 424 99
Bolt
8
InternBDB: M8x55 8.8 /912 | InternKon: R910 995 725 / 42
?
766 708 73
Ball
1
InternBDB: 983 757 | InternKon: R910 995 725 / 10
?
767 926 73
Spring
20
InternBDB: 965 727 | InternKon: R910 995 725 / 27
?
319 429 99
Bolt
6
InternBDB: M10x20 -8.8 /912 /109 592 | InternKon: R910 995 725 / 43
?
768 983 73
Cylinder with bushing
1
InternBDB: 988 758 | InternKon: R910 995 725 / 3
?
767 908 73
Distribution plate
1
InternBDB: 970 263 | InternKon: R910 995 725 / 4
?
766 710 73
Throttle screw
1
InternBDB: M16x45 984 830 | InternKon: R910 995 727 / 20
?
767 925 73
Bearing
1
InternBDB: RNU 62,24x100x37 / 978 527 | InternKon: R910 995 725 / 26
?
767 918 73
Bushing
2
InternBDB: 946 533 | InternKon: R910 995 725 / 14
?
767 410 73
O-ring
1
InternBDB: 56.47 x 3.4 V 90 967 060 | InternKon: R910 933 351 / 3
?
768 984 73
Adjustment assy.
1
InternBDB: A4VS 750 LR2N / 30-V 999 925 | InternKon: R910 995 840 / 1
?
512 978 98
Bolt
4
InternBDB: M 20 x 45 8.8 912 | InternKon: R910 933 351 / 2
?
767 409 73
O-ring
1
InternBDB: 60.05 x 1.78 V70 919 864 | InternKon: R910 919 862 / 2
?
767 397 73
Dummy flange
1
InternBDB: 966 758 2" 6000 Psi | InternKon: R910 933 351 / 1
?
766 713 73
Sealing bush
1
InternBDB: 993 137 | InternKon: R910 995 725 / 19
?
766 714 73
Wheel
1
InternBDB: 984 822 | InternKon: R910 995 725 / 20
?
766 717 73
O-ring
1
InternBDB: 95x2,5 V80 | InternKon: R910 995 725 / 31
?
342 676 99
Circlip
1
InternBDB: 130x4,0 /472 | InternKon: R910 995 725 / 40
?
767 929 73
Thread pin
1
InternBDB: 911 341 | InternKon: R910 919 862 / 1
?
318 914 99
Screw
4
InternBDB: M8x16 /912 10.9 | InternKon: R910 985 170 / 22
?
795 709 73
Seal kit pump without valves concist. of fig no.33,39,40 98,99,104,107,108,125,127 128,134,153,182,185,189
1
InternBDB: E-ST
?
767 160 73
Seal kit, pilot valve
1
InternBDB: E-ST
?
767 795 73
Seal kit adjustment assy.
1
InternBDB: E-ST
?
796 779 73
Seal kit, pilot valve
1
InternBDB: R902416663
?
767 312 73
Seal kit valve concist. of fig no. 52,53,54 55,62,20,21
1
InternBDB: E-ST
?
-2