|
|
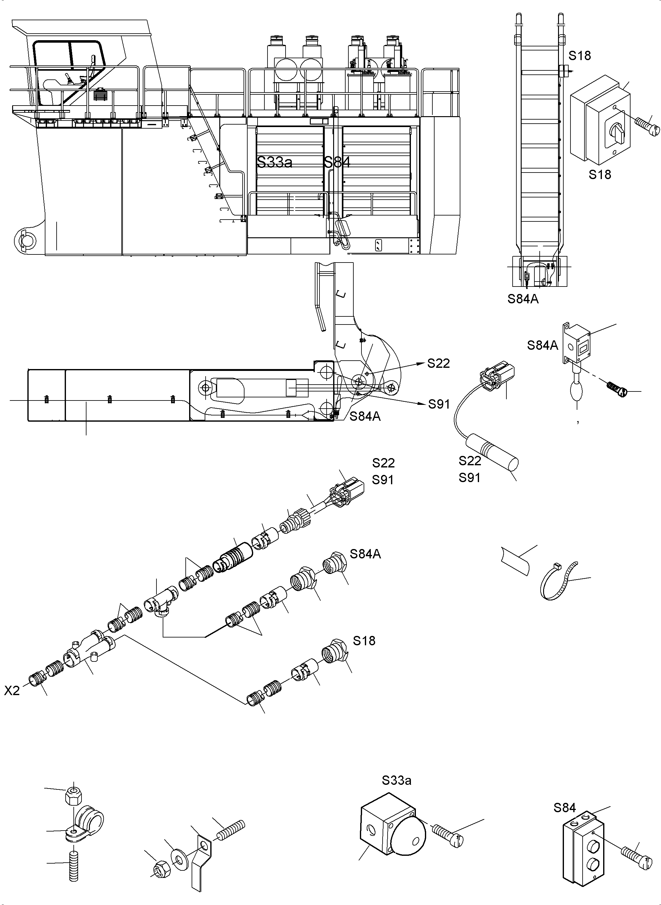
01 |
635 143 40
|
Emergency switch-off |
1 |
InternBDB: Klцckner-Mцller FAK-R/V/KC11A/I | InternKon: 916 647 40 / 3
|
|
|
|
02 |
907 665 40
|
Double press button |
1 |
InternBDB: Kцckner-Mцller M22-I2-M1 216529 | InternKon: 916 647 40 / 5
|
|
|
|
03 |
915 252 40
|
Switch assy. |
2 |
InternKon: 923 569 40 / 4
|
|
|
|
04 |
461 809 40
|
Switch |
2 |
InternBDB: IG 5246 IGB 3005 IFM | InternKon: 915 252 40 / 2
|
|
|
|
05 |
891 040 40
|
Plug with bushings assy. |
2 |
InternKon: 915 252 40 / 1
|
|
|
|
06 |
635 043 40
|
Name plate |
4 |
InternBDB: BS 5 55476 | InternKon: 915 252 40 / 3
|
|
|
|
07 |
056 292 40
|
Cable strap |
4 |
InternBDB: TY 23 M | InternKon: 915 252 40 / 4
|
|
|
|
08 |
923 172 40
|
Harness - ladder |
1 |
InternKon: 923 170 40 / 17
|
|
|
|
08 |
923 168 40
|
Harness - ladder, cold weather |
1 |
InternKon: 923 170 40 / 17
|
|
|
|
09 |
655 626 40
|
Distributor D 17/12 |
1 |
InternBDB: BVYR-17 12 12 GTT | InternKon: 923 172 40 / 2
|
|
|
|
10 |
891 040 40
|
Plug with pins assy. |
2 |
InternKon: 923 172 40 / 1
|
|
|
|
11 |
655 651 40
|
Protecting hose DN 17 |
-2 |
InternBDB: VCSG-17 B | InternKon: 923 172 40 / 9
|
|
|
|
12 |
907 693 40
|
Fitting M20/NW17 |
1 |
InternBDB: PMA BVIR-M207 | InternKon: 923 172 40 / 3
|
|
|
|
13 |
907 708 40
|
Cable union PG 13,5 |
1 |
InternBDB: Pflitsch 052 YNPM 6x2,5 | InternKon: 923 172 40 / 7
|
|
|
|
14 |
907 623 40
|
Cable union NW 12 |
2 |
InternBDB: PMA BVNV-M202 | InternKon: 923 172 40 / 4
|
|
|
|
15 |
655 650 40
|
Protecting hose DN 12 |
-2 |
InternBDB: VCST-12 B | InternKon: 923 172 40 / 16
|
|
|
|
16 |
515 214 40
|
Cable 2,5 |
-2 |
InternKon: 923 172 40 / 13
|
|
|
|
17 |
515 213 40
|
Cable 1,0 |
-2 |
InternKon: 923 172 40 / 14
|
|
|
|
18 |
517 326 98
|
Reducing M16x1,5 - M12x1,5 |
2 |
InternBDB: DINEN 50262 | InternKon: 923 172 40 / 5
|
|
|
|
19 |
517 327 98
|
Reducing M20x1,5 - M16x1,5 |
1 |
InternBDB: DINEN 50262 | InternKon: 923 172 40 / 6
|
|
|
|
20 |
056 070 40
|
Cable sleeve |
11 |
InternKon: 923 172 40 / 10
|
|
|
|
21 |
003 670 79
|
Clip |
2 |
InternKon: 903 399 40 / 1
|
|
|
|
22 |
510 210 98
|
Thread pin |
28 |
InternBDB: PM 6x20 /32500 | InternKon: 903 399 40 / 2
|
|
|
|
23 |
507 025 98
|
Nut |
28 |
InternBDB: M 6 /985 | InternKon: 903 399 40 / 3
|
|
|
|
24 |
350 762 99
|
Washer |
2 |
InternBDB: 6,6 /440 | InternKon: 903 399 40 / 4
|
|
|
|
25 |
006 339 98
|
Clamp 18/15 |
12 |
InternBDB: RSGU 1100 18/15 | InternKon: 910 798 40 / 1
|
|
|
|
26 |
006 303 98
|
Clamp 22/15 |
6 |
InternBDB: RSGU 1100 22/15 | InternKon: 910 799 40 / 1
|
|
|
|
27 |
006 301 98
|
Clamp 12/15 |
8 |
InternBDB: RSGU 1100 12/15 | InternKon: 910 019 40 / 1
|
|
|
|
28 |
320 974 99
|
Screw |
4 |
InternBDB: M4x10 /84 | InternKon: 923 576 40 / 12
|
|
|
|
29 |
321 010 99
|
Screw |
2 |
InternBDB: M5x25 /84 | InternKon: 916 647 40 / 4
|
|
|
|
30 |
551 362 40
|
Camswitch |
1 |
InternBDB: T0-1-8220/I | InternKon: 923 576 40 / 6
|
|
|
|
31 |
255 680 40
|
Pull switch |
1 |
InternBDB: ES 61WZ 10 E /1S | InternKon: 923 569 40 / 6
|
|
|
|
32 |
906 420 40
|
T-Distributor |
1 |
InternBDB: Bftl-121212TTT | InternKon: 923 172 40 / 15
|
|
|
|
33 |
320 977 99
|
Bolt |
3 |
InternBDB: M4x25/84 | InternKon: 923 569 40 / 7
|
|
|
|
34 |
098 955 40
|
Ring |
3 |
InternKon: 923 569 40 / 8
|
|
|
|
35 |
472 688 99
|
Chain |
-2 |
InternKon: 923 569 40 / 9
|
|
|
|
36 |
655 633 40
|
Pipe adapter NW 17/12 |
1 |
InternBDB: BAVR-17G12T | InternKon: 923 172 40 / 8
|
|