|
|
01 |
923 572 40
|
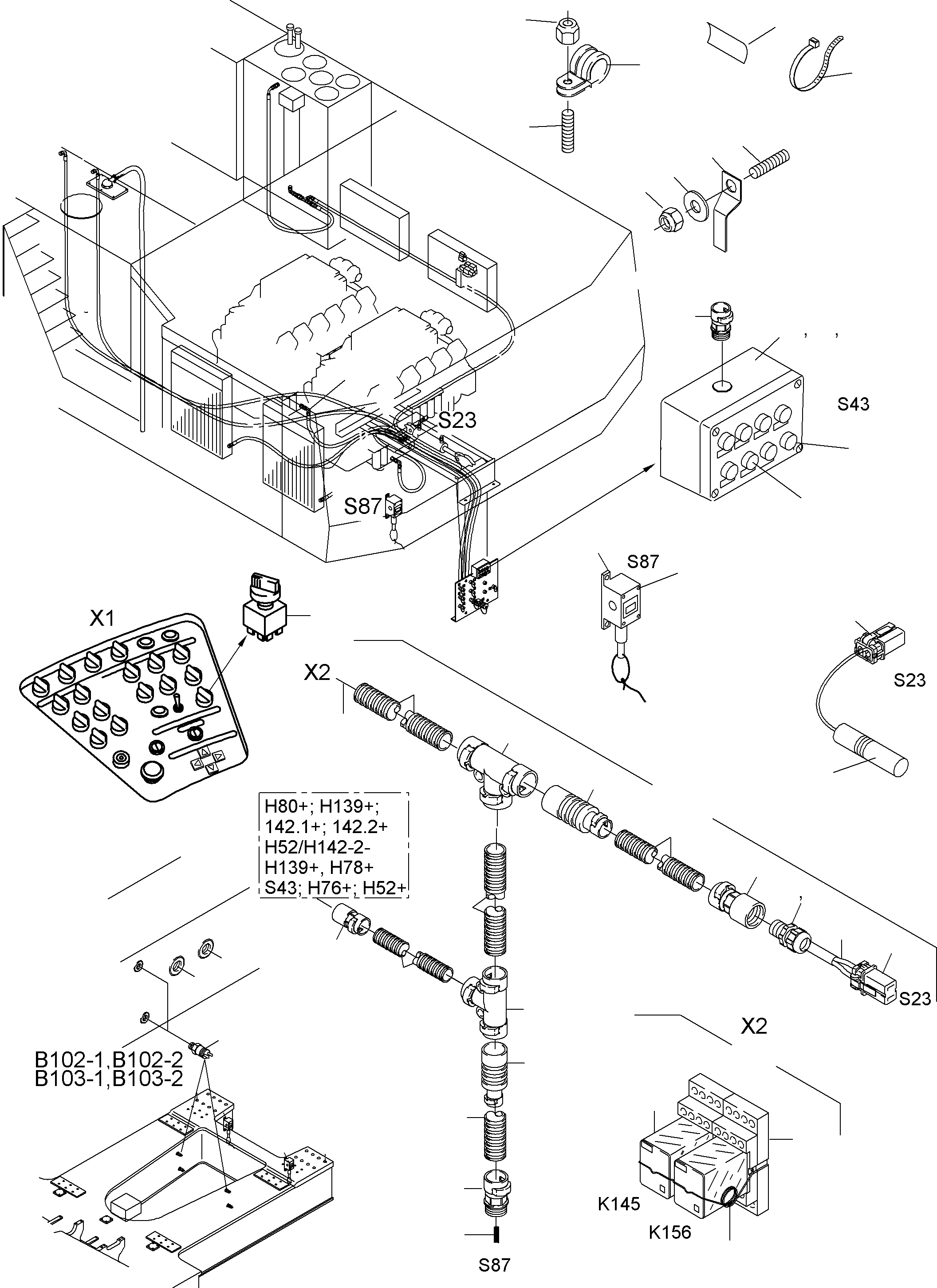
Harness - refueling |
1 |
InternKon: 942 017 40 / 1
|
|
|
|
02 |
006 301 98
|
Clamp 12/15 |
16 |
InternBDB: RSGU 1100 12/15 | InternKon: 910 019 40 / 1
|
|
|
|
03 |
510 210 98
|
Thread pin |
36 |
InternBDB: PM 6x20 /32500 | InternKon: 910 019 40 / 2
|
|
|
|
04 |
507 025 98
|
Nut |
36 |
InternBDB: M 6 /985 | InternKon: 910 019 40 / 3
|
|
|
|
05 |
145 831 40
|
Clamp 20/15 |
26 |
InternBDB: RSGU 1100 20/15 | InternKon: 898 699 40 / 1
|
|
|
|
06 |
323 430 40
|
Housing, empty |
1 |
InternBDB: (915 539 40ist jetzt eine Baugruppe) | InternKon: 915 539 40 / 1
|
|
|
|
07 |
323 677 40
|
Press button adapter, red |
1 |
InternBDB: Lumitas 040 122 | InternKon: 915 539 40 / 5
|
|
|
|
08 |
255 328 40
|
Circuit element |
1 |
InternBDB: Lumitas 04.91050 | InternKon: 915 539 40 / 4
|
|
|
|
09 |
323 675 40
|
Indicator light, red |
7 |
InternBDB: Lumitas 04.0002 | InternKon: 942 119 40 / 1
|
|
|
|
10 |
940 735 40
|
Light emitting diode, red |
7 |
InternBDB: BA9S T10x25 24V AC/DC 384-5705 | InternKon: 942 119 40 / 2
|
|
|
|
11 |
903 423 40
|
Graphical symbol |
1 |
InternKon: 915 539 40 / 3
|
|
|
|
12 |
517 333 98
|
Plug |
1 |
InternBDB: M20x1,5 | InternKon: 915 539 40 / 6
|
|
|
|
13 |
517 332 98
|
Nut |
1 |
InternBDB: M20x1,5 | InternKon: 915 539 40 / 7
|
|
|
|
14 |
358 291 40
|
Plug |
4 |
InternBDB: MBN 071 6201 alu eloxiert | InternKon: 915 539 40 / 8
|
|
|
|
15 |
255 680 40
|
Pull switch |
1 |
InternBDB: ES G1 WZ 10 E/1S | InternKon: 942 017 40 / 7
|
|
|
|
16 |
940 016 40
|
Switch |
1 |
InternBDB: IIM203 IFM /TL | InternKon: 926 527 40 / 2
|
|
|
|
17 |
891 040 40
|
Plug with bushings assy. |
1 |
InternKon: 926 527 40 / 1
|
|
|
|
18 |
472 688 99
|
Chain |
-2 |
InternBDB: 2 /5686 | InternKon: 942 017 40 / 12
|
|
|
|
19 |
098 955 40
|
Ring |
2 |
InternKon: 942 017 40 / 13
|
|
|
|
20 |
321 014 99
|
Screw |
4 |
InternBDB: M6x16 /84 | InternKon: 942 017 40 / 15
|
|
|
|
21 |
340 461 99
|
Washer |
4 |
InternBDB: 5,3 /125 | InternKon: 942 017 40 / 16
|
|
|
|
22 |
321 010 99
|
Screw |
4 |
InternBDB: M5x25 /84 | InternKon: 942 017 40 / 17
|
|
|
|
23 |
507 036 98
|
Nut |
4 |
InternBDB: M 5 /985 | InternKon: 942 017 40 / 18
|
|
|
|
24 |
896 669 40
|
Level-probe |
4 |
InternBDB: Bedia 425 031 | InternKon: 942 017 40 / 22
|
|
|
|
25 |
003 670 79
|
Clip |
5 |
InternKon: 903 399 40 / 1
|
|
|
|
26 |
350 762 99
|
Washer |
5 |
InternBDB: 6,6 /440 | InternKon: 903 399 40 / 4
|
|
|
|
31 |
891 032 40
|
Plug with pins assy. |
1 |
InternKon: 923 572 40 / 1
|
|
|
|
32 |
655 629 40
|
T-Distributor DN 17 |
2 |
InternBDB: PMA BFTL-171717 GGG | InternKon: 923 572 40 / 2
|
|
|
|
33 |
655 632 40
|
Pipe adapter DN 17/10 |
2 |
InternBDB: BAVR-17 G 10 T | InternKon: 923 572 40 / 3
|
|
|
|
34 |
655 633 40
|
Pipe adapter DN 17/12 |
1 |
InternBDB: PMA BAVR-17 G 12 | InternKon: 923 572 40 / 4
|
|
|
|
35 |
907 476 40
|
Cable union NW 10 |
1 |
InternBDB: PMA BVNV-M20 | InternKon: 923 572 40 / 5
|
|
|
|
36 |
907 477 40
|
Cable union DN 12 |
1 |
InternBDB: BVNV-M162 | InternKon: 923 572 40 / 6
|
|
|
|
37 |
907 692 40
|
Fitting M16/NW12 |
1 |
InternBDB: PMA BVIR-M162 | InternKon: 923 572 40 / 7
|
|
|
|
38 |
907 703 40
|
Cable union PG 9 |
1 |
InternBDB: Pflitsch 050 YNPM 4x3 | InternKon: 923 572 40 / 8
|
|
|
|
39 |
655 649 40
|
Cable protection hose DN 10 |
-2 |
InternBDB: PMA VCST-10 B | InternKon: 923 572 40 / 9
|
|
|
|
40 |
655 650 40
|
Cable protection hose DN 12 |
-2 |
InternBDB: PMA VCST-12 B | InternKon: 923 572 40 / 10
|
|
|
|
41 |
655 651 40
|
Cable protection hose DN 17 |
-2 |
InternBDB: PMA VCSG-17 B | InternKon: 923 572 40 / 11
|
|
|
|
42 |
896 520 40
|
End pin |
1 |
InternBDB: Pflitsch BO 3,0x25 | InternKon: 923 572 40 / 12
|
|
|
|
43 |
256 514 40
|
Name plate |
1 |
InternKon: 923 572 40 / 13
|
|
|
|
44 |
056 292 40
|
Cable strap |
1 |
InternBDB: TY 23 M | InternKon: 923 572 40 / 14
|
|
|
|
45 |
515-213 40
|
Cable 1,0 |
-2 |
InternBDB: Pur Litze 1mm2 | InternKon: 923 572 40 / 15
|
|
|
|
47 |
056 070 40
|
Cable sleeve 1,0-1,5 |
18 |
InternKon: 923 572 40 / 17
|
|
|
|
50 |
399 702 40
|
Turn switch |
1 |
InternBDB: Merit 262000 | InternKon: 919 401 40 / 1
|
|
|
|
55 |
898 680 40
|
Relay assy. |
2 |
InternKon: 915 538 40 / 1
|
|
|
|
56 |
940 020 40
|
Relay |
1 |
InternKon: 898 680 40 / 1
|
|
|
|
57 |
592 338 40
|
Socket |
1 |
InternKon: 898 680 40 / 2
|
|
|
|
58 |
414 369 40
|
Spring retainer |
1 |
InternKon: 898 680 40 / 3
|
|