|
|
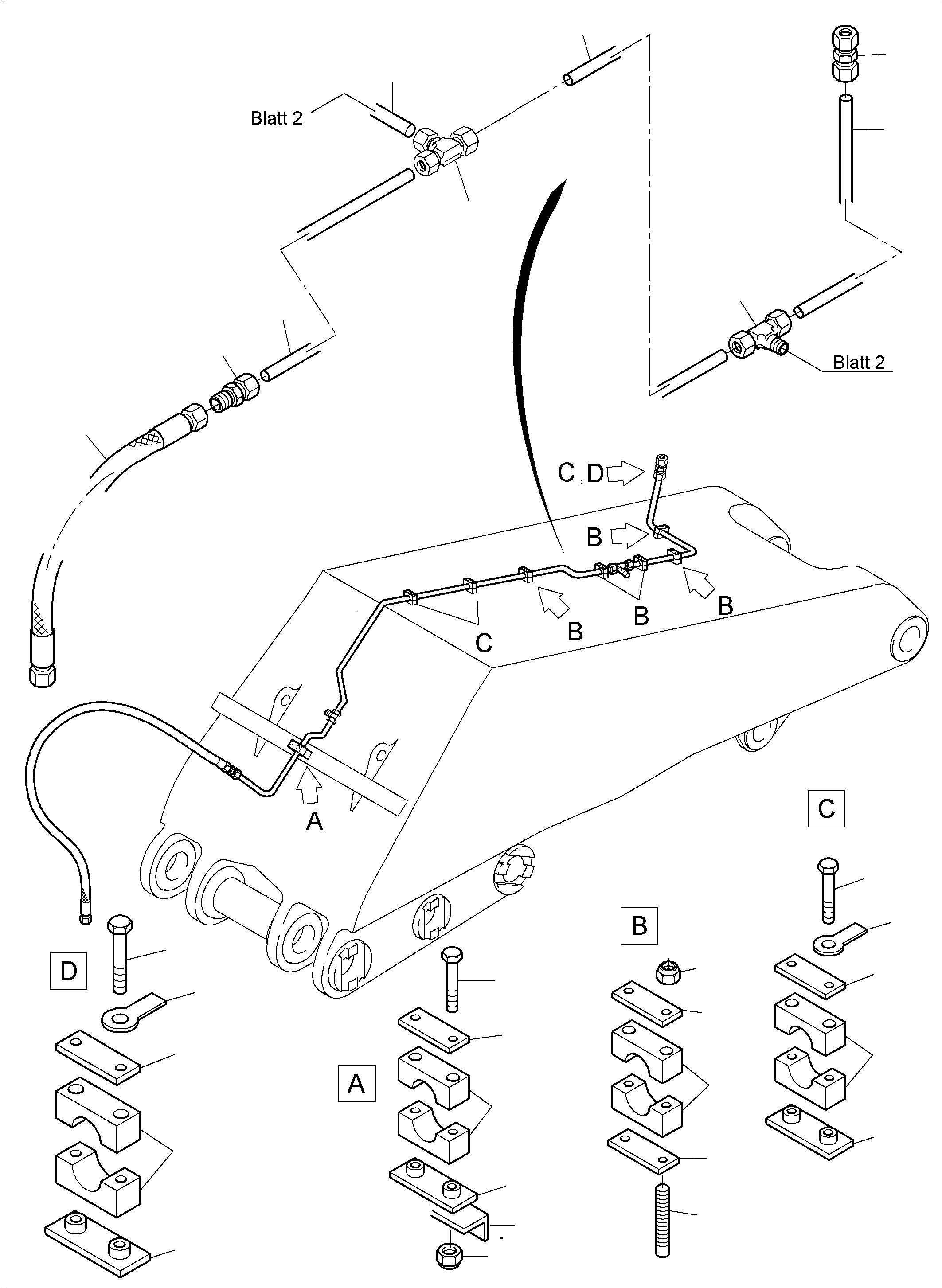
01 |
|
Metering valve |
2 |
InternBDB: 269 880 40 | InternKon: 922 130 40 / 2
|
991-0091 |
|
|
02 |
654 130 40
|
Protection cap with o-ring |
10 |
InternBDB: 83272 | InternKon: 922 130 40 / 3
|
|
|
|
03 |
372 182 99
|
Union |
3 |
InternBDB: DDS 12 /2353 | InternKon: 922 130 40 / 44
|
|
|
|
04 |
308 579 99
|
Bolt |
6 |
InternBDB: M 10x60 /931 | InternKon: 922 130 40 / 15
|
|
|
|
06 |
373 772 99
|
Union |
1 |
InternBDB: TR 25/12/25-S | InternKon: 922 130 40 / 43
|
|
|
|
07 |
372 415 99
|
Union |
3 |
InternBDB: ES 25 /2353 | InternKon: 922 130 40 / 42
|
|
|
|
08 |
517 165 98
|
Hose assy. DN 20x3100 lg. |
1 |
InternBDB: DOS 25 /DOS 25 WN 341 951 40 | InternKon: 922 130 40 / 51
|
|
|
|
09 |
922 128 40
|
Pipe assy. Ш 25 |
1 |
InternKon: 922 130 40 / 52
|
|
|
|
10 |
942 847 40
|
Pipe assy. Ш 25 |
1 |
InternKon: 922 130 40 / 53
|
|
|
|
11 |
635 896 40
|
Tube protection 12x9x1.5 |
-2 |
InternBDB: 100 121 005 Baier u. Kцppel | InternKon: 922 130 40 / 26
|
|
|
|
12 |
|
Metering valve |
1 |
InternBDB: 270 131 40 | InternKon: 922 130 40 / 1
|
991-0091 |
|
|
13 |
308 555 99
|
Bolt |
5 |
InternBDB: M8x45 /931 | InternKon: 922 130 40 / 5
|
|
|
|
14 |
936 978 40
|
Thread plate |
1 |
InternKon: 922 130 40 / 4
|
|
|
|
15 |
324 672 40
|
Plug |
3 |
InternBDB: 3/8 - NPT | InternKon: 922 130 40 / 7
|
|
|
|
16 |
517 121 98
|
Washer |
5 |
InternBDB: 8 /65593840 | InternKon: 922 130 40 / 6
|
|
|
|
17 |
512 273 98
|
Socket |
3 |
InternBDB: EVGE 12-S 3/8 NPT | InternKon: 922 130 40 / 46
|
|
|
|
18 |
372 130 99
|
Union |
1 |
InternBDB: EES 12 /2353 | InternKon: 922 130 40 / 45
|
|
|
|
19 |
534 001 99
|
Cover plate |
5 |
InternBDB: S-2-R-25 /3015 | InternKon: 922 130 40 / 13
|
|
|
|
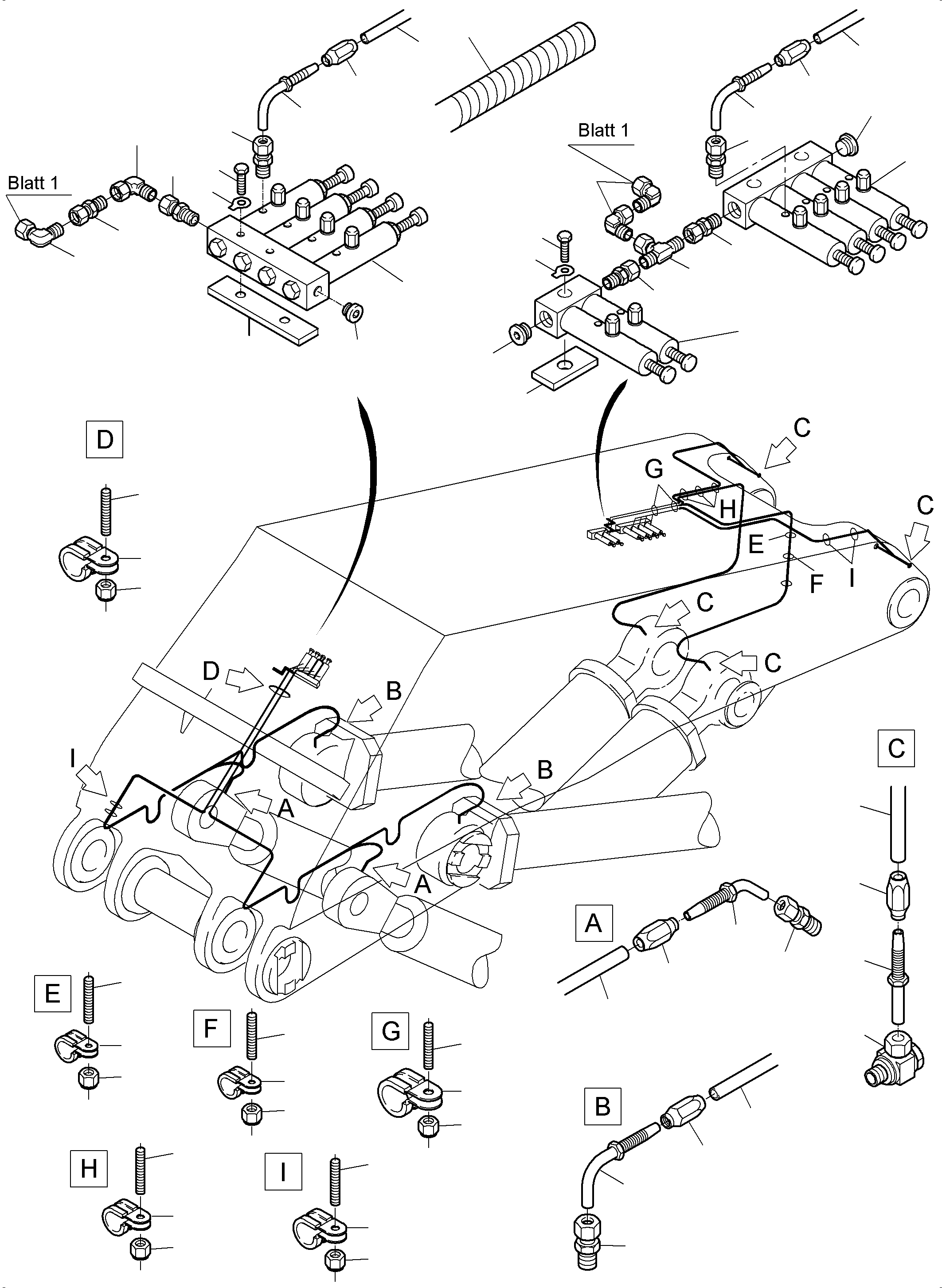
20 |
323 945 40
|
Thread pin |
105 |
InternBDB: M6x15 /32501 | InternKon: 922 130 40 / 37
|
|
|
|
21 |
373 588 99
|
Union |
10 |
InternBDB: GE-6-PL / 1/8 NPT | InternKon: 922 130 40 / 39
|
|
|
|
22 |
534 002 99
|
Weld on plate |
3 |
InternBDB: S-AP-A-2 /3015 | InternKon: 922 130 40 / 14
|
|
|
|
23 |
372 456 99
|
Union |
4 |
InternBDB: DS 6 /2353 | InternKon: 922 130 40 / 41
|
|
|
|
24 |
006 912 98
|
Union |
6 |
InternBDB: Voss 6-SR | InternKon: 922 130 40 / 40
|
|
|
|
25 |
006 302 98
|
Clamp |
60 |
InternBDB: RSGU 1100 15/15 | InternKon: 922 130 40 / 33
|
|
|
|
26 |
534 092 99
|
Clamp |
18 |
InternBDB: RSGU 1100 8/15 | InternKon: 922 130 40 / 31
|
|
|
|
27 |
507 025 98
|
Nut |
105 |
InternBDB: M 6 /985 | InternKon: 922 130 40 / 38
|
|
|
|
28 |
534 000 99
|
Clamp set |
10 |
InternBDB: S-2-R-25 /3015 | InternKon: 922 130 40 / 12
|
|
|
|
29 |
515 029 40
|
Hose connection 90 ? |
12 |
InternBDB: Lincoln 532-30739-1 | InternKon: 922 130 40 / 28
|
|
|
|
30 |
515 028 40
|
Collet |
20 |
InternBDB: 432-23031-1 | InternKon: 922 130 40 / 30
|
|
|
|
31 |
515 027 40
|
Hose connection, straight |
6 |
InternBDB: 432-23030-1 | InternKon: 922 130 40 / 27
|
|
|
|
32 |
509 308 98
|
Locking plate |
3 |
InternBDB: SI 4 WN 011 839 99 | InternKon: 922 130 40 / 16
|
|
|
|
33 |
576 160 40
|
Plastic hose |
-2 |
InternBDB: Lincoln 504-36033-3 8,4x2,1 | InternKon: 922 130 40 / 25
|
|
|
|
34 |
651 255 40
|
Clamp set |
6 |
InternBDB: S-2-R-25 - Sonder | InternKon: 922 130 40 / 8
|
|
|
|
35 |
634 978 40
|
Cover plate |
12 |
InternKon: 922 130 40 / 9
|
|
|
|
36 |
512 055 98
|
Thread pin |
12 |
InternBDB: PM 12x80 /32500 | InternKon: 922 130 40 / 10
|
|
|
|
37 |
307 789 99
|
Bolt |
4 |
InternBDB: M10x80 /933 | InternKon: 922 130 40 / 18
|
|
|
|
38 |
332 114 99
|
Nut |
4 |
InternBDB: M 10 /934 | InternKon: 922 130 40 / 19
|
|
|
|
39 |
509 310 98
|
Locking plate |
2 |
InternBDB: SI 6 /WN 011 839 99 | InternKon: 922 130 40 / 24
|
|
|
|
40 |
504 445 98
|
Clamp set |
2 |
InternBDB: S-4-R-65 /3015 | InternKon: 922 130 40 / 20
|
|
|
|
41 |
534 008 99
|
Cover plate |
1 |
InternBDB: S-DP-A-4 /3015 | InternKon: 922 130 40 / 21
|
|
|
|
42 |
534 009 99
|
Weld-on plate |
1 |
InternBDB: S-AP-A-4 /3015 | InternKon: 922 130 40 / 22
|
|
|
|
43 |
308 599 99
|
Bolt |
2 |
InternBDB: M12x105 /931 | InternKon: 922 130 40 / 23
|
|
|
|
44 |
635 853 40
|
Hose connection 45 ? |
2 |
InternBDB: 1001 21 206 Baier u. Kцppel | InternKon: 922 130 40 / 29
|
|
|
|
45 |
922 132 40
|
Pipe assy. Ш 25 |
1 |
InternKon: 922 130 40 / 55
|
|
|
|
46 |
942 848 40
|
Pipe assy. Ш 25 |
1 |
InternKon: 922 130 40 / 54
|
|
|
|
47 |
334 600 99
|
Nut |
12 |
InternBDB: M 12 /985 | InternKon: 922 130 40 / 11
|
|
|
|
48 |
006 301 98
|
Clamp |
6 |
InternBDB: RSGU 1100 12/15 | InternKon: 922 130 40 / 32
|
|
|
|
49 |
006 339 98
|
Clamp |
15 |
InternBDB: RSGU 1100 18/15 | InternKon: 922 130 40 / 34
|
|
|
|
50 |
006 303 98
|
Clamp |
3 |
InternBDB: RSGU 1100 22/15 | InternKon: 922 130 40 / 35
|
|
|
|
51 |
502 855 98
|
Clamp |
3 |
InternBDB: RSGU 1100 25/15 | InternKon: 922 130 40 / 36
|
|
|
|
52 |
372 724 99
|
Union |
1 |
InternBDB: KS 25 /2353 | InternKon: 922 130 40 / 47
|
|
|
|
53 |
515 951 98
|
Union |
1 |
InternBDB: Red 25/12-PS | InternKon: 922 130 40 / 48
|
|
|
|
54 |
372 627 99
|
Union |
1 |
InternBDB: QS 25 /2353 | InternKon: 922 130 40 / 49
|
|
|
|
55 |
371 867 99
|
Breech block |
2 |
InternBDB: 25-S | InternKon: 922 130 40 / 50
|
|
|
|
56 |
918 209 40
|
Angle |
1 |
InternKon: 922 130 40 / 17
|
|
|
|
57 |
936 979 40
|
Thread plate |
2 |
InternKon: 922 130 40 / 56
|
|