Search in all models by partnumber
Search current book

Komatsu H285 S/N 78099 parts catalog PDF

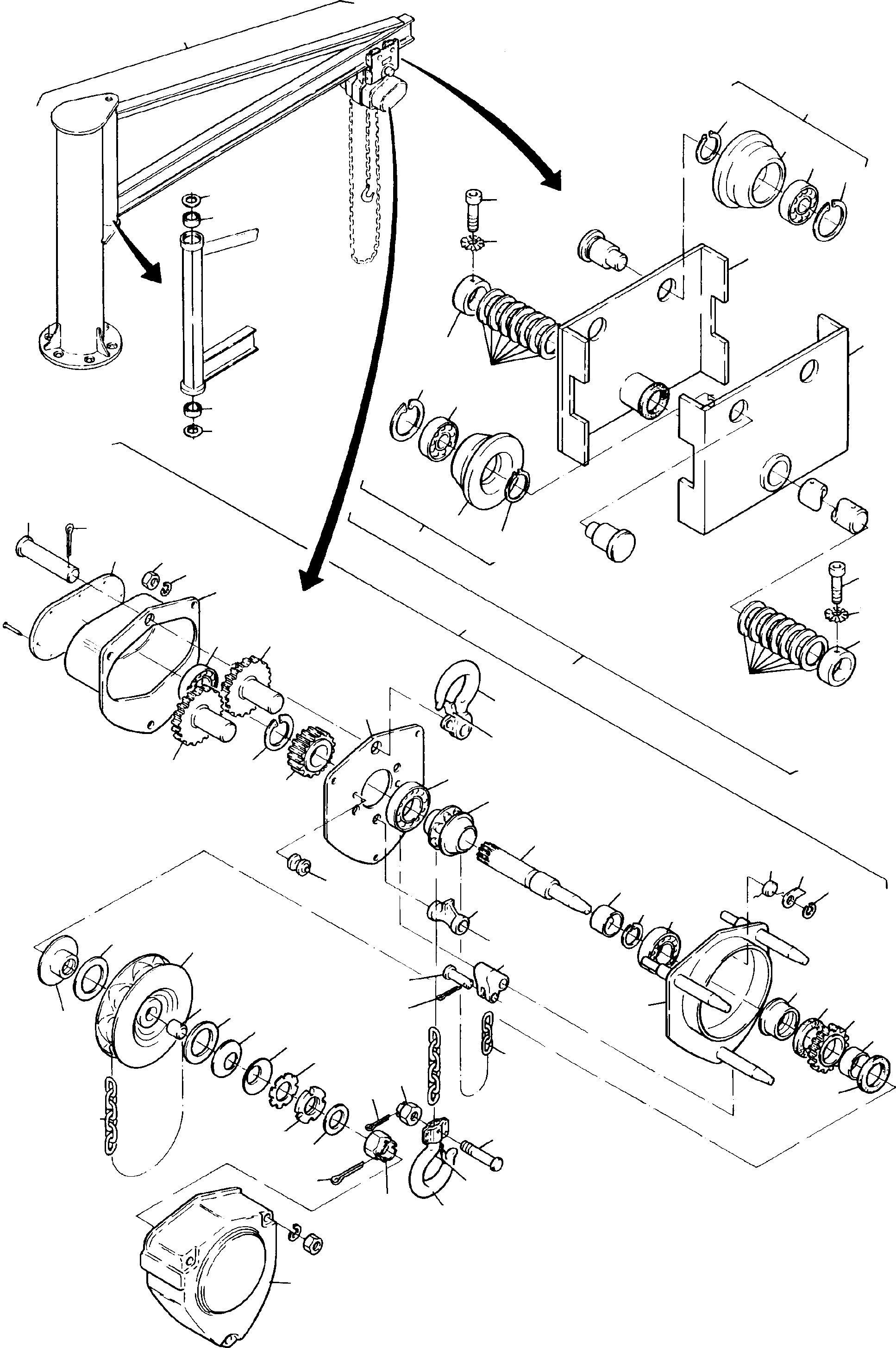
CRANE ASSY. (090-0784) in H285 S/N 78099. Diagram image and parts list.

Model manual types and quick links