|
|
00 |
592 233 40
|
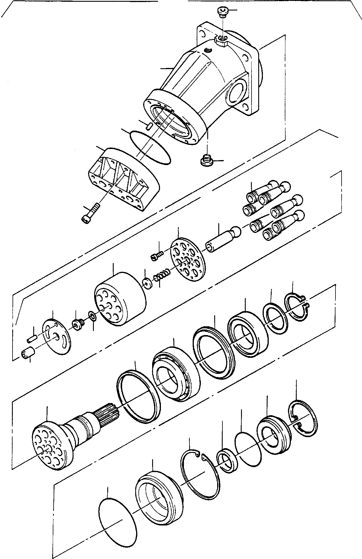
Hydr. motor, assy. |
1 |
InternBDB: BrÑŒninghaus A2FM250/60 W-PZB -01 S020 / 944 045 AT-Nr. 710 028
|
|
|
|
01 |
|
Housing |
1 |
InternBDB: 904789 | InternKon: 944 045 / 04
|
|
|
|
02 |
319 188 99
|
Screw |
8 |
InternBDB: M16x50/912- 10.9 | InternKon: 944 045 / 10
|
|
|
|
03 |
754 551
|
Connection plate |
1 |
InternBDB: 801176 | InternKon: 944 045 / 5
|
|
|
|
04 |
345 632 99
|
Pin |
2 |
InternBDB: 10 M6x32/6325 | InternKon: 944 045 / 11
|
|
|
|
05 |
500 108 99
|
O-ring |
1 |
InternBDB: 149x3 | InternKon: 944 045 / 8
|
|
|
|
06 |
173 448 40
|
Plug |
1 |
InternBDB: vsti22x1,5-ed | InternKon: 944 045 / 12
|
|
|
|
07 |
964 778
|
Plug |
1 |
InternBDB: vsti14x1,5-ed | InternKon: 944 045 / 13
|
|
|
|
08 |
756 479 73
|
Transmission, assy.
fig-nos: 10-36 |
1 |
InternBDB: 910 652 | InternKon: 944 045 / 01
|
|
|
|
10 |
753 246
|
Centering pin |
1 |
InternBDB: 788589 | InternKon: 910652 / 12
|
|
|
|
11 |
345 616 99
|
Pin |
1 |
InternBDB: 8M6x20/6325 | InternKon: 910652 / 32
|
|
|
|
12 |
754 554
|
Distribution |
1 |
InternBDB: 969907 | InternKon: 910652 / 7
|
|
|
|
13 |
754 555
|
Spacer screw |
1 |
InternBDB: 969893 | InternKon: 910652 / 17
|
|
|
|
14 |
754 556
|
Adjusting ring |
1 |
InternBDB: 969915 | InternKon: 910652 / 13
|
|
|
|
15 |
754 557
|
Cylinder |
1 |
InternBDB: 900129 | InternKon: 910652 / 6
|
|
|
|
16 |
754 559
|
Disk |
1 |
InternBDB: 900003 | InternKon: 910652 / 15
|
|
|
|
17 |
754 558
|
Spring |
1 |
InternBDB: 900002 | InternKon: 910652 / 14
|
|
|
|
18 |
754 560
|
Pivot |
1 |
InternBDB: 900130 | InternKon: 910652 / 8
|
|
|
|
19 |
754 561
|
Piston with piston ring |
7 |
InternBDB: 798754+ 798789 | InternKon: 3 / 4
|
|
|
|
20 |
319 540 99
|
Screw |
14 |
InternBDB: M8x16/912 10.9 | InternKon: 910652 / 39
|
|
|
|
21 |
753 953
|
Withdrawal plate |
1 |
InternBDB: 709042 | InternKon: 910652 / 9
|
|
|
|
23 |
757 752 73
|
Drive shaft |
1 |
InternBDB: 943 943 | InternKon: 910652 / 01
|
|
|
|
24 |
998 547
|
Shaft seal |
1 |
InternBDB: 60x80x7 | InternKon: 910652 / 24
|
|
|
|
25 |
247 603 40
|
O-ring |
1 |
InternBDB: 117x4 | InternKon: 910652 / 26
|
|
|
|
26 |
756 116 73
|
Sealing flange |
1 |
InternBDB: 904784 | InternKon: 910652 / 11
|
|
|
|
27 |
342 675 99
|
Circlip |
1 |
InternBDB: 125x4/472 | InternKon: 910652 / 29
|
|
|
|
28 |
756 481 73
|
Spacer |
1 |
InternBDB: 904 777 | InternKon: 910652 / 18
|
|
|
|
29 |
756 482 73
|
Roller bearing |
1 |
InternBDB: 904 776 | InternKon: 910652 / 21
|
|
|
|
30 |
756 483 73
|
Adjusting disc |
1 |
InternBDB: 904 782 | InternKon: 910652 / 16
|
|
|
|
31 |
505 950 98
|
Roller bearing |
1 |
InternBDB: NJ 217 EM /5412 | InternKon: 910652 / 22
|
|
|
|
32 |
341 517 99
|
Shim ring |
1 |
InternBDB: 203 297 85x105x1,0 | InternKon: 910652 / 34
|
|
|
|
33 |
342 566 99
|
Circlip |
1 |
InternBDB: 85x3 /471 | InternKon: 910652 / 30
|
|
|
|
34 |
972 123
|
O-ring |
1 |
InternBDB: 172x4 | InternKon: 910652 / 25
|
|
|
|
35 |
756 484 73
|
Race |
1 |
InternBDB: 904 785 | InternKon: 910652 / 10
|
|
|
|
36 |
754 261
|
Circlip |
1 |
InternBDB: 180x4 106 151 | InternKon: 910652 / 28
|
|
|
|
|$$36 |
757 151 73
|
Seal kit
fig-nos: 05,24,25,34 |
-2 |
InternBDB: E-St
|
|
|
|
|$$37 |
083 374
|
Adhesive set to fig-nos: 13, 20 50 ml |
-2 |
InternBDB: Loctite 242
|
|