|
|
? |
|
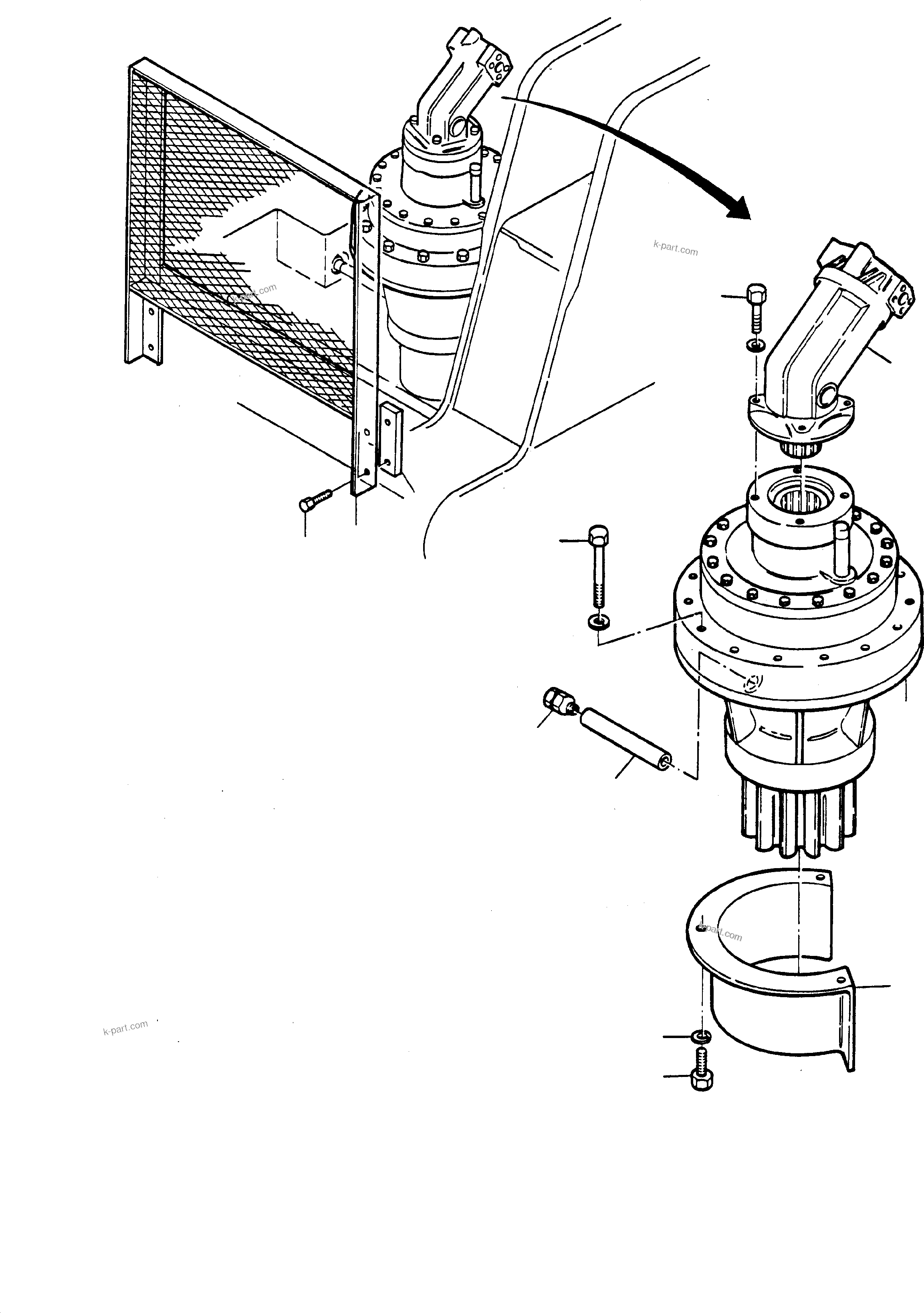
Hydr. motor |
1 |
InternBDB: 324 827 40 | InternKon: 409 990 40 / 45
|
090-1359 |
|
|
? |
|
Swing gear box |
1 |
InternBDB: 324 826 40 | InternKon: 409 990 40 / 44
|
090-1974 |
|
|
? |
307 824 99
|
Bolt |
4 |
InternBDB: M16x40 /933 | InternKon: 409 990 40 / 63
|
|
|
|
? |
308 674 99
|
Bolt |
20 |
InternBDB: M20x140 /931 | InternKon: 409 990 40 / 62
|
|
|
|
? |
425 137 40
|
Oil drain |
1 |
InternKon: 409 990 40 / 42
|
|
|
|
? |
313 386 99
|
Plug |
1 |
InternBDB: M30x1,5 /908 | InternKon: 409 990 40 / 80
|
|
|
|
? |
307 822 99
|
Bolt |
3 |
InternBDB: M16x30 /933 | InternKon: 409 990 40 / 64
|
|
|
|
? |
282 260 40
|
Pinion cover |
1 |
InternKon: 409 990 40 / 28
|
|
|
|
? |
340 086 99
|
Seal ring |
1 |
InternBDB: A30x38 /7603 | InternKon: 409 990 40 / 87
|
|
|
|
? |
346 502 99
|
Lock washer |
3 |
InternBDB: 16 /128 | InternKon: 409 990 40 / 84
|
|
|
|
? |
|
Applicable to grating |
-1 |
|
|
|
|
? |
427 198 40
|
Protective grating |
1 |
InternKon: 409 990 40 / 1
|
|
|
|
? |
427 197 40
|
Thread plate |
2 |
InternKon: 409 990 40 / 2
|
|
|
|
? |
307 777 99
|
Bolt |
4 |
InternBDB: M10x25 /933 | InternKon: 409 990 40 / 3
|
|