|
|
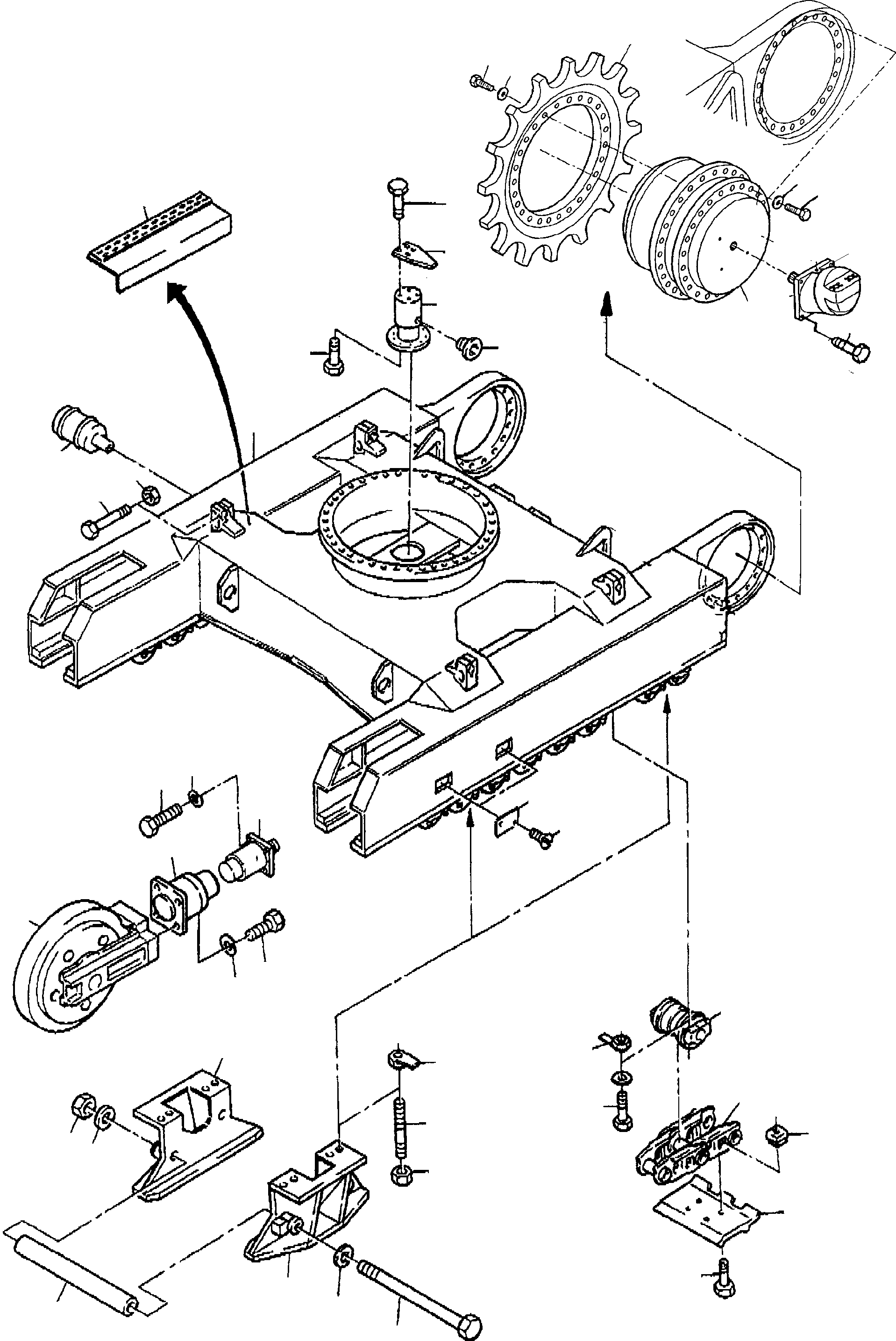
01 |
646 861 40
|
Undercarriage w/o mount. parts |
1 |
InternKon: 651 625 40 / 1
|
|
|
|
02 |
|
Rotary joint |
1 |
InternBDB: 463 890 40 | InternKon: 651 625 40 / 2
|
585-3155 |
|
|
03 |
|
Idler assy. |
2 |
InternKon: 651 625 40 / 4
|
116-3110b |
|
|
04 |
|
Grease tensioning cylinder |
1 |
InternBDB: 400 498 40 | InternKon: 651 625 40 / 13
|
185-3130a |
|
|
05 |
|
Top roller |
4 |
InternBDB: 414 926 40 | InternKon: 651 625 40 / 5
|
090-5052 |
|
|
06 |
|
Bottom roller |
18 |
InternBDB: 621 704 40 | InternKon: 651 625 40 / 8
|
090-2378 |
|
|
07 |
|
Travelling gear |
2 |
InternBDB: 635 264 40 | InternKon: 651 625 40 / 6
|
090-3240 |
|
|
08 |
|
Hydr.-motor |
2 |
InternBDB: 635 314 40 | InternKon: 651 625 40 / 7
|
090-3241 |
|
|
09 |
651 621 40
|
Track guide |
8 |
InternKon: 651 625 40 / 3
|
|
|
|
10 |
646 880 40
|
Drive sprocket |
2 |
InternKon: 651 625 40 / 9
|
|
|
|
11 |
431 624 40
|
Cover |
-2 |
|
|
|
|
12 |
|
Chain |
2 |
InternBDB: 440 703 40 | InternKon: 651 625 40 / 10
|
090-4532a |
|
|
13 |
429 392 40
|
Cam |
1 |
InternKon: 651 625 40 / 14
|
|
|
|
14 |
308 314 99
|
Bolt |
72 |
InternBDB: M24x230 /931 10.9 | InternKon: 651 625 40 / 15
|
|
|
|
15 |
312 323 40
|
Nut |
104 |
InternBDB: M 24/TL | InternKon: 651 625 40 / 16
|
|
|
|
16 |
512 185 98
|
Bolt |
32 |
InternBDB: M24x150 /938 10.9 | InternKon: 651 625 40 / 17
|
|
|
|
17 |
512 075 98
|
Bolt |
48 |
InternBDB: M30x2x130 / 960 | InternKon: 651 625 40 / 18
|
|
|
|
18 |
255 057 40
|
Washer |
124 |
InternBDB: 31 /6916 | InternKon: 651 625 40 / 19
|
|
|
|
19 |
302 552 99
|
Bolt |
60 |
InternBDB: M30x120 /931 10.9 | InternKon: 651 625 40 / 20
|
|
|
|
21 |
308 321 99
|
Bolt |
12 |
InternBDB: M16x90 /931 | InternKon: 651 625 40 / 21
|
|
|
|
22 |
304 352 99
|
Bolt |
8 |
InternBDB: M16x140 /931 | InternKon: 651 625 40 / 23
|
|
|
|
23 |
332 355 99
|
Nut |
8 |
InternBDB: M 16 /934 | InternKon: 651 625 40 / 24
|
|
|
|
24 |
500 333 98
|
Bolt |
8 |
InternBDB: M20x50 /933 | InternKon: 651 625 40 / 25
|
|
|
|
25 |
343 117 99
|
Lock washer |
8 |
InternBDB: B 20 /127 | InternKon: 651 625 40 / 26
|
|
|
|
26 |
320 435 99
|
Bolt |
-2 |
InternBDB: M8x15/7991
|
|
|
|
27 |
173 493 40
|
Plug |
-2 |
InternBDB: Vsti M18x1,5 ed
|
|
|
|
28 |
508 376 40
|
Track bolt |
376 |
InternBDB: M30x2x140 | InternKon: 651 625 40 / 11
|
|
|
|
29 |
431 619 40
|
Track nut |
376 |
InternBDB: M30x2 28987 | InternKon: 651 625 40 / 12
|
|
|
|
30 |
512 978 98
|
Bolt |
8 |
InternBDB: M20x45 /912 8.8 | InternKon: 651 625 40 / 45
|
|
|
|
31 |
428 313 40
|
Ladder |
1 |
InternKon: 651 625 40 / 46
|
|
|
|
35 |
623 827 40
|
Grouser set 600 mm |
1 |
InternBDB: 47 re /47 li.
|
|
|
|
36 |
508 381 40
|
Track shoe 600 mm |
94 |
|
|
|
|
37 |
623 824 40
|
Grouser set 800 mm |
1 |
InternBDB: 47 re /47 li
|
|
|
|
38 |
508 378 40
|
Track shoe |
94 |
|
|
|
|
39 |
575 580 40
|
Grouser set 600 mm |
1 |
InternBDB: 47 re /47 li. hцhere Festigkeit
|
|
|
|
40 |
575 578 40
|
Track shoe 600 mm |
94 |
|
|
|
|
41 |
|
Nitrogen tensioner l.h. + r.h. |
2 |
InternBDB: 641 944 40 | InternKon: 651 625 40 / 47
|
116-3111a |
|
|
42 |
307 603 99
|
Bolt |
8 |
InternBDB: M24x50 /933 10.9 | InternKon: 651 625 40 / 48
|
|
|
|
43 |
343 119 99
|
Lock washer |
8 |
InternBDB: 24 /127 | InternKon: 651 625 40 / 49
|
|
|
|
44 |
651 619 40
|
Spacer |
8 |
InternKon: 651 625 40 / 50
|
|
|
|
45 |
512 183 99
|
Bolt |
8 |
InternBDB: M30x550 /931 10.9 | InternKon: 651 625 40 / 51
|
|
|
|
46 |
332 165 99
|
Nut |
8 |
InternBDB: M 30 /934 | InternKon: 651 625 40 / 52
|
|
|
|
47 |
332 359 99
|
Nut |
32 |
InternBDB: M 24 /934 | InternKon: 651 625 40 / 53
|
|