Find books across the catalog from one place.
This page is prepared as the search workspace. The search behavior itself can be connected in the next step.
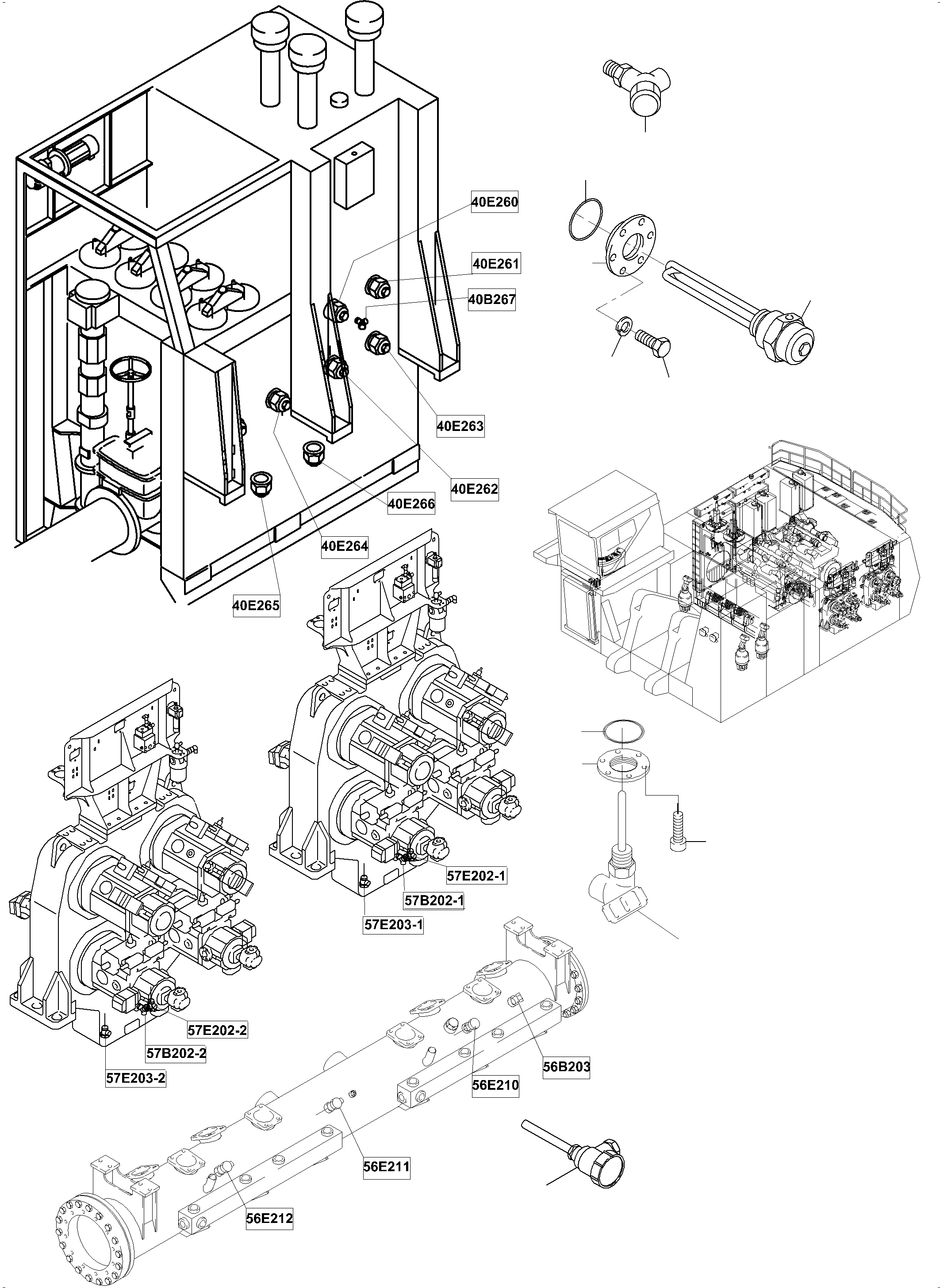
6212611203.TEMPERATURE CONDITIONING - HYDAULIC OIL (213-2500) in PC8000-11 S/N 12117. Diagram image and parts list.
Test text. Dear users! Access to the special equipment catalogs is paid. You can review the service usage rules and tariffs on the page!