Find books across the catalog from one place.
This page is prepared as the search workspace. The search behavior itself can be connected in the next step.
6212611203.
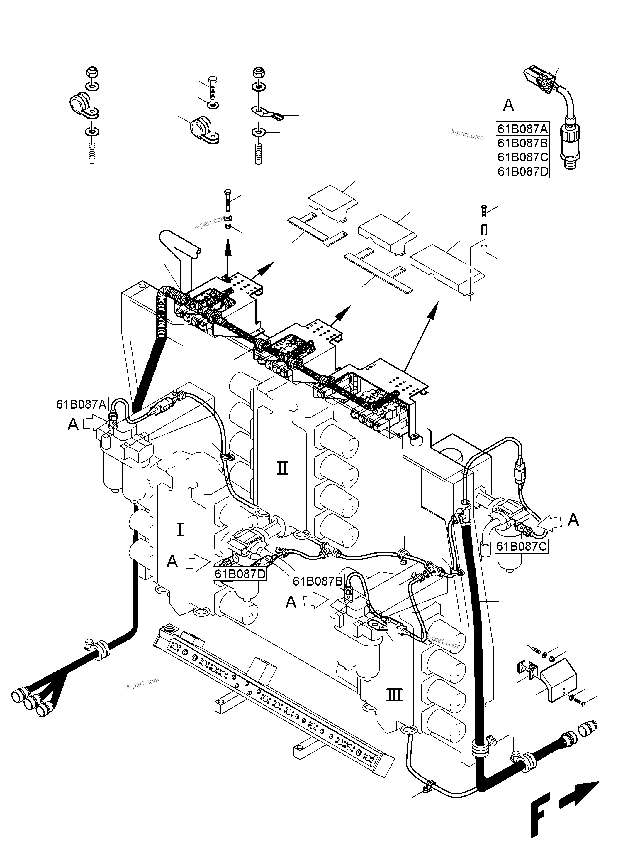
CONTROL BLOCKS - H.P.-FILTER - LOCATION 61 (715-2261b) in PC5500-6E S/N 15134. Diagram image and parts list.
Test text. Dear users! Access to the special equipment catalogs is paid. You can review the service usage rules and tariffs on the page!