|
|
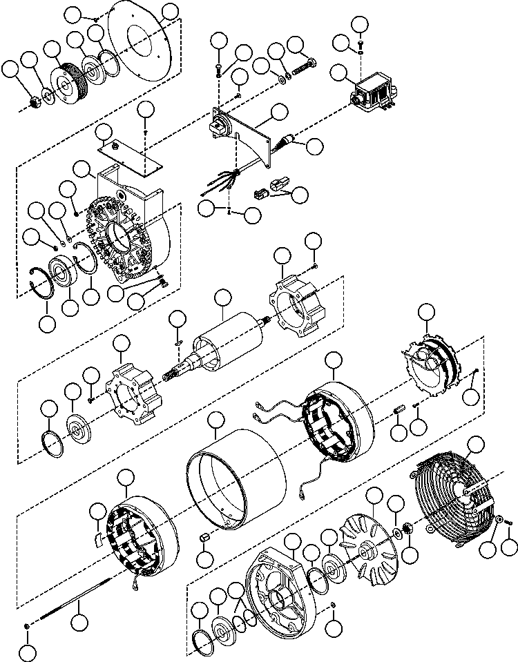
1 |
|
LOCKNUT - M20 X 1.50 (1) |
1 |
|
|
|
|
2 |
|
WASHER, BELLVILLE - M20 (1) |
1 |
|
|
|
|
3 |
|
PULLEY (SUPPLIED WITH ENGINE) |
1 |
|
|
|
|
4 |
BF4957
|
BUSHING, PULLEY |
1 |
|
|
|
|
5 |
BF4864
|
RING, RETAINING |
2 |
|
|
|
|
6 |
BF1970
|
PLATE, COVER |
1 |
|
|
|
|
7 |
|
SCREW, MACHINE - M4 X .7 X 10 (1) |
15 |
|
|
|
|
8 |
|
RING, RETAINING (1) |
1 |
|
|
|
|
9 |
BF4865
|
BEARING, FRONT |
1 |
|
|
|
|
10 |
|
RING, RETAINING (1) |
1 |
|
|
|
|
11 |
|
NUT, JAM - 1/4" - 28NF (1) |
6 |
|
|
|
|
12 |
|
FLAT WASHER - 1/4" (1) |
6 |
|
|
|
|
13 |
XA2120
|
INSULATOR |
6 |
|
|
|
|
14 |
|
LOCKNUT, FLANGED W/ADHESIVE - #8 - 32NC (1) |
18 |
|
|
|
|
15 |
XA2098
|
HOUSING, DRIVE END |
1 |
|
|
|
|
16 |
|
CAPSCREW - M10 X 1.50 X .79 (1) |
2 |
|
|
|
|
17 |
|
LOCKWASHER - M10 (1) |
2 |
|
|
|
|
18 |
BF1969
|
COVER, CONTROL UNIT |
1 |
|
|
|
|
19 |
XA0188
|
COVER, STUD ASSEMBLY |
1 |
|
|
|
|
20 |
XA2130
|
HARNESS ASSEMBLY |
1 |
|
|
|
|
21 |
BF4873
|
CONNECTOR ASSEMBLY |
1 |
|
|
|
|
22 |
|
SCREW, MACHINE - M5 X .8 X 10 (1) |
1 |
|
|
|
|
23 |
|
LOCKWASHER - M5 (1) |
1 |
|
|
|
|
24 |
|
CAPSCREW (1) |
1 |
|
|
|
|
25 |
|
LOCKWASHER (1) |
1 |
|
|
|
|
26 |
|
FLAT WASHER - M12 (1) |
1 |
|
|
|
|
27 |
|
LOCKWASHER - M12 (1) |
1 |
|
|
|
|
28 |
|
CAPSCREW - M12 X 1.75 X 98 (1) |
1 |
|
|
|
|
29 |
XA2109
|
REGULATOR |
1 |
|
|
|
|
30 |
|
WASHER, BELLVILLE - M5 (1) |
4 |
|
|
|
|
31 |
|
CAPSCREW - M5 X .8 X 12 (1) |
4 |
|
|
|
|
32 |
BF4860
|
CARRIER, RING |
1 |
|
|
|
|
33 |
|
SCREW, MACHINE - #10 - 32NF X 1/2" (1) |
12 |
|
|
|
|
33 |
XA2099
|
SHAFT/CORE/ROTOR ASSEMBLY |
1 |
|
|
|
|
34 |
XA2100
|
ROTOR ASSEMBLY |
2 |
|
|
|
|
35 |
XA2101
|
SHAFT & CORE ASSEMBLY |
1 |
|
|
|
|
36 |
|
KEY, WOODRUFF (1) |
1 |
|
|
|
|
37 |
|
NUT - #8 - 32NC (1) |
9 |
|
|
|
|
38 |
BF1980
|
STUD - #8 - 32NC X 8 11/16" |
9 |
|
|
|
|
39 |
|
WEDGE, STATOR (1) |
6 |
|
|
|
|
39 |
XA2104
|
STATOR/SHELL/FIELD COIL ASSEMBLY |
1 |
|
|
|
|
40 |
XA2105
|
STATOR, DRIVE END |
1 |
|
|
|
|
41 |
BF1981
|
BUSHING, TENSION |
1 |
|
|
|
|
42 |
|
SHELL (NOT SERVICED SEPARATELY) |
1 |
|
|
|
|
43 |
XA2106
|
STATOR, ANTI-DRIVE END |
1 |
|
|
|
|
44 |
BF4880
|
COIL, FIELD |
1 |
|
|
|
|
45 |
|
NUT - #8 - 32NC (1) |
9 |
|
|
|
|
46 |
|
SCREW, MACHINE - #6 - 32NC X 3/8" (1) |
16 |
|
|
|
|
47 |
XA2102
|
CARRIER, RING |
1 |
|
|
|
|
48 |
XA2103
|
RING, SPIRAL |
2 |
|
|
|
|
49 |
XA2110
|
O-RING |
2 |
|
|
|
|
50 |
XA2107
|
HOUSING, ANTI-DRIVE END |
1 |
|
|
|
|
51 |
XA2108
|
BEARING, ANTI-DRIVE END |
1 |
|
|
|
|
52 |
XA2096
|
FAN |
1 |
|
|
|
|
53 |
|
WASHER, BELLVILLE - M16 (1) |
1 |
|
|
|
|
54 |
|
NUT - M16 X 1.50 (1) |
1 |
|
|
|
|
55 |
XA2097
|
GUARD, FAN |
1 |
|
|
|
|
56 |
|
GROMMET (1) |
6 |
|
|
|
|
57 |
|
SCREW, MACHINE - M5 X .8 X 25 (1) |
6 |
|
|
|
|
NS|60 |
|
NOTE: NS = NOT SHOWN |
-1 |
|
|
|
|
NS|61 |
XA2111
|
KIT, BEARING SERVICE |
1 |
|
|
|
|
NS|62 |
BF4960
|
NOTE: (1) NOT SERVICED SEPARATELY. INCLUDED IN |
-1 |
|
|
|
|
NS|63 |
|
BF4960 SMALL PARTS PACKAGE. |
-1 |
|
|