|
|
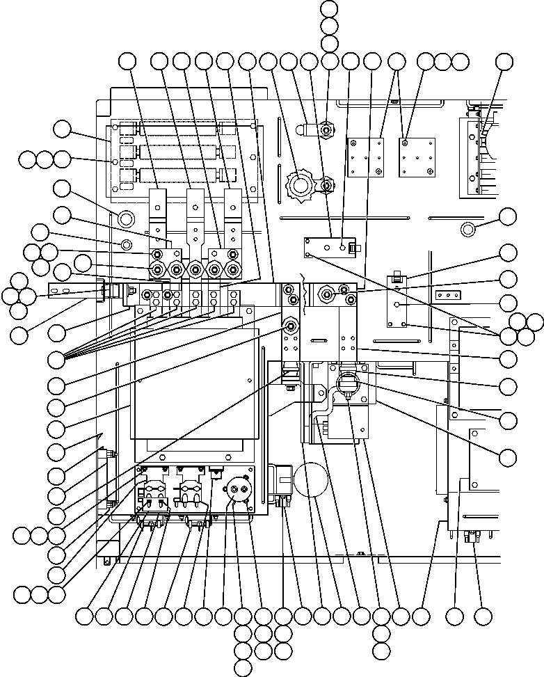
1 |
BF1442
|
BOARD, TERMINAL |
1 |
|
|
|
|
2 |
VS8193
|
BOARD, TERMINAL |
1 |
|
|
|
|
3 |
GE0160
|
SENSOR, POWER SUPPLY (SPS) |
1 |
|
|
|
|
4 |
GE0175
|
LAMP, SERVICE |
2 |
|
|
|
|
5 |
GE0196
|
BAR, BUS |
1 |
|
|
|
|
6 |
GE0210
|
SENSOR, MODULE |
2 |
|
|
|
|
7 |
GE0216
|
LEM BRACKET ASSEMBLY |
1 |
|
|
|
|
8 |
GE0234
|
WASHER |
1 |
|
|
|
|
9 |
GE0235
|
INSULATOR ASSEMBLY |
1 |
|
|
|
|
9 |
GE0236
|
WASHER |
1 |
|
|
|
|
10 |
GE0189
|
BAR, BUS - ASSEMBLY (INSULATED) |
1 |
|
|
|
|
11 |
PB3606
|
SPACER |
8 |
|
|
|
|
12 |
GE0182
|
PANEL, (CCLR) |
2 |
|
|
|
|
13 |
GE0239
|
GROMMET, RUBBER |
1 |
|
|
|
|
14 |
PB4267
|
PANEL, RESISTOR - (GFIP & AFVLT) |
2 |
|
|
|
|
15 |
GE0203
|
INSULATOR ASSEMBLY |
18 |
|
|
|
|
15 |
GE0513
|
INSULATOR/STUD ASSEMBLY |
4 |
|
|
|
|
16 |
GE0225
|
BAR, BUS |
2 |
|
|
|
|
17 |
GE0238
|
GROMMET, RUBBER |
3 |
|
|
|
|
18 |
GE0192
|
BAR, BUS - INSULATED |
1 |
|
|
|
|
19 |
GE0187
|
BAR, BUS - INSULATED |
1 |
|
|
|
|
20 |
GE0184
|
BAR, BUS |
2 |
|
|
|
|
21 |
GE0186
|
BAR, BUS - ASSEMBLY |
2 |
|
|
|
|
22 |
GE0183
|
BAR, BUS |
2 |
|
|
|
|
23 |
GE0185
|
BAR, BUS - ASSEMBLY |
1 |
|
|
|
|
24 |
GE0148
|
FILTER PANEL ASSEMBLY |
1 |
|
|
|
|
24 |
VE4379
|
RESISTOR ASSEMBLY |
3 |
|
|
|
|
24 |
VE0066
|
RESISTOR - 200 WATT, 25 OHM |
6 |
|
|
|
|
24 |
VE3846
|
CONDENSER |
3 |
|
|
|
|
25 |
GE0201
|
INSULATOR ASSEMBLY |
5 |
|
|
|
|
26 |
GE0191
|
BAR, BUS - INSULATED |
1 |
|
|
|
|
27 |
GE0204
|
INSULATOR ASSEMBLY |
1 |
|
|
|
|
28 |
GE0511
|
BAR, BUS - ASSEMBLY (INSULATED) |
1 |
|
|
|
|
29 |
PB6489
|
PANEL, RECTIFIER (SEE INDEX) |
1 |
|
64036 |
|
|
30 |
GE0223
|
CLAMP, BAR |
5 |
|
|
|
|
30 |
VS8432
|
BRACKET |
4 |
|
|
|
|
30 |
PB4261
|
SPACER |
6 |
|
|
|
|
31 |
BF4221
|
BAR, BAR - INSULATED ASSEMBLY |
1 |
|
|
|
|
32 |
GE0230
|
PLATE, FUSE |
1 |
|
|
|
|
33 |
GE0229
|
INSULATOR ASSEMBLY |
4 |
|
|
|
|
34 |
GE0228
|
SPACER |
4 |
|
|
|
|
35 |
GE0227
|
FUSE, HIGH VOLTAGE |
2 |
|
|
|
|
36 |
PB3348
|
INSULATOR |
1 |
|
|
|
|
37 |
GE0195
|
BAR, BUS - ASSEMBLY |
1 |
|
|
|
|
38 |
GE0193
|
BOARD, TERMINAL |
1 |
|
|
|
|
39 |
VE6118
|
PANEL, VOLTAGE MEASURING MODULE (SEE INDEX) |
2 |
|
64043 |
|
|
40 |
GE0237
|
GROMMET, RUBBER |
3 |
|
|
|
|
41 |
GE0266
|
GROMMET, RUBBER |
3 |
|
|
|
|
42 |
VE4655
|
FLAT WASHER |
-1 |
|
|
|
|
43 |
VC1390
|
LOCKWASHER |
-1 |
|
|
|
|
44 |
GE0256
|
MACHINE SCREW |
4 |
|
|
|
|
45 |
VE4519
|
FLAT WASHER |
-1 |
|
|
|
|
46 |
VE4699
|
LOCKWASHER |
-1 |
|
|
|
|
47 |
VE4698
|
NUT |
-1 |
|
|
|
|
48 |
VE4921
|
MACHINE SCREW |
-1 |
|
|
|
|
49 |
SF2755
|
NUT |
-1 |
|
|
|
|
50 |
PB3606
|
SPACER |
-1 |
|
|
|
|
51 |
GE0482
|
ASSEMBLY, BRACKET |
1 |
|
|
|
|
52 |
VG7043
|
RELAY - (GFR & CPR) (SEE INDEX) |
2 |
|
64037 |
|
|
53 |
GE0483
|
DIODE, RECTIFIER |
1 |
|
|
|
|
54 |
GE0484
|
CAPACITOR |
1 |
|
|
|
|
55 |
DF3445
|
FLAT WASHER - 1/4" |
4 |
|
|
|
|
56 |
DC3584
|
LOCKWASHER - 1/4" |
4 |
|
|
|
|
57 |
TD1549
|
NUT - 1/4" |
4 |
|
|
|
|
58 |
GE0151
|
BOARD, PRINTED CIRCUIT |
1 |
|
|
|
|
59 |
BF3905
|
ADAPTOR |
2 |
|
|
|
|
60 |
VS6662
|
FLAT WASHER - #10 |
6 |
|
|
|
|
61 |
VE4606
|
LOCKWASHER #10 |
12 |
|
|
|
|
62 |
SF2755
|
NUT - #10 |
8 |
|
|
|
|
63 |
VJ8249
|
SCREW, MACHINE - #8 - 32 NC X 3/4" |
2 |
|
|
|
|
64 |
VE4604
|
FLAT WASHER - #8 |
2 |
|
|
|
|
65 |
VE4607
|
NUT - #8 |
2 |
|
|
|
|
66 |
VE5958
|
SCREW, MACHINE - #6 - 40NF X 1/2" |
3 |
|
|
|
|
67 |
HE5125
|
FLAT WASHER - #6 |
6 |
|
|
|
|
68 |
DF4944
|
LOCKWASHER - #6 |
6 |
|
|