|
|
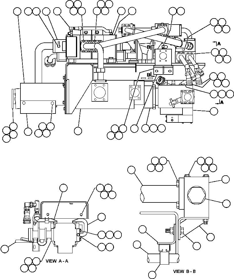
1 |
C1540
|
LOCKWASHER - 1/2" |
26 |
|
|
|
|
2 |
C5760
|
CAPSCREW - 1/2" - 13NC X 5 1/2" |
4 |
|
|
|
|
3 |
WA0187
|
SEAL, O-RING |
3 |
|
|
|
|
4 |
TF3231
|
CLAMP, SPLIT FLANGE |
4 |
|
|
|
|
5 |
WB0375
|
FITTING - 90 DEG |
1 |
|
|
|
|
6 |
ED6143
|
ADAPTOR, FLANGE |
1 |
|
|
|
|
6 |
BF0733
|
JOINT ASSEMBLY |
1 |
|
|
|
|
6 |
BF0734
|
SLIP JOINT ASSEMBLY |
1 |
|
|
|
|
6 |
VE7612
|
TUBE, SHAFT |
1 |
|
|
|
|
6 |
VE4554
|
TUBE ASSEMBLY |
1 |
|
|
|
|
6 |
VE7353
|
TUBE ASSEMBLY |
1 |
|
|
|
|
7 |
ED6136
|
BRACKET, SHAFT COVER |
1 |
|
|
|
|
8 |
PB7941
|
PUMP DRIVE SHAFT ASSEMBLY |
1 |
|
|
|
|
9 |
C0312
|
LOCKWASHER - 3/8" |
12 |
|
|
|
|
10 |
VN9037
|
CAPSCREW - 3/8" - 16NC X 1 1/4" - G8 |
8 |
|
|
|
|
11 |
WA0386
|
NUT - 3/8" - G8 |
8 |
|
|
|
|
12 |
ED6137
|
PLATE, BENT |
1 |
|
|
|
|
13 |
WA0361
|
FLAT WASHER - 5/8" |
12 |
|
|
|
|
14 |
C1541
|
LOCKWASHER - 5/8" |
10 |
|
|
|
|
15 |
C5762
|
CAPSCREW - 5/8" - 11NC X 1 1/2" |
4 |
|
|
|
|
16 |
VN9952
|
LOCKNUT - 5/8" |
6 |
|
|
|
|
17 |
WA0360
|
FLAT WASHER - 1/2" |
2 |
|
|
|
|
18 |
C1613
|
CAPSCREW - 1/2" - 13NC X 1 1/4" |
2 |
|
|
|
|
19 |
C1523
|
NUT - 1/2" |
2 |
|
|
|
|
20 |
ED6145
|
BRACKET, ANGLE |
1 |
|
|
|
|
21 |
PB9008
|
PUMP, GEAR (SEE INDEX) |
1 |
|
40779 |
|
|
22 |
WA0098
|
SEAL, O-RING |
1 |
|
|
|
|
23 |
VG9058
|
RING, SEATING |
4 |
|
|
|
|
24 |
C1645
|
CAPSCREW - 3/4" - 10NC X 3" |
4 |
|
|
|
|
25 |
PB9933
|
PUMP, PISTON |
1 |
|
|
|
|
26 |
WA3568
|
FITTING, TUBE |
2 |
|
|
|
|
27 |
WB0378
|
FITTING - 90 DEG |
2 |
|
|
|
|
28 |
PB4685
|
FITTING, QUICK DISCONNECT - FEMALE |
2 |
|
|
|
|
28 |
PB4684
|
QUICK DISCONNECT - MALE |
2 |
|
|
|
|
29 |
TA2968
|
PLUG, DUST |
2 |
|
|
|
|
30 |
WA0720
|
FLAT WASHER - 3/8" (HARDENED) |
4 |
|
|
|
|
31 |
DC7524
|
CAPSCREW - 3/8" - 16NC X 7/8" |
2 |
|
|
|
|
32 |
VG9096
|
SEAL, O-RING |
2 |
|
|
|
|
33 |
TF3237
|
CLAMP, SPLIT FLANGE |
4 |
|
|
|
|
34 |
C5775
|
LOCKWASHER - 7/16" |
8 |
|
|
|
|
35 |
C1609
|
CAPSCREW - 7/16" - 14NC X 1 1/2" |
8 |
|
|
|
|
36 |
C1614
|
CAPSCREW - 1/2" - 16NC X 1 1/2" |
12 |
|
|
|
|
37 |
VG9095
|
SEAL, O-RING |
3 |
|
|
|
|
38 |
TF8090
|
CLAMP, SPLIT FLANGE |
4 |
|
|
|
|
39 |
PB9839
|
VALVE, HOIST (SEE INDEX) |
1 |
|
60068 |
|
|
40 |
WB0584
|
FITTING, STRAIGHT ADAPTOR |
1 |
|
|
|
|
41 |
WA4709
|
CLAMP |
1 |
|
|
|
|
42 |
ED6502
|
TUBE |
1 |
|
|
|
|
43 |
EF9606
|
TUBE |
1 |
|
|
|
|
44 |
VH6718
|
CLAMP, SPLIT FLANGE |
4 |
|
|
|
|
45 |
WA0232
|
SEAL, O-RING |
2 |
|
|
|
|
46 |
C1615
|
CAPSCREW - 1/2" - 13NC X 1 3/4" |
8 |
|
|
|
|
47 |
ED6144
|
MANIFOLD |
1 |
|
|
|
|
48 |
VN6422
|
CAPSCREW - 3/8" - 16NC X 6 1/2" |
2 |
|
|
|
|
49 |
C1521
|
NUT - 3/8" |
2 |
|
|
|
|
50 |
TY8353
|
VALVE, SHUT-OFF (SEE INDEX) |
1 |
|
40166 |
|
|
51 |
EG3019
|
BRACKET |
1 |
|
|
|
|
52 |
C1629
|
CAPSCREW - 5/8" - 11NC X 1 3/4" |
2 |
|
|
|
|
53 |
C1631
|
CAPSCREW - 5/8" - 11NC X 2 1/4" |
4 |
|
|
|
|
54 |
ED6147
|
BRACKET |
1 |
|
|
|
|
55 |
PB6528
|
COUPLING, DIAGNOSTIC |
3 |
|
|
|
|
56 |
PB6041
|
CAP, DUST |
3 |
|
|
|
|
57 |
VM0321
|
PLUG, DRAIN |
1 |
|
|
|
|
58 |
MM0621
|
CAPSCREW - M12 X 1.75 X 45 |
4 |
|
|
|
|
59 |
MM0472
|
LOCKWASHER - M12 |
4 |
|
|