|
|
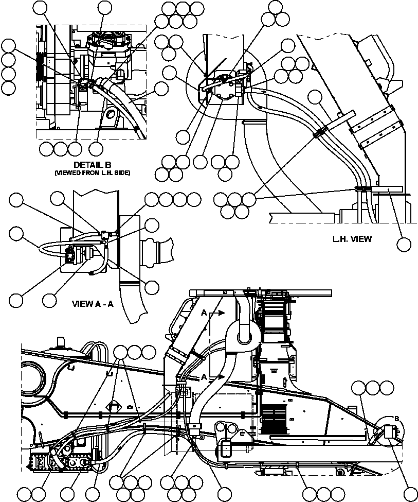
1 |
WB0593
|
FITTING, STRAIGHT ADAPTER |
1 |
|
|
|
|
2 |
HA8256
|
HOSE (BLOWER MOTOR TO HYDRAULIC OIL TANK) |
1 |
|
|
|
|
3 |
WB0552
|
FITTING, ELBOW - 45 DEG |
1 |
|
|
|
|
4 |
HA8255
|
HOSE (HYDRAULIC OIL TANK TO PUMP) |
1 |
|
|
|
|
5 |
HE5611
|
LOCKNUT - 3/8" - 16NC |
5 |
|
|
|
|
6 |
WA0720
|
FLAT WASHER - 3/8" (HARDENED) |
5 |
|
|
|
|
7 |
WB3096
|
CLAMP, CUSHIONED - 1 1/4" |
5 |
|
|
|
|
8 |
C1602
|
CAPSCREW - 3/8" - 16NC X 1" |
2 |
|
|
|
|
9 |
VG8325
|
SQUARE, CUT |
2 |
|
|
|
|
10 |
WB1307
|
CLAMP, CUSHIONED - 2 3/16" |
3 |
|
|
|
|
11 |
MM0713
|
FLAT WASHER - M10 (HARDENED) |
3 |
|
|
|
|
12 |
MM0471
|
LOCKWASHER - M10 |
4 |
|
|
|
|
13 |
MM0178
|
NUT, HEX - M10 X 1.50 |
2 |
|
|
|
|
14 |
WB1308
|
CLAMP, CUSHIONED - 1 1/16" |
2 |
|
|
|
|
15 |
HA7075
|
HOSE (PUMP TO BLOWER MOTOR) |
1 |
|
|
|
|
16 |
WA4713
|
CLAMP, HYDRA ZORB - 2 1/4" |
4 |
|
|
|
|
17 |
WA4708
|
CLAMP, HYDRA ZORB - 1" |
4 |
|
|
|
|
18 |
WA2900
|
CHANNEL (SPECIAL) |
4 |
|
|
|
|
19 |
PC1803
|
PUMP |
1 |
|
|
|
|
20 |
WB0584
|
FITTING, STRAIGHT ADAPTER |
1 |
|
|
|
|
21 |
PB7792
|
VALVE, RELIEF |
1 |
|
|
|
|
22 |
C7591
|
CAPSCREW - 1/4" - 20NC X 2" |
2 |
|
|
|
|
23 |
VN9773
|
FLAT WASHER - 1/4" |
2 |
|
|
|
|
24 |
C5774
|
LOCKWASHER - 1/4" |
2 |
|
|
|
|
25 |
WB0557
|
FITTING, TEE |
1 |
|
|
|
|
26 |
PB7791
|
COUPLING |
1 |
|
|
|
|
27 |
HA5913
|
HOSE |
1 |
|
|
|
|
28 |
HA8244
|
HOSE |
1 |
|
|
|
|
29 |
EL4112
|
SUPPORT |
1 |
|
|
|
|
30 |
EL4111
|
SUPPORT |
1 |
|
|
|
|
31 |
EB0408
|
ADAPTER, FLANGE |
1 |
|
|
|
|
32 |
VN6747
|
CAPSCREW - 7/16" - 14NC X 1 3/4" (SOCKET HEAD) |
4 |
|
|
|
|
33 |
VG9096
|
O-RING |
1 |
|
|
|
|
34 |
PC0245
|
MOTOR, BLOWER |
1 |
|
|
|
|
35 |
TG3309
|
CLAMP, SPLIT FLANGE |
4 |
|
|
|
|
36 |
VN3466
|
O-RING |
2 |
|
|
|
|
37 |
C1603
|
CAPSCREW - 3/8" - 16NC X 1 1/4" |
12 |
|
|
|
|
38 |
C0312
|
LOCKWASHER - 3/8" |
12 |
|
|
|
|
39 |
WA3073
|
FITTING |
1 |
|
|
|
|
40 |
EL0823
|
SHIELD, OIL |
1 |
|
|
|
|
41 |
MM0606
|
CAPSCREW - M10 X 1.50 X 30 |
3 |
|
|
|
|
42 |
MM0461
|
FLAT WASHER - M10 |
3 |
|
|
|
|
43 |
C1612
|
CAPSCREW - 1/2" - 13NC X 1" |
2 |
|
|
|
|
44 |
WA0360
|
FLAT WASHER - 1/2" (HARDENED) |
2 |
|
|
|
|
45 |
C1540
|
LOCKWASHER - 1/2" |
6 |
|
|
|
|
46 |
WB0583
|
FITTING, STRAIGHT ADAPTER |
1 |
|
|
|
|
47 |
WA4855
|
FITTING, ELBOW - 90 DEG |
1 |
|
|
|
|
48 |
TF8077
|
CLAMP, SPLIT FLANGE |
2 |
|
|
|
|
49 |
VG9097
|
SEAL, O-RING |
1 |
|
|
|
|
50 |
MM0620
|
CAPSCREW - M12 X 1.75 X 40 |
2 |
|
|
|
|
51 |
MM0714
|
FLAT WASHER - M12 (HARDENED) |
2 |
|
|
|
|
52 |
EL6086
|
GASKET, PUMP MOUNT |
1 |
|
|
|
|
53 |
WB0690
|
FITTING, STRAIGHT |
1 |
|
|
|
|
54 |
TF8090
|
CLAMP, SPLIT FLANGE |
2 |
|
|
|
|
55 |
TZ8655
|
FLANGE, ADAPTER |
1 |
|
|
|
|
56 |
C1618
|
CAPSCREW - 1/2" - 13NC X 2 1/2" |
4 |
|
|
|
|
57 |
VG9095
|
O-RING |
2 |
|
|
|
|
58 |
VM0314
|
PLUG, O-RING BOSS |
1 |
|
|