|
|
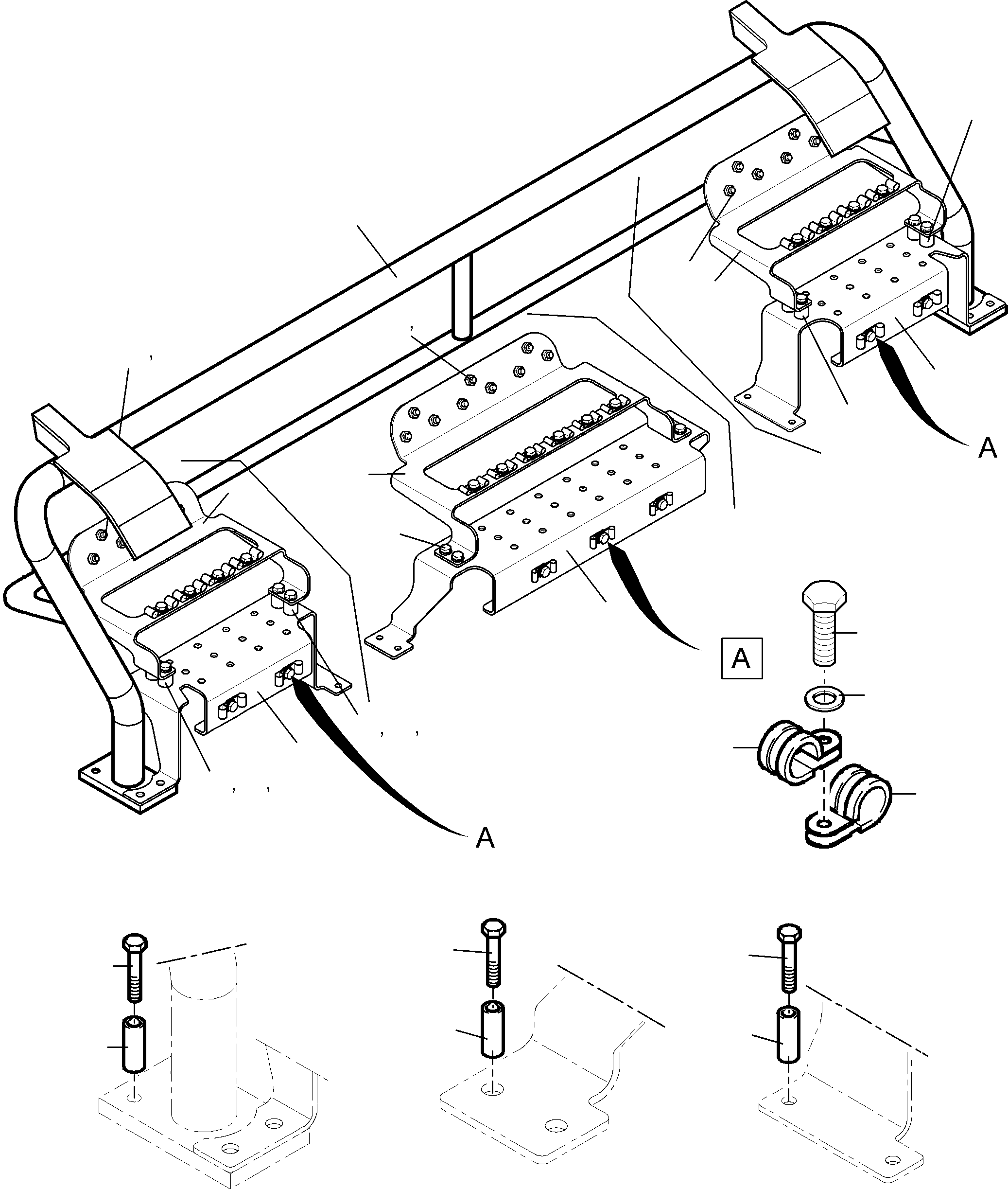
01 |
938 996 40
|
Control valve unit |
1 |
|
|
|
|
02 |
|
Control plate assy. |
2 |
|
991-0683 |
|
|
03 |
|
Control plate assy. |
2 |
|
991-0683 |
|
|
04 |
308 555 99
|
Bolt |
16 |
|
|
|
|
05 |
516 030 98
|
Hose assy. DN50 / 10x665 |
4 |
|
|
|
|
06 |
371 459 99
|
Socket |
49 |
|
|
|
|
07 |
516 174 98
|
Socket |
34 |
|
|
|
|
08 |
516 157 98
|
Socket |
2 |
|
|
|
|
09 |
516 052 98
|
Hose assy. DN50 / 10x1270 |
2 |
|
|
|
|
10 |
516 046 98
|
Hose assy. DN50 / 10x570 |
3 |
|
|
|
|
11 |
516 044 98
|
Hose assy. DN50 / 10x650 |
1 |
|
|
|
|
12 |
516 054 98
|
Hose assy. DN50 / 10x1850 |
1 |
|
|
|
|
13 |
518 114 98
|
Hose assy. DN50 / 10x1210 |
1 |
|
|
|
|
14 |
516 056 98
|
Hose assy. DN50 / 10x1560 |
1 |
|
|
|
|
15 |
516 055 98
|
Hose assy. DN50 / 10x1710 |
1 |
|
|
|
|
16 |
516 054 98
|
Hose assy. DN50 / 10x1850 |
1 |
|
|
|
|
17 |
515 540 98
|
Hose assy. DN50 / 10x2000 |
1 |
|
|
|
|
18 |
518 116 98
|
Hose assy. DN50 / 10x2170 |
1 |
|
|
|
|
19 |
516 045 98
|
Hose assy. DN50 / 10x1240 |
1 |
|
|
|
|
20 |
518 115 98
|
Hose assy. DN50 / 10x1330 |
1 |
|
|
|
|
21 |
516 056 98
|
Hose assy. DN50 / 10x1560 |
1 |
|
|
|
|
22 |
516 055 98
|
Hose assy. DN50 / 10x1710 |
1 |
|
|
|
|
23 |
515 745 98
|
Hose assy. DN50 / 10x1000 |
2 |
|
|
|
|
24 |
516 038 98
|
Hose assy. DN50 / 10x665 |
2 |
|
|
|
|
25 |
518 115 98
|
Hose assy. DN50 / 10x1330 |
1 |
|
|
|
|
26 |
515 536 98
|
Hose assy. DN50 / 10x1150 |
2 |
|
|
|
|
27 |
516 045 98
|
Hose assy. DN50 / 10x1240 |
1 |
|
|
|
|
28 |
515 747 98
|
Hose assy. DN50 / 10x1550 |
1 |
|
|
|
|
29 |
516 055 98
|
Hose assy. DN50 / 10x1710 |
1 |
|
|
|
|
30 |
515 543 98
|
Hose assy. DN50 / 10x1200 |
1 |
|
|
|
|
31 |
931 401 40
|
Hose support |
1 |
|
|
|
|
32 |
510 741 98
|
Resilient sleeve |
8 |
|
|
|
|
33 |
502 006 98
|
Bolt |
4 |
|
|
|
|
34 |
308 435 99
|
Bolt |
4 |
|
|
|
|
35 |
515 744 98
|
Hose assy. DN50 / 10x1400 |
1 |
|
|
|
|
36 |
515 754 98
|
Hose assy. DN50 / 10x1100 |
1 |
|
|
|
|
37 |
516 050 98
|
Hose assy. DN50 / 10x1090 |
1 |
|
|
|
|
38 |
443451510
|
Clip |
60 |
|
|
|
|
41 |
517 122 98
|
Washer |
90 |
|
|
|
|
42 |
307 775 98
|
Bolt |
60 |
|
|
|
|
43 |
332 113 99
|
Nut |
60 |
|
|
|
|
44 |
937 306 40
|
Retainer cpl. left |
1 |
|
|
|
|
45 |
937 318 40
|
Retainer cpl. middle |
1 |
|
|
|
|
46 |
937 313 40
|
Retainer cpl. right |
1 |
|
|
|
|
47 |
510 746 98
|
Resilient sleeve |
8 |
|
|
|
|
48 |
308 578 99
|
Hexagonscrew |
8 |
|
|
|
|
49 |
937 311 40
|
Retainer cpl. below |
1 |
|
|
|
|
50 |
937 309 40
|
Retainer cpl. above |
1 |
|
|
|
|
51 |
307 777 99
|
Bolt |
50 |
|
|
|
|
52 |
517 122 98
|
Lock washer |
12 |
|
|
|
|
53 |
340 465 99
|
Washer |
42 |
|
|
|
|
54 |
443 450 810
|
Clip |
84 |
|
|
|
|
55 |
308 577 99
|
Bolt |
8 |
|
|
|
|
56 |
516 143 98
|
Resilient sleeve |
8 |
|
|
|
|
57 |
937 315 40
|
Retainer cpl. below |
1 |
|
|
|
|
58 |
937 317 40
|
Retainer cpl. above |
1 |
|
|
|
|
59 |
937 307 40
|
Retainer cpl. below |
1 |
|
|
|
|
60 |
937 309 40
|
Retainer cpl. above |
1 |
|
|
|
|
61 |
517 618 98
|
Hose assy. DN 16 x 8000 |
1 |
|
|
|
|
62 |
516 655 98
|
Hose assy. DN 16 x 5700 |
1 |
|
|
|
|
63 |
621 127 40
|
Union |
1 |
|
|
|
|
64 |
515 865 98
|
Socket |
1 |
|
|
|
|
65 |
635 997 40
|
Union |
1 |
|
|
|
|
66 |
516 038 98
|
Hose assy. DN 10 x 665 |
1 |
|
|