|
|
? |
928 704 40
|
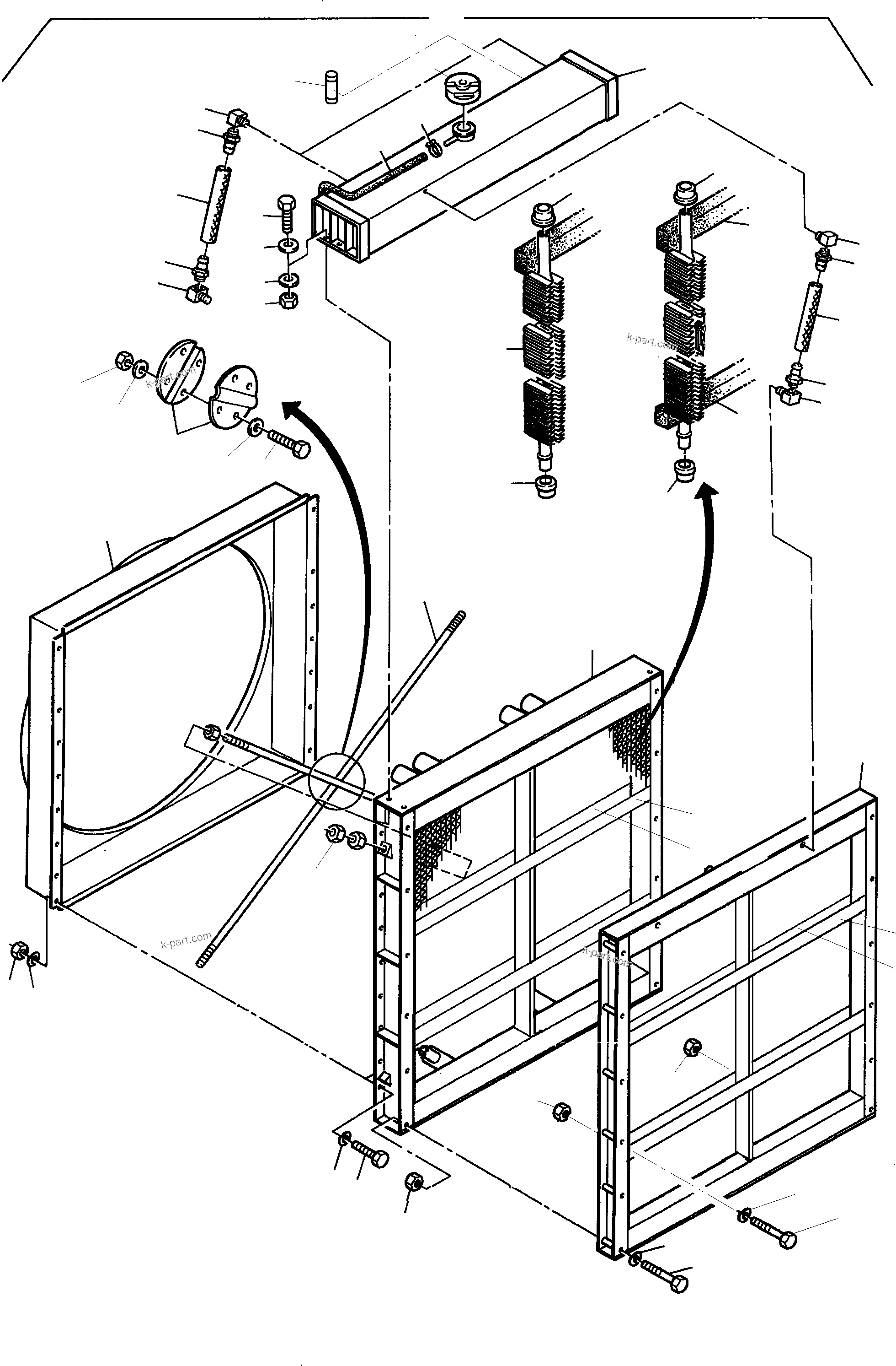
Radiator assy. |
1 |
InternBDB: 112424 - Mesabi
|
|
|
|
? |
793 494 73
|
Radiator frame (HTC - Hi temp) assy consist. of fig. nr. 2, 6, 9, 11, 12, 17, 18, 19, 20, 23, 24, |
1 |
InternBDB: 114348
|
|
|
|
? |
793 495 73
|
Radiator frame (LTC - Low temp) assy consist. of fig. nr. 3, 6, 9, 11, 19, 20, 21, 22, 23, 24, 25, |
1 |
InternBDB: 114329
|
|
|
|
? |
768 965 73
|
Radiator frame |
1 |
InternBDB: 114347
|
|
|
|
? |
768 964 73
|
Radiator frame |
1 |
InternBDB: 112118
|
|
|
|
? |
769 772 73
|
Surge tank |
1 |
InternBDB: 96217
|
|
|
|
? |
769 773 73
|
Fan shroud |
1 |
InternBDB: 96216
|
|
|
|
? |
768 967 73
|
Pipe |
920 |
InternBDB: 78.10.4150
|
|
|
|
? |
768 972 73
|
Sight glass |
1 |
InternBDB: 55502.05
|
|
|
|
? |
768 968 73
|
Hose |
3 |
InternBDB: 47513.09
|
|
|
|
? |
769 778 73
|
Insulation strip |
2 |
InternBDB: 33082.85
|
|
|
|
? |
764 487 73
|
Fitting |
6 |
InternBDB: 47515.04
|
|
|
|
? |
769 777 73
|
Insulation stip |
2 |
InternBDB: 33083.85
|
|
|
|
? |
764 521 73
|
Clamp |
2 |
InternBDB: 32808
|
|
|
|
? |
764 489 73
|
Adapter |
6 |
InternBDB: 47516.07
|
|
|
|
? |
761 086 73
|
Tube pole cap |
1 |
InternBDB: 33016.04
|
|
|
|
? |
769 779 73
|
Hose |
1 |
InternBDB: 34987.49
|
|
|
|
? |
764 491 73
|
Clamp |
3 |
InternBDB: 34988
|
|
|
|
? |
793 497 73
|
Support bar |
2 |
InternBDB: 114349
|
|
|
|
? |
793 498 73
|
Support bar |
2 |
InternBDB: 114348
|
|
|
|
? |
780 314 73
|
Rubber seal |
920 |
InternBDB: 35780
|
|
|
|
? |
764 494 73
|
Rubber seal |
920 |
InternBDB: 87530
|
|
|
|
? |
768 974 73
|
Support bar |
2 |
InternBDB: 100993
|
|
|
|
? |
763 706 73
|
Support bar |
2 |
InternBDB: 100995
|
|
|
|
? |
768 969 73
|
Washer |
52 |
InternBDB: 42174.07
|
|
|
|
? |
768 971 73
|
Nut |
44 |
InternBDB: 9875.37
|
|
|
|
? |
768 970 73
|
Washer |
4 |
InternBDB: 42174.06
|
|
|
|
? |
502 313 98
|
Bolt |
4 |
InternBDB: 33053.03 5/16-18 UNC x 3/4
|
|
|
|
? |
005 833 98
|
Bolt |
52 |
InternBDB: 33054.04 3/8-16 UNC x 1
|
|
|
|
? |
004 869 98
|
Bolt |
16 |
InternBDB: 33054.05 3/8-16 UNC x 1 1/4
|
|
|
|
? |
005 834 98
|
Bolt |
6 |
InternBDB: 33056.05 1/2-13 UNC x 1 1/4
|
|
|
|
? |
793 493 78
|
Clasp |
2 |
InternBDB: 32808
|
|
|
|
? |
764 504 73
|
Nut |
32 |
InternBDB: 33066.03
|
|
|
|
? |
764 503 73
|
Nut |
4 |
InternBDB: 36583.02
|
|
|
|
? |
007 021 98
|
Nut |
6 |
InternBDB: 33066.05 1/2 x 13 UNC
|
|
|
|
? |
764 505 73
|
Nut |
12 |
InternBDB: 33067.07
|
|
|
|
? |
346 500 99
|
Lock washer |
32 |
InternBDB: 33068.11 / 6 /128
|
|
|
|
? |
346 501 99
|
Lock washer |
6 |
InternBDB: 33068.13 / 14 /128
|
|
|
|
? |
340 464 99
|
Washer |
8 |
InternBDB: 33069.06 / 8,4 /125
|
|
|
|
? |
340 465 99
|
Washer |
32 |
InternBDB: 33069.07 / 10,5 /125
|
|
|
|
? |
340 467 99
|
Washer |
6 |
InternBDB: 33069.09 / 13 /125
|
|