Search in all models by partnumber
Search current book

Komatsu PC5500-6 S/N 15056 parts catalog PDF

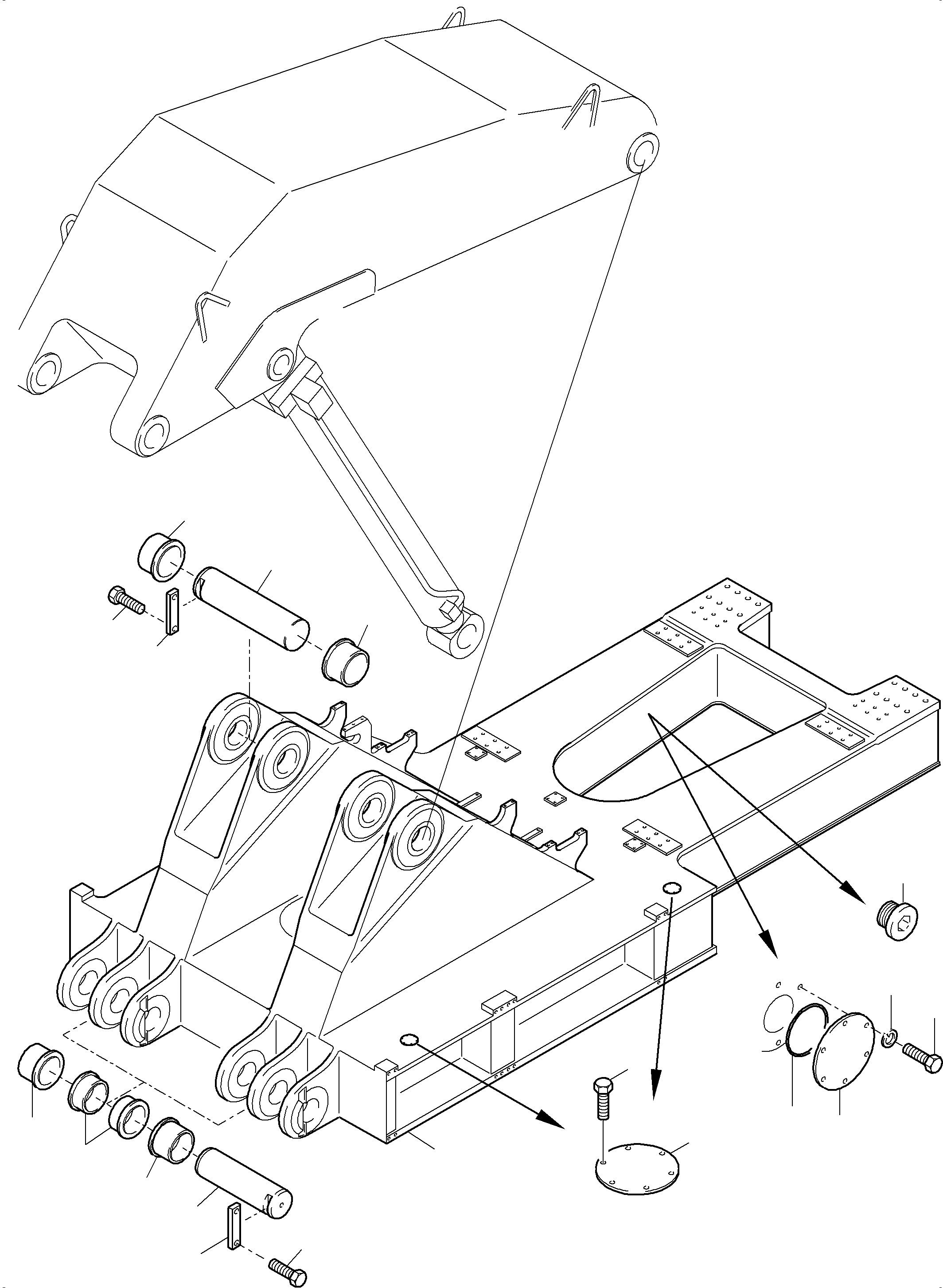
SUPERSTRUCTURE PLATFORM (515-1015k) in PC5500-6 S/N 15056. Diagram image and parts list.

Model manual types and quick links