|
|
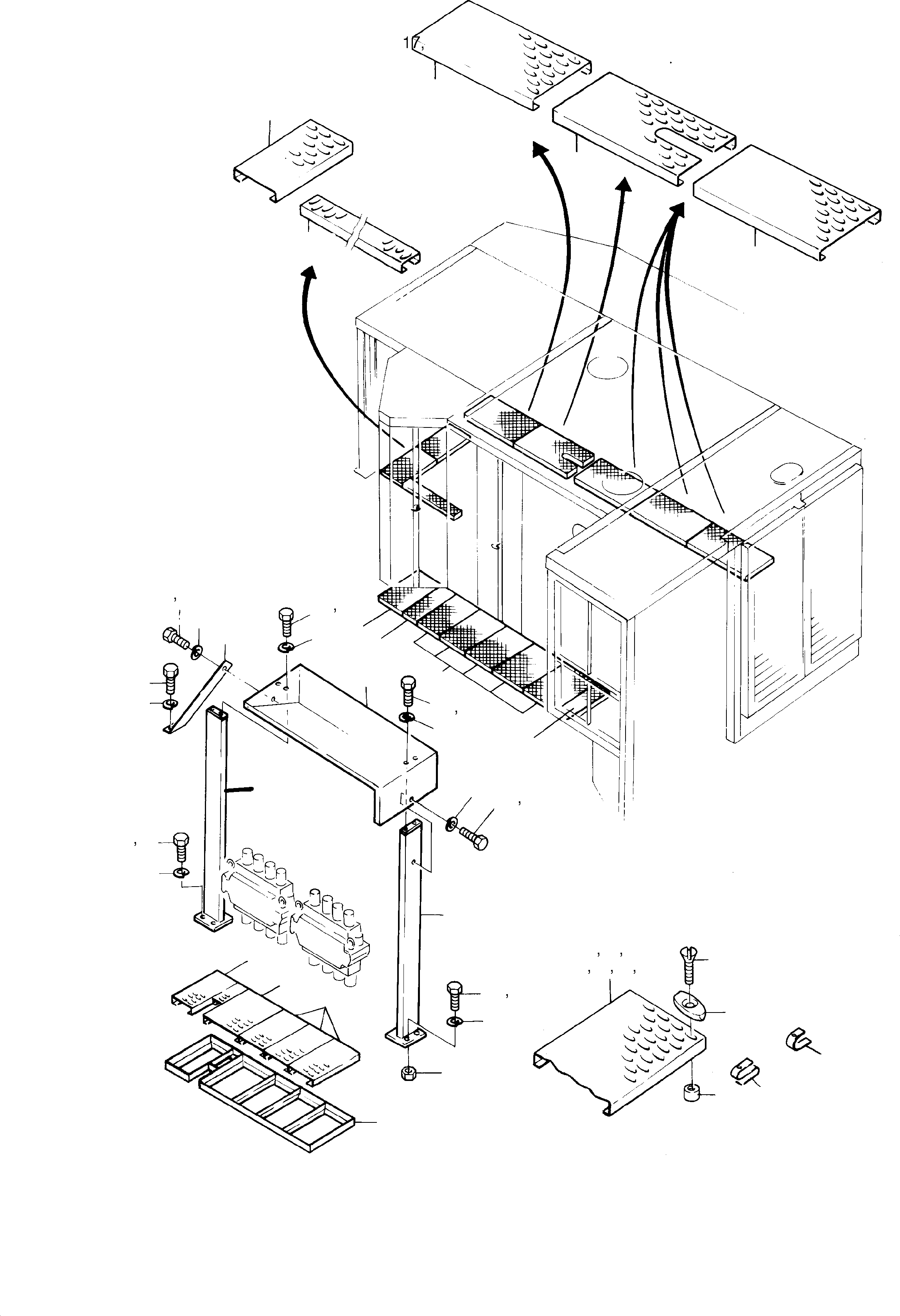
01 |
331 552 40
|
Grating 300x660 |
2 |
InternBDB: Fa. Grдpel | InternKon: 357 700 40 / 35
|
|
|
|
02 |
371 495 40
|
Grating 120x900 |
1 |
InternKon: 357 700 40 / 37
|
|
|
|
03 |
371 492 40
|
Grating 360x960 |
1 |
InternKon: 357 700 40 / 33
|
|
|
|
04 |
396 185 40
|
Grating 360x930 |
1 |
InternBDB: TL | InternKon: 357 700 40 / 80
|
|
|
|
05 |
371 493 40
|
Grating 360x930 |
3 |
InternKon: 357 700 40 / 34
|
|
|
|
06 |
371 494 40
|
Grating 300x570 |
2 |
InternKon: 357 700 40 / 36
|
|
|
|
07 |
371 491 40
|
Grating 480x570 |
6 |
InternKon: 357 700 40 / 32
|
|
|
|
08 |
502 354 98
|
Bolt |
64 |
InternBDB: M8x40 /963 | InternKon: 357 700 40 / 55
|
|
|
|
09 |
317 318 40
|
Wing nut |
64 |
InternBDB: Fa. Grдpel 366.001 | InternKon: 357 700 40 / 42
|
|
|
|
10 |
317 319 40
|
Threaded block |
32 |
InternBDB: TL
|
|
|
|
11 |
414 516 40
|
Clip |
32 |
InternBDB: Grдpel 3000575001 H=40 | InternKon: 357 700 40 / 80
|
|
|
|
12 |
403 275 40
|
Clip |
-2 |
InternBDB: Grдpel 3003234001 H=40 | InternKon: 322 685 40 / 58
|
|
|
|
15 |
410 062 40
|
Support |
1 |
InternKon: 322 685 40 / 16
|
|
|
|
16 |
410 063 40
|
Support |
1 |
InternKon: 322 685 40 / 17
|
|
|
|
17 |
307 826 99
|
Bolt 50 lg. |
6 |
InternBDB: M16x50 /933 | InternKon: 322 685 40 / 18
|
|
|
|
18 |
307 823 99
|
Bolt 35 lg. |
6 |
InternBDB: M16x35 /933 | InternKon: 322 685 40 / 19
|
|
|
|
19 |
343 116 99
|
Lock washer |
12 |
InternBDB: 16 /128 | InternKon: 322 685 40 / 20
|
|
|
|
20 |
332 336 99
|
Nut |
12 |
InternBDB: M16 /934
|
|
|
|
21 |
410 037 40
|
Brace |
1 |
InternKon: 322 685 40 / 21
|
|
|
|
22 |
410 057 40
|
Covering |
1 |
InternKon: 322 685 40 / 15
|
|
|
|
23 |
307 843 99
|
Bolt |
1 |
InternBDB: M20x40 /933 | InternKon: 322 685 40 / 22
|
|
|
|
24 |
343 117 99
|
Lock washer |
1 |
InternBDB: 20 /127 | InternKon: 322 685 40 / 23
|
|
|
|
30 |
410 076 40
|
Platform |
1 |
InternKon: 371 590 40 / 72
|
|
|
|
31 |
318 968 40
|
Grating 300x480 |
4 |
InternKon: 371 590 40 / 75
|
|
|
|
32 |
323 974 40
|
Grating 480x480 |
1 |
InternKon: 371 590 40 / 74
|
|