|
|
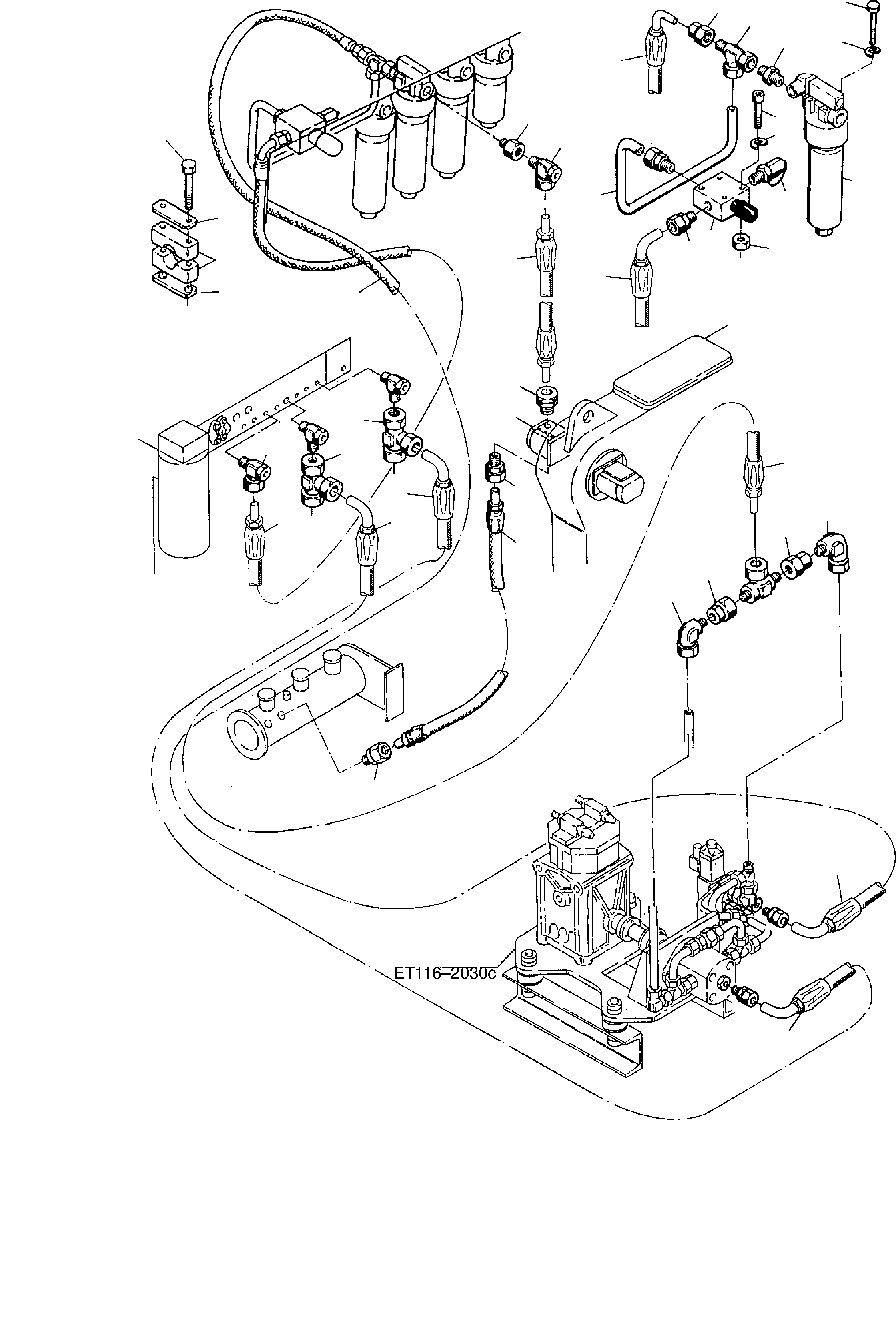
01 |
|
H.P. filter |
1 |
InternBDB: 414 978 40 | InternKon: 457 283 40 / 3
|
090-5583 |
|
|
02 |
180 291 40
|
Pressure relief valve |
1 |
InternBDB: Rexroth DBDS 6 G 10/ 200 | InternKon: 457 283 40 / 2
|
|
|
|
03 |
635 055 40
|
Air condition pump |
1 |
InternBDB: Sauer PNN 25+19 SC 041 F | InternKon: 457 283 40 / 1
|
|
|
|
04 |
371 452 99
|
Union |
2 |
InternBDB: GE 12-PL/ R 1/4 | InternKon: 457 283 40 / 19
|
|
|
|
05 |
371 976 99
|
Union |
1 |
InternBDB: FFS 16 /2353 | InternKon: 457 283 40 / 5
|
|
|
|
06 |
372 972 99
|
Union |
1 |
InternBDB: KOR 20/12-PS | InternKon: 457 283 40 / 18
|
|
|
|
07 |
007 140 98
|
Union |
1 |
InternBDB: Voss 12-LR | InternKon: 457 283 40 / 28
|
|
|
|
08 |
372 452 99
|
Union |
2 |
InternBDB: DL 22 /2353 | InternKon: 457 283 40 / 7
|
|
|
|
09 |
372 335 99
|
Socket |
1 |
InternBDB: EVGE 20-PSR- ED | InternKon: 457 283 40 / 16
|
|
|
|
10 |
215 642 99
|
Pipe Ш 12
Bulk ware, state length
required |
-2 |
InternBDB: 12x2 /2391 | InternKon: 457 283 40 / 21
|
|
|
|
11 |
007 141 98
|
Union |
1 |
InternBDB: Voss 15-LR | InternKon: 457 283 40 / 14
|
|
|
|
12 |
643 851 40
|
Hose assy. NW 20x1000 lg. |
1 |
InternBDB: DOL 22 /DOL 22 WN 341 951 40 | InternKon: 457 283 40 / 10
|
|
|
|
13 |
604 081 40
|
Hose assy. NW 10x7300 lg. |
1 |
InternBDB: DOL 12 /DOL 12 WN 341 951 40 | InternKon: 457 283 40 / 34
|
|
|
|
14 |
643 850 40
|
Hose assy. NW 12x7300 lg. |
1 |
InternBDB: DOL 15 /DOL 15 - 90 ? WN 341 951 40 | InternKon: 457 283 40 / 35
|
|
|
|
15 |
643 849 40
|
Hose assy. NW 12x1000 lg. |
1 |
InternBDB: DOL 15 /DOL 15 WN 341 951 40 | InternKon: 457 283 40 / 13
|
|
|
|
16 |
643 847 40
|
Hose assy. NW 10x8000 lg. |
1 |
InternBDB: DOS 12 /DOS 12 - 90 ? WN 341 951 40 | InternKon: 457 283 40 / 26
|
|
|
|
17 |
643 848 40
|
Hose assy. NW 10x2900 lg. |
1 |
InternBDB: DOL 12 /DOL 12 - 90 ? WN 341 951 40 | InternKon: 457 283 40 / 27
|
|
|
|
18 |
372 881 99
|
Socket |
1 |
InternBDB: Ri 3/4x1/2 | InternKon: 457 283 40 / 15
|
|
|
|
19 |
371 953 99
|
Union |
1 |
InternBDB: FFL 12 /2353 | InternKon: 457 283 40 / 6
|
|
|
|
20 |
373 793 99
|
Union |
1 |
InternBDB: TR 20/12/20-S | InternKon: 457 283 40 / 17
|
|
|
|
21 |
372 172 99
|
Union |
2 |
InternBDB: DDL 12 /2353 | InternKon: 457 283 40 / 29
|
|
|
|
22 |
372 899 99
|
Union |
2 |
InternBDB: KOR 15/12-PL | InternKon: 457 283 40 / 30
|
|
|
|
23 |
370 314 99
|
Union |
1 |
InternBDB: DL 15 /2353 | InternKon: 457 283 40 / 11
|
|
|
|
24 |
153 646 40
|
Test coupling |
1 |
InternBDB: AR 1/4 | InternKon: 457 283 40 / 20
|
|
|
|
25 |
504 817 98
|
Clamp |
4 |
InternBDB: H-CS 4/20 | InternKon: 457 283 40 / 43
|
|
|
|
26 |
534 002 99
|
Plate |
4 |
InternBDB: ES 4 | InternKon: 457 283 40 / 40
|
|
|
|
27 |
534 001 99
|
Plate |
4 |
InternBDB: DS 4 | InternKon: 457 283 40 / 41
|
|
|
|
28 |
308 579 99
|
Bolt |
8 |
InternBDB: M10x60 /931 | InternKon: 457 283 40 / 42
|
|
|
|
29 |
307 729 98
|
Bolt |
4 |
InternBDB: M6x18 /933 | InternKon: 457 283 40 / 48
|
|
|
|
30 |
504 135 98
|
Screw |
4 |
InternBDB: M6x55 /912 | InternKon: 457 283 40 / 50
|
|
|
|
31 |
346 499 99
|
Lock washer |
4 |
InternBDB: 6 /128 | InternKon: 457 283 40 / 49
|
|
|
|
32 |
343 853 99
|
Lock washer |
4 |
InternBDB: 6 /7980 | InternKon: 457 283 40 / 52
|
|
|
|
33 |
332 110 99
|
Nut |
4 |
InternBDB: M 6 /934 | InternKon: 457 283 40 / 51
|
|