|
|
? |
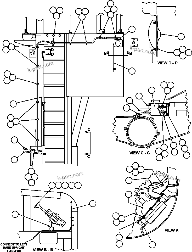
VN5153
|
WIRE, GROUND |
3 |
|
|
|
|
? |
SP6153
|
LOCKWASHER - 3/8" (EXTERNAL/INTERNAL TOOTH) |
6 |
|
|
|
|
? |
TC1233
|
NUT - 3/8" - 16NC |
16 |
|
|
|
|
? |
TC1231
|
LOCKWASHER - 3/8" |
16 |
|
|
|
|
? |
TG2562
|
CLAMP |
9 |
|
|
|
|
? |
VH9969
|
WELD STUD - 3/8" - 16NC X 3/4" |
4 |
|
|
|
|
? |
TF6925
|
CLAMP |
1 |
|
|
|
|
? |
YA2578
|
HARNESS, LADDER LIGHT - L.H. |
1 |
|
|
|
|
? |
EJ5655
|
HARNESS - LEFT UPRIGHT/DECK |
1 |
|
|
|
|
? |
VN9907
|
CLAMP |
11 |
|
|
|
|
? |
EF7755
|
HARNESS, LEFT DECK JUMPER (DECK LIGHTS) |
1 |
|
|
|
|
? |
VN6402
|
CAPSCREW - 3/8" - 16NC X 3/8" |
4 |
|
|
|
|
? |
C0312
|
LOCKWASHER - 3/8" |
4 |
|
|
|
|
? |
TY7470
|
PLATE, MOUNTING |
1 |
|
|
|
|
? |
DC5004
|
MACHINE SCREW - #12 - 24NC X 1/2" |
3 |
|
|
|
|
? |
VD2047
|
LOCKWASHER - #12 |
3 |
|
|
|
|
? |
TR8580
|
NUT - #12 - 24NC |
3 |
|
|
|
|
? |
AK8456
|
FRONT TURN & CLEARANCE LIGHTS (SEE FIG 41107) |
1 |
|
41107 |
|
|
? |
TZ2413
|
LADDER LIGHT ASSEMBLY (SEE INDEX) |
3 |
|
41338 |
|
|
? |
WA4770
|
MACHINE SCREW - #10 - 24NC X 2" |
4 |
|
|
|
|
? |
EJ5656
|
HARNESS - L.H. FRAME RAIL |
1 |
|
|
|
|
? |
TZ0876
|
JUNCTION BOX ASSEMBLY - L.H. |
1 |
|
|
|
|
? |
TZ0549
|
BOX |
1 |
|
|
|
|
? |
WA3367
|
NUT ASSEMBLY |
24 |
|
|
|
|
? |
VS8479
|
BOARD, TERMINAL |
2 |
|
|
|
|
? |
SR8325
|
SWITCH, TOGGLE (ENGINE MAINTENANCE LIGHTS) |
1 |
|
|
|
|
? |
PB3324
|
BOOT, TOGGLE SWITCH |
1 |
|
|
|
|
? |
VF2231
|
MACHINE SCREW - #10 - 24NC X 3/8" |
4 |
|
|
|
|
? |
DC3101
|
LOCKWASHER - #10 |
4 |
|
|
|
|
? |
TD1548
|
CAPSCREW - 1/4" - 20NC X 5/8" |
4 |
|
|
|
|
? |
DC3584
|
LOCKWASHER - 1/4" |
4 |
|
|
|
|
? |
SP8417
|
FLAT WASHER - 1/4" |
4 |
|
|
|
|
? |
EB5973
|
STRIP, CIRCUIT IDENTIFICATION (TB 18) |
1 |
|
|
|
|
? |
WA6683
|
STRIP, CIRCUIT IDENTIFICATION (TB 17) |
1 |
|
|
|
|
? |
DC3101
|
LOCKWASHER - #10 |
4 |
|
|
|
|
? |
VC5344
|
FLAT WASHER - #10 |
4 |
|
|
|
|
? |
DF0017
|
NUT - #10 - 24NC |
4 |
|
|
|
|
? |
|
(NOT USED THIS APPLICATION) |
-1 |
|
|
|
|
? |
PB9255
|
HORN |
1 |
|
|
|
|
? |
MM0617
|
CAPSCREW - M12 X 1.75 X 25 |
2 |
|
|
|
|
? |
MM0462
|
FLAT WASHER - M12 |
2 |
|
|
|
|
? |
MM0472
|
LOCKWASHER - M12 |
2 |
|
|
|
|
? |
MM0179
|
NUT - M12 X 1.75 |
2 |
|
|
|
|
? |
EJ5652
|
HARNESS, HORN JUMPER |
1 |
|
|
|
|
? |
VZ3250
|
DIODE ASSEMBLY |
1 |
|
|