|
|
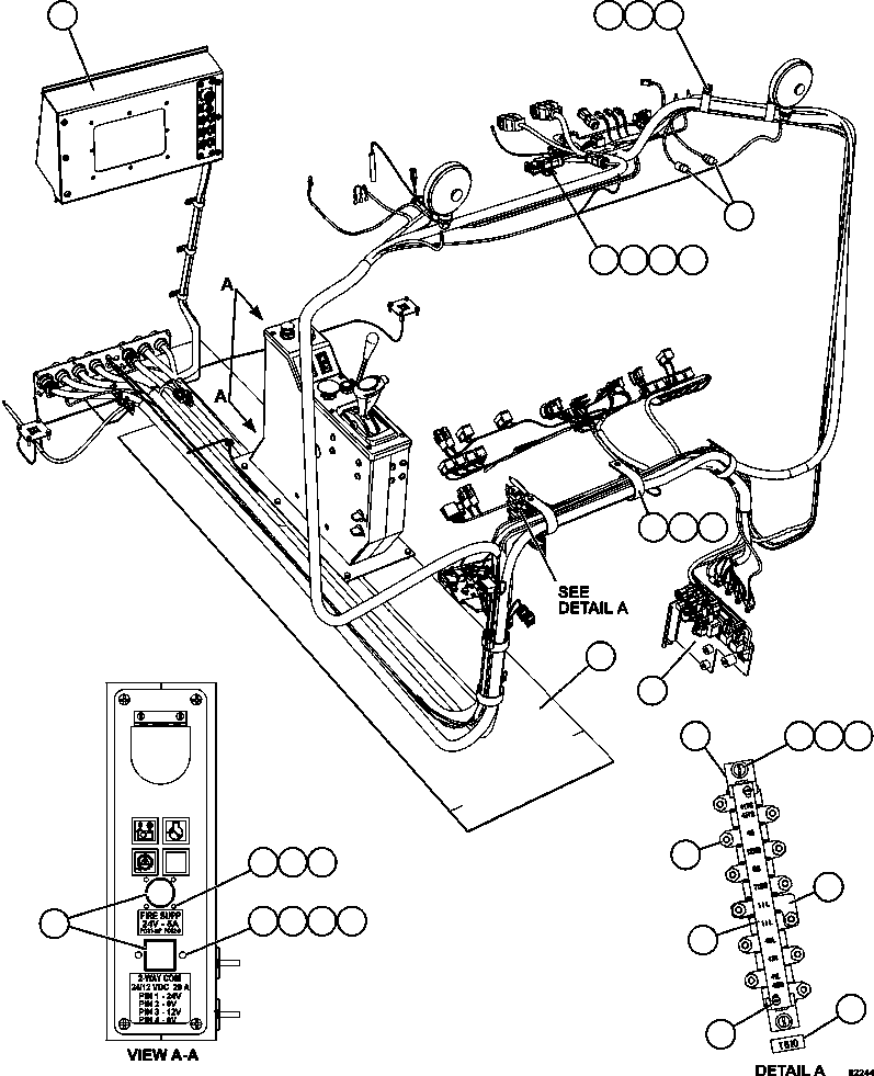
1 |
|
DIAGNOSTIC INFORMATION DISPLAY (DID) PANEL (SEE FIG 61502) |
1 |
|
61502 |
|
|
2 |
|
WIPER/WASHER TIMER DELAY MODULES (SEE FIG 62246) |
1 |
|
62246 |
|
|
3 |
EK4010
|
MAT, PROTECTIVE RUBBER |
1 |
|
|
|
|
4 |
MM0460
|
FLAT WASHER - M8 |
7 |
|
|
|
|
5 |
MM0177
|
NUT - M8 X 1.25 |
7 |
|
|
|
|
6 |
VC7674
|
CLAMP, VINYL - 2 7/16" I.D. |
5 |
|
|
|
|
7 |
WB3096
|
CLAMP, CUSHIONED - 1 1/4" |
2 |
|
|
|
|
8 |
VS8192
|
BOARD, TERMINAL (SEE FIG 64070A) |
1 |
|
64070A |
|
|
9 |
TG1929
|
MACHINE SCREW - #10 - 24NC X 1/2" |
2 |
|
|
|
|
10 |
DC3101
|
LOCKWASHER - #10 |
2 |
|
|
|
|
11 |
VC5344
|
FLAT WASHER - #10 |
2 |
|
|
|
|
12 |
EB7418
|
BAR, BUS |
1 |
|
|
|
|
13 |
WB0820
|
NAME PLATE - TB10 |
1 |
|
|
|
|
14 |
VM2951
|
SCREW, SELF-TAPPING - #6 - 32NC X 5/16" |
2 |
|
|
|
|
15 |
WB3180
|
STRIP, CIRCUIT ID |
1 |
|
|
|
|
16 |
WA3367
|
NUT ASSEMBLY |
12 |
|
|
|
|
17 |
XC3494
|
HARNESS, CAB OVERHEAD |
1 |
|
|
|
|
17 |
EF2687
|
RESISTOR - 470 OHM (R16) |
1 |
|
|
|
|
17 |
PC2834
|
DIODE - 4 AMP (D78, D79, D85, D86, RD1) |
5 |
|
|
|
|
18 |
MM0331
|
MACHINE SCREW - M3 X .5 X 20 |
4 |
|
|
|
|
19 |
MM0376
|
LOCKWASHER - M3 (EXTERNAL TOOTH) |
4 |
|
|
|
|
20 |
MM0370
|
NUT - M3 X .5 |
4 |
|
|
|
|
21 |
MM0344
|
MACHINE SCREW - M4 X .7 X 20 |
2 |
|
|
|
|
22 |
MM0378
|
LOCKWASHER - M4 (EXTERNAL TOOTH) |
2 |
|
|
|
|
23 |
MM0205
|
LOCKWASHER - M4 |
2 |
|
|
|
|
24 |
MM0372
|
NUT - M4 X .7 |
2 |
|
|
|
|
25 |
PC1701
|
FITTING, BULKHEAD (COAX) |
2 |
|
|
|
|
26 |
08193-21012
|
CLIP |
1 |
|
|
|
|
27 |
MM0459
|
FLAT WASHER - M6 |
1 |
|
|
|
|
28 |
MM0469
|
LOCKWASHER - M6 |
1 |
|
|
|
|
29 |
MM0717
|
NUT - M6 X 1.00 |
1 |
|
|