|
|
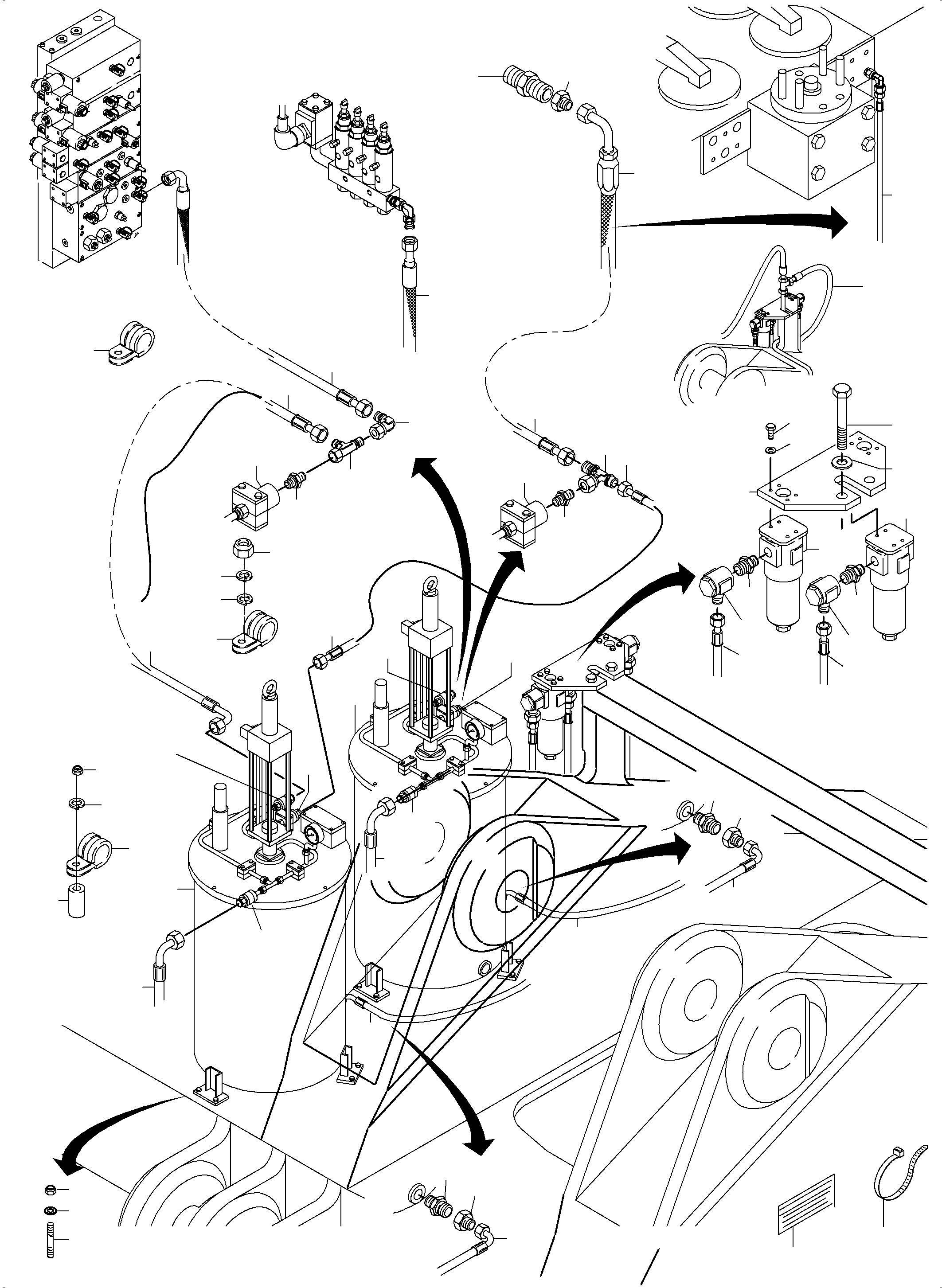
01 |
|
Lube pump station |
2 |
InternBDB: 907 650 40 | InternKon: 923 909 40 / 2
|
991-0548c |
|
|
02 |
515 999 98
|
Hose assy. DN 20x1550 |
1 |
InternBDB: SHL120 20X 1550 DOL 22 DOL 22 90 WN 34195140 | InternKon: 923 909 40 / 14
|
|
|
|
03 |
516 616 98
|
Socket |
4 |
InternBDB: STUTZEN RI E 1 1/4AX 3/4 ST ZN WN 65590940 | InternKon: 923 909 40 / 8
|
|
|
|
04 |
907 051 40
|
Union |
4 |
InternBDB: VERSHR 22 LR/OMD ST ZN WN 65593440 | InternKon: 923 909 40 / 7
|
|
|
|
05 |
374 438 99
|
Socket |
2 |
InternBDB: SDS-L22XG 3/4A- TYPE E ST A3C ISO 08434 | InternKon: 923 909 40 / 9
|
|
|
|
06 |
|
Pressure filter |
2 |
InternBDB: 941 327 40 | InternKon: 923 909 40 / 3
|
991-0839 |
|
|
07 |
518 349 98
|
Hose assy. DN 20x1350 |
1 |
InternBDB: SHL120 20X 1350 DOL 22 DOL 22 90 WN 34195140 | InternKon: 923 909 40 / 15
|
|
|
|
08 |
374 431 99
|
Socket |
1 |
InternBDB: SDS-L28XM33x2 - TYPE E ST A3C ISO 08434 | InternKon: 923 909 40 / 24
|
|
|
|
09 |
551 345 40
|
Union |
1 |
InternBDB: VERSHR RED 28/22-PL/OMD ST A3C | InternKon: 923 909 40 / 25
|
|
|
|
11 |
514 748 98
|
Hose assy. DN 8x1610 |
1 |
InternBDB: SHL240 08X 1610 DOL 10 DOL 10 90 WN 34195140 | InternKon: 923 909 40 / 16
|
|
|
|
12 |
514 749 98
|
Hose assy. DN 12x1350 |
1 |
InternBDB: SHL240 12X 1350 DOL 15 DOL 15 90 WN 34195140 | InternKon: 923 909 40 / 17
|
|
|
|
13 |
514 360 98
|
Hose assy. DN 20x4900 |
1 |
InternBDB: SHL120 20X 4900 DOL 22 DOL 22 90 WN 34195140 | InternKon: 923 909 40 / 18
|
|
|
|
14 |
518 350 98
|
Hose assy. DN 10x5850 |
1 |
InternBDB: SHL050 10X 5850 DOL 12 DOL 12 45 WN 34195140 | InternKon: 923 909 40 / 19
|
|
|
|
15 |
518 351 98
|
Hose assy. DN 20x2650 |
1 |
InternBDB: SHL350 20X 2650 DOS 25 DOS 25 90 WN 34195140 | InternKon: 923 909 40 / 20
|
|
|
|
16 |
518 352 98
|
Hose assy. DN 20x2250 |
1 |
InternBDB: SHL350 20X 2250 CES 25 DOS 25 90 WN 34195140 | InternKon: 923 909 40 / 21
|
|
|
|
17 |
621 772 40
|
Union |
1 |
InternBDB: VERSHR TR 22/22/15PL/OMD ST A3C | InternKon: 923 909 40 / 22
|
|
|
|
18 |
634 483 40
|
Union |
1 |
InternBDB: VERSHR TR 10/12/10PL/OMD ST A3C | InternKon: 923 909 40 / 23
|
|
|
|
19 |
208 897 40
|
Protective plug |
2 |
InternBDB: SCHUTZSTOPFEN 63 6591 413 056 | InternKon: 923 909 40 / 27
|
|
|
|
20 |
208 894 40
|
Coupler plug |
2 |
InternBDB: KU-STECKER 62 6511 413 022 | InternKon: 923 909 40 / 28
|
|
|
|
21 |
323 064 40
|
Coupler plug |
2 |
InternBDB: KU-STECKER 62 6511 308 022 | InternKon: 923 909 40 / 29
|
|
|
|
22 |
368 236 40
|
Protective plug |
2 |
InternBDB: SCHUTZSTOPFEN 63 6591 310 056 | InternKon: 923 909 40 / 30
|
|
|
|
23 |
208 893 40
|
Protective plug |
2 |
InternBDB: SCHUTZSTOPFEN 63 6591 620 056 | InternKon: 923 909 40 / 31
|
|
|
|
24 |
883 763 40
|
Plate |
1 |
InternBDB: BLECH 210X385 | InternKon: 923 909 40 / 1
|
|
|
|
25 |
507 656 98
|
Bolt |
2 |
InternBDB: 6KTSHR M20X 220 10.9 DIN 00931 | InternKon: 923 909 40 / 12
|
|
|
|
26 |
340 470 99
|
Washer |
2 |
InternBDB: SHB B 21,0 140HV DIN 00125 | InternKon: 923 909 40 / 13
|
|
|
|
27 |
307 780 99
|
Bolt |
8 |
InternBDB: 6KTSHR M10 X 35 8.8 DIN 00933 | InternKon: 923 909 40 / 10
|
|
|
|
28 |
340 465 99
|
Washer |
8 |
InternBDB: SHB B 10,5 140HV DIN 00125 | InternKon: 923 909 40 / 11
|
|
|
|
29 |
509 857 98
|
Thread pin |
12 |
InternBDB: GWD-BOLZEN PM12X35 4.8 DIN 32500 | InternKon: 923 909 40 / 4
|
|
|
|
30 |
340 467 99
|
Washer |
12 |
InternBDB: SHB B 13,0 140HV DIN 00125 | InternKon: 923 909 40 / 5
|
|
|
|
31 |
334 600 99
|
Nut |
12 |
InternBDB: 6KTMU M12 8 DIN 00985 | InternKon: 923 909 40 / 6
|
|
|
|
32 |
515 862 98
|
Socket |
1 |
InternBDB: STUTZEN GZR 22/15-PL ST A3C WN 65591040 | InternKon: 923 909 40 / 33
|
|
|
|
33 |
516 617 98
|
Socket |
2 |
InternBDB: STUTZEN RI E 1 AX 3/4 ST ZN WN 65590840 | InternKon: 923 909 40 / 34
|
|
|
|
35 |
516 156 98
|
Socket |
1 |
InternBDB: STUTZEN L10 ST-NBR DIN 03942 | InternKon: 923 909 40 / 26
|
|
|
|
36 |
515 286 98
|
Union |
1 |
InternBDB: VERSHR GV 10-LR STZN WN 65590640 | InternKon: 923 909 40 / 40
|
|
|
|
37 |
0443453211
|
Clip NW 32 |
2 |
InternBDB: CLIP KES 04434 | InternKon: 923 909 40 / 36
|
|
|
|
38 |
507 037 98
|
Nut |
2 |
InternBDB: 6KTMU M10 8 DIN 00985 | InternKon: 923 909 40 / 38
|
|
|
|
39 |
0443452711
|
Clip NW 27 |
3 |
InternBDB: CLIP 77 KES 04434 | InternKon: 923 909 40 / 41
|
|
|
|
40 |
907 963 40
|
Hose protection |
2 |
InternBDB: SHL-SCHUTZ 60090 60090 | InternKon: 923 909 40 / 42
|
|
|
|
41 |
510 741 98
|
Resilient sleeve |
1 |
InternBDB: DEHNHUELSE 13 /25X 50 42CRMO4-TQ+T WN 34194840 | InternKon: 923 909 40 / 43
|
|
|
|
42 |
928 882 40
|
Rubber plate |
2 |
InternBDB: GUMMIPLATTE 80X180 | InternKon: 923 909 40 / 44
|
|
|
|
43 |
170 427 40
|
Cable strap |
4 |
InternBDB: KABELBAND TY 27 M 300X7,8 MM TEILE-NR 5326 | InternKon: 923 909 40 / 45
|
|
|
|
|$$42 |
|
Bulk ware,state lenght required |
-2 |
|
|
|
|
|$$43 |
|
|
-2 |
|
|
|
|
|$$44 |
|
|
-2 |
|
|
|
|
|$$45 |
|
|
-2 |
|
|
|
|
|$$46 |
|
|
-2 |
|
|
|
|
|$$47 |
|
|
-2 |
|
|
|
|
|$$48 |
|
|
-2 |
|
|