|
|
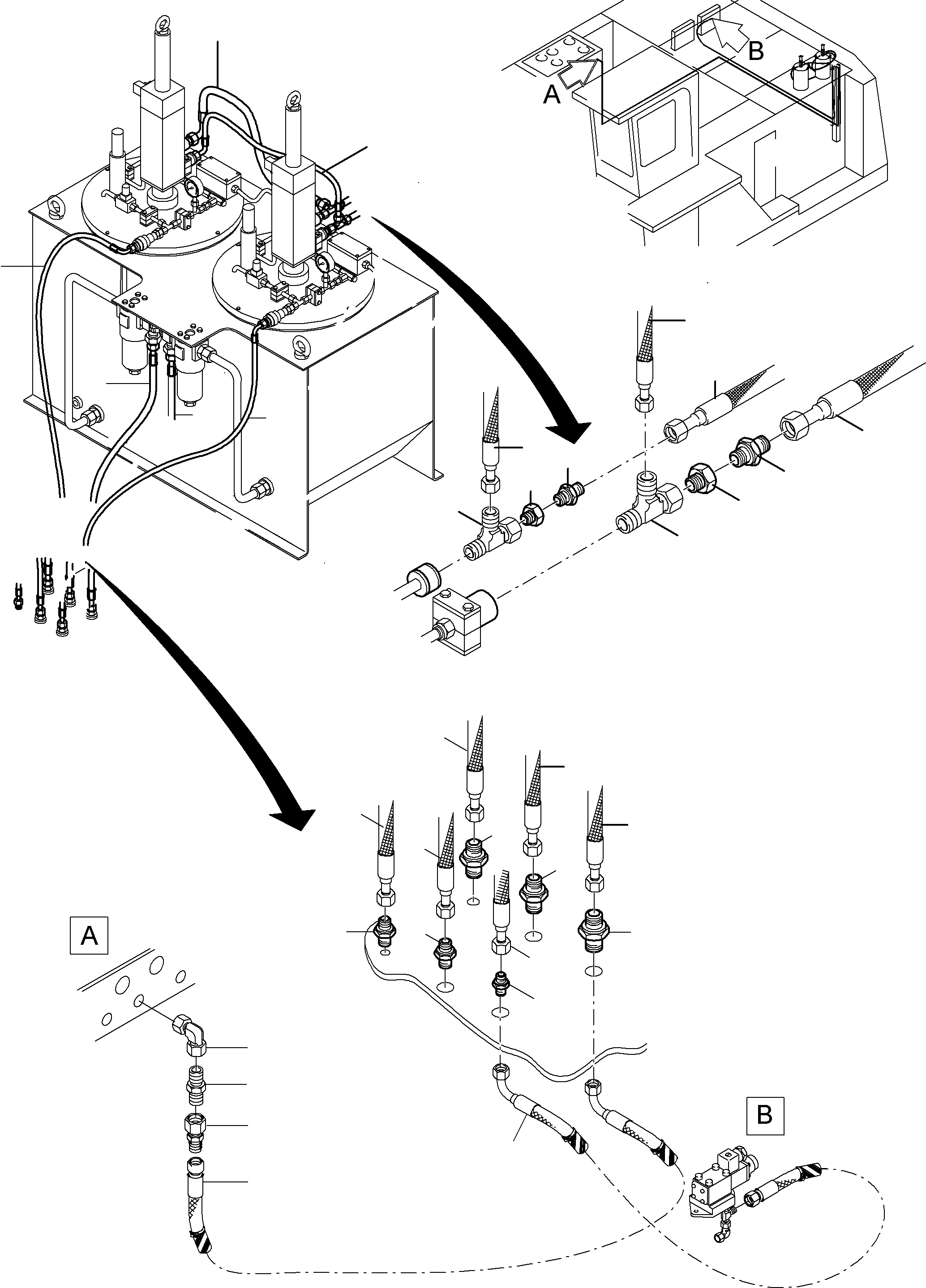
01 |
|
Lube pump station |
2 |
InternBDB: 907 677 40 | InternKon: 915 682 40 / 2
|
991-0553c |
|
|
02 |
915 680 40
|
Grease barrel |
1 |
InternKon: 915 682 40 / 1
|
|
|
|
03 |
|
Pressure filter |
2 |
InternBDB: 634 602 40 | InternKon: 915 682 40 / 3
|
090-3139 |
|
|
04 |
516 322 98
|
Non-return valve |
2 |
InternBDB: RHV 18-PLR-ED | InternKon: 915 682 40 / 4
|
|
|
|
05 |
308 578 99
|
Bolt |
8 |
InternBDB: M10x55 /931 | InternKon: 915 682 40 / 9
|
|
|
|
06 |
510 746 98
|
Resilient sleeve |
8 |
InternKon: 915 682 40 / 10
|
|
|
|
07 |
307 757 99
|
Bolt |
8 |
InternBDB: M8x35 /933 | InternKon: 915 682 40 / 11
|
|
|
|
08 |
340 464 99
|
Washer |
8 |
InternBDB: 8,4 /125 | InternKon: 915 682 40 / 12
|
|
|
|
09 |
374 412 99
|
Socket |
2 |
InternBDB: S 30 E-G 1 1/4 | InternKon: 915 682 40 / 13
|
|
|
|
10 |
371 265 99
|
Union |
4 |
InternBDB: AS 30 /3870 | InternKon: 915 682 40 / 14
|
|
|
|
11 |
906 352 40
|
Olive |
4 |
InternBDB: ES-4 S 30 | InternKon: 915 682 40 / 15
|
|
|
|
12 |
374 410 99
|
Socket |
2 |
InternBDB: S 30 E-M /3901 | InternKon: 915 682 40 / 16
|
|
|
|
13 |
928 707 40
|
Pipe Ш 30 |
1 |
InternBDB: 30x4/2391 | InternKon: 915 682 40 / 17
|
|
|
|
14 |
928 708 40
|
Pipe Ш 30 |
1 |
InternBDB: 30x4/2391 | InternKon: 915 682 40 / 18
|
|
|
|
15 |
308 321 99
|
Bolt |
8 |
InternBDB: M16x90 /931 10.9 | InternKon: 918 816 40 / 4
|
|
|
|
16 |
510 729 98
|
Resilient sleeve |
8 |
InternKon: 918 816 40 / 5
|
|
|
|
17 |
332 355 99
|
Nut |
8 |
InternBDB: M 16 /934 | InternKon: 918 816 40 / 6
|
|
|
|
18 |
516 616 98
|
Socket |
2 |
InternBDB: RI E 1 1/4 A x 3/4 | InternKon: 918 816 40 / 12
|
|
|
|
19 |
907 051 40
|
Union |
2 |
InternBDB: Voss 22-LR /OMD | InternKon: 918 816 40 / 13
|
|
|
|
20 |
513 495 98
|
Hose assy. DN 20x1630 |
2 |
InternBDB: DOL 22 /DOL 22 | InternKon: 918 816 40 / 7
|
|
|
|
21 |
512 715 98
|
Hose assy. DN 08x1200 |
1 |
InternBDB: DOL 10 /DOL 10-90 | InternKon: 915 682 40 / 5
|
|
|
|
22 |
512 938 98
|
Hose assy. DN 12x1200 |
1 |
InternBDB: DOL 15 /DOL 15-90 | InternKon: 915 682 40 / 6
|
|
|
|
23 |
516 173 98
|
Socket |
1 |
InternBDB: L 10 /3944 | InternKon: 915 682 40 / 7
|
|
|
|
24 |
516 175 98
|
Socket |
1 |
InternBDB: SWRT-L15iso 08434 | InternKon: 915 682 40 / 8
|
|
|
|
25 |
515 765 98
|
Socket |
1 |
InternBDB: GZR 12/10-PL | InternKon: 918 816 40 / 14
|
|
|
|
26 |
510 537 98
|
Socket |
1 |
InternBDB: L 12 /3905 | InternKon: 918 816 40 / 15
|
|
|
|
27 |
515 862 98
|
Socket |
1 |
InternBDB: GZR 22/15-PL | InternKon: 918 816 40 / 17
|
|
|
|
28 |
516 824 98
|
Union |
1 |
InternBDB: E-L 22 /ISO 8434 | InternKon: 918 816 40 / 16
|
|
|
|
29 |
515 570 98
|
Hose assy. DN 10x2500 |
1 |
InternBDB: DOL 12 /DOL 12 | InternKon: 918 816 40 / 8
|
|
|
|
30 |
168 491 40
|
Hose assy. DN 20x2500 |
1 |
InternBDB: DOL 22 /DOL 22 | InternKon: 918 816 40 / 11
|
|
|
|
31 |
255 400 40
|
Hose assy. DN 20x1500 |
1 |
InternBDB: DOS 25 /DOS 25 | InternKon: 918 816 40 / 9
|
|
|
|
32 |
641 482 40
|
Hose assy. DN 20x2230 |
1 |
InternBDB: DOS 25 /DOS 25 | InternKon: 918 816 40 / 10
|
|
|
|
33 |
518 206 98
|
Hose assy., with fire protection coating DN 20x13300 |
1 |
InternBDB: DOL 22 /DOL 22-90 | InternKon: 912 736 40 / 2
|
|
|
|
34 |
518 239 98
|
Hose assy., with fire protection coating DN 10x 9000 |
1 |
InternBDB: DOL 12 /DOL 12-90 | InternKon: 912 736 40 / 1
|
|
|
|
35 |
516 161 98
|
Socket |
1 |
InternBDB: L28/3942 | InternKon: 912 736 40 / 20
|
|
|
|
36 |
374 431 99
|
Socket |
1 |
InternBDB: L28E-M/3901 | InternKon: 912 736 40 / 18
|
|
|
|
37 |
551 345 40
|
Union |
1 |
InternBDB: Red 28/22-PL/OMD | InternKon: 912 736 40 / 19
|
|
|
|
38 |
516 618 98
|
Union |
3 |
InternBDB: BH-L 22 ISO 8434 | InternKon: 918 816 40 / 18
|
|
|
|
39 |
506 954 98
|
Nut |
3 |
InternBDB: M30x2 /80705 | InternKon: 918 816 40 / 19
|
|
|
|
40 |
513 144 98
|
Socket |
1 |
InternBDB: L 12 /3910 | InternKon: 918 816 40 / 20
|
|
|
|
41 |
509 267 98
|
Nut |
1 |
InternBDB: M18x1,5 /80705 | InternKon: 918 816 40 / 21
|
|
|
|
42 |
516 615 98
|
Union |
2 |
InternBDB: BH-S 25 ISO 8434 | InternKon: 918 816 40 / 22
|
|
|
|
43 |
509 272 98
|
Nut |
2 |
InternBDB: M36x2 /80705 | InternKon: 918 816 40 / 23
|
|
|
|
44 |
516 181 99
|
Socket |
2 |
InternBDB: SWRT-S30 ISO 08434 | InternKon: 915 682 40 / 23
|
|
|
|
45 |
515 224 98
|
Union |
2 |
InternBDB: Red30/20-PS | InternKon: 915 682 40 / 24
|
|
|
|
46 |
516 165 98
|
Socket |
2 |
InternBDB: SWE-S20 ISO 08434 | InternKon: 915 682 40 / 25
|
|
|
|
47 |
928 709 40
|
Pipe Ш 20 |
1 |
InternBDB: 20x2/2391 | InternKon: 915 682 40 / 19
|
|
|
|
48 |
928 710 40
|
Pipe Ш 20 |
1 |
InternBDB: 20x2/2391 | InternKon: 915 682 40 / 20
|
|
|
|
49 |
371 260 99
|
Union |
4 |
InternBDB: N-S 20 ISO 08434 | InternKon: 915 682 40 / 21
|
|
|
|
50 |
906 351 40
|
Olive |
4 |
InternBDB: ES-4S20 WN 65593940 | InternKon: 915 682 40 / 22
|
|
|
|
101 |
936 869 40
|
Retainer |
1 |
InternKon: 936 851 40 / 1
|
|
|
|
102 |
509 060 98
|
Clamp set |
5 |
InternBDB: L-5-G-32 PA DIN 03015 | InternKon: 936 851 40 / 2
|
|
|
|
103 |
319 136 99
|
Screw |
6 |
InternBDB: M 6X 50 /DIN 00912 | InternKon: 936 851 40 / 3
|
|
|
|
104 |
515 669 98
|
Clamp set |
7 |
InternBDB: L-4-G-26,9 PA /DIN 03015 | InternKon: 936 851 40 / 4
|
|
|
|
105 |
319 417 99
|
Screw |
10 |
InternBDB: M 6X 35 /DIN 00912 | InternKon: 936 851 40 / 5
|
|
|
|
106 |
502 631 98
|
Clamp set |
5 |
InternBDB: L-2-G-16 PP /DIN 03015 | InternKon: 936 851 40 / 6
|
|
|
|
107 |
319 132 99
|
Screw |
10 |
InternBDB: M 6X25 /DIN 00912 | InternKon: 936 851 40 / 7
|
|
|
|
108 |
936 871 40
|
Retainer |
1 |
InternKon: 936 852 40 / 1
|
|
|
|
109 |
509 057 98
|
Clamp set |
1 |
InternBDB: L-3-G-20 PA /DIN 03015 | InternKon: 936 852 40 / 6
|
|
|
|
110 |
319 133 99
|
Screw |
2 |
InternBDB: M 6X30 /DIN 00912 | InternKon: 936 852 40 / 7
|
|
|
|
111 |
936 874 40
|
Retainer |
1 |
InternKon: 936 858 40 / 1
|
|
|
|
112 |
504 201 98
|
Clamp |
2 |
InternBDB: S-3-G-30 PA /DIN 03015 | InternKon: 936 858 40 / 4
|
|
|
|
113 |
308 581 99
|
Bolt |
4 |
InternBDB: M10X70 /DIN 00931 | InternKon: 936 858 40 / 5
|
|
|
|
114 |
534 004 99
|
Cover plate |
2 |
InternBDB: S-DP-A-3 W1 /DIN 03015 | InternKon: 936 858 40 / 6
|
|
|
|
115 |
936 875 40
|
Retainer |
1 |
InternKon: 936 860 40 / 1
|
|
|
|
116 |
511 858 98
|
Cover plate |
1 |
InternBDB: L-5 W1 /DIN 03015 | InternKon: 936 860 40 / 3
|
|
|
|
117 |
320 025 99
|
Screw |
2 |
InternBDB: M 6X110 /DIN 00912 | InternKon: 936 860 40 / 5
|
|
|
|
118 |
511 857 98
|
Cover plate |
2 |
InternBDB: L-4 W1 /DIN 03015 | InternKon: 936 860 40 / 9
|
|
|
|
119 |
502 206 98
|
Bolt |
2 |
InternBDB: M 6X90 /DIN 00931 | InternKon: 936 860 40 / 10
|
|
|
|
120 |
936 862 40
|
Retainer |
1 |
InternKon: 936 863 40 / 1
|
|
|
|
121 |
936 895 40
|
Retainer |
1 |
InternKon: 936 896 40 / 1
|
|
|
|
122 |
533 989 99
|
Weld on plate |
1 |
InternBDB: L-AP-K-2 /DIN 03015
|
|