Search in all models by partnumber
Search current book

Komatsu PC4000-6 S/N 08195 parts catalog PDF

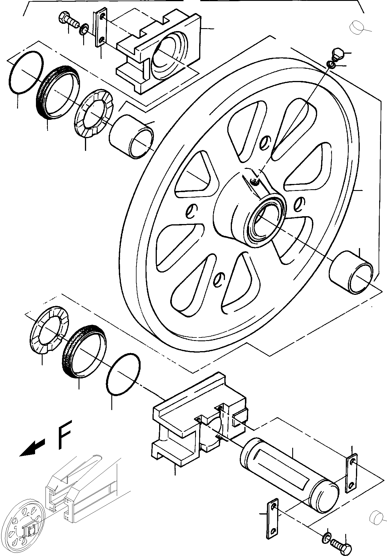
IDLER ASSY. (355-3115c) in PC4000-6 S/N 08195. Diagram image and parts list.

Model manual types and quick links