|
|
? |
358 617 40
|
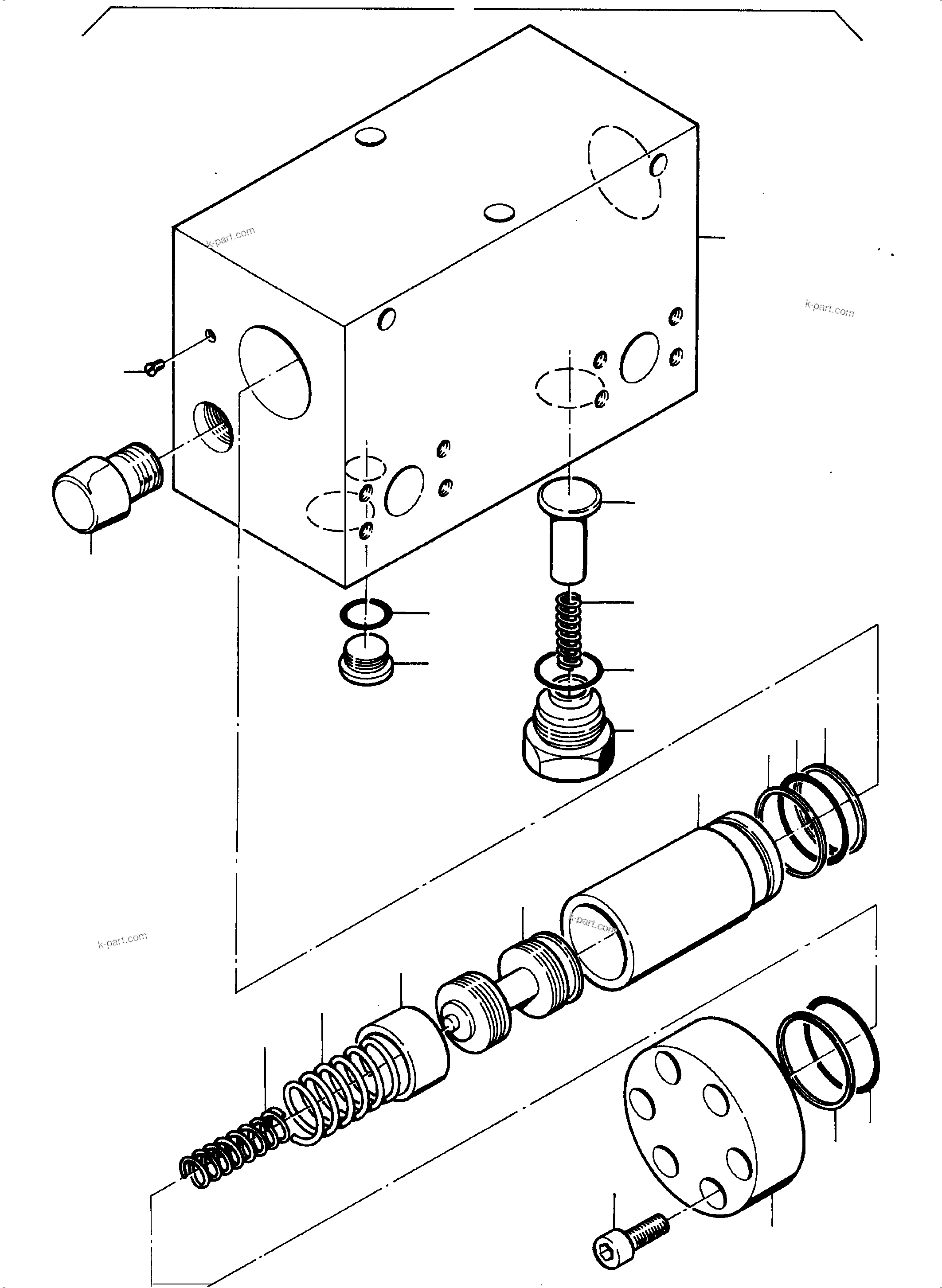
Brake valve assy. 265 bar |
1 |
InternBDB: Rexroth MO-7731-00- NG40 375 705 AT-Nr.668 852
|
|
|
|
? |
414 788 40
|
Brake valve assy. 290 bar |
1 |
|
|
|
|
? |
|
Housing |
1 |
InternBDB: 684 175 | InternKon: 375 705/1 / 1
|
|
|
|
? |
754 587
|
Safety plug |
6 |
InternBDB: M 8 112 951 | InternKon: 375 705/1 / 2
|
|
|
|
? |
|
Pressure relief valve |
2 |
InternBDB: MO-7004 307 942 | InternKon: 375 705/1 / 8
|
090-0186 |
|
|
? |
319 442 99
|
Screw |
12 |
InternBDB: M16x40 /912 | InternKon: 375 705/1 / 19
|
|
|
|
? |
694 134
|
Cover |
2 |
InternBDB: 157 851 | InternKon: 375 705/1 / 18
|
|
|
|
? |
997 792
|
Support ring |
2 |
InternBDB: 65,4x70x1 011 103 | InternKon: 375 705/1 / 17
|
|
|
|
? |
101 537 64
|
O-ring |
2 |
InternBDB: 64x3 | InternKon: 375 705/1 / 16
|
|
|
|
? |
994 837
|
Spring |
2 |
InternBDB: 011 105 | InternKon: 375 705/1 / 15
|
|
|
|
? |
994 838
|
Spring |
2 |
InternBDB: 011 104 | InternKon: 375 705/1 / 14
|
|
|
|
? |
754 588
|
Spacer block |
2 |
InternBDB: 157 852 | InternKon: 375 705/1 / 11
|
|
|
|
? |
|
Piston |
2 |
InternBDB: 157 854 | InternKon: 375 705/1 / 9
|
|
|
|
? |
|
Bush |
2 |
InternBDB: 157 853 | InternKon: 375 705/1 / 10
|
|
|
|
? |
997 791
|
Support ring |
4 |
InternBDB: 61,4x66x1 011 102 | InternKon: 375 705/1 / 13
|
|
|
|
? |
912 829
|
O-ring |
2 |
InternBDB: 60x3 | InternKon: 375 705/1 / 12
|
|
|
|
? |
754 591
|
Plug |
2 |
InternBDB: 157 855 | InternKon: 375 705/1 / 6
|
|
|
|
? |
500 580 98
|
O-ring |
2 |
InternBDB: 44x3 | InternKon: 375 705/1 / 7
|
|
|
|
? |
255 012 40
|
Spring |
2 |
InternBDB: 008 862 | InternKon: 375 705/1 / 20
|
|
|
|
? |
255 011 40
|
Taper |
2 |
InternBDB: 147 996 | InternKon: 375 705/1 / 5
|
|
|
|
? |
994 826
|
Plug |
2 |
InternBDB: M33x2 131 015 | InternKon: 375 705/1 / 3
|
|
|
|
? |
501 275 98
|
O-ring |
2 |
InternBDB: 29x3 | InternKon: 375 705/1 / 4
|
|
|
|
? |
994 836
|
Seal kit, assy. fig-nos: 07,08,14,15,17,21 |
-2 |
InternBDB: E-ST 309 674
|
|