|
|
? |
323 380 40
|
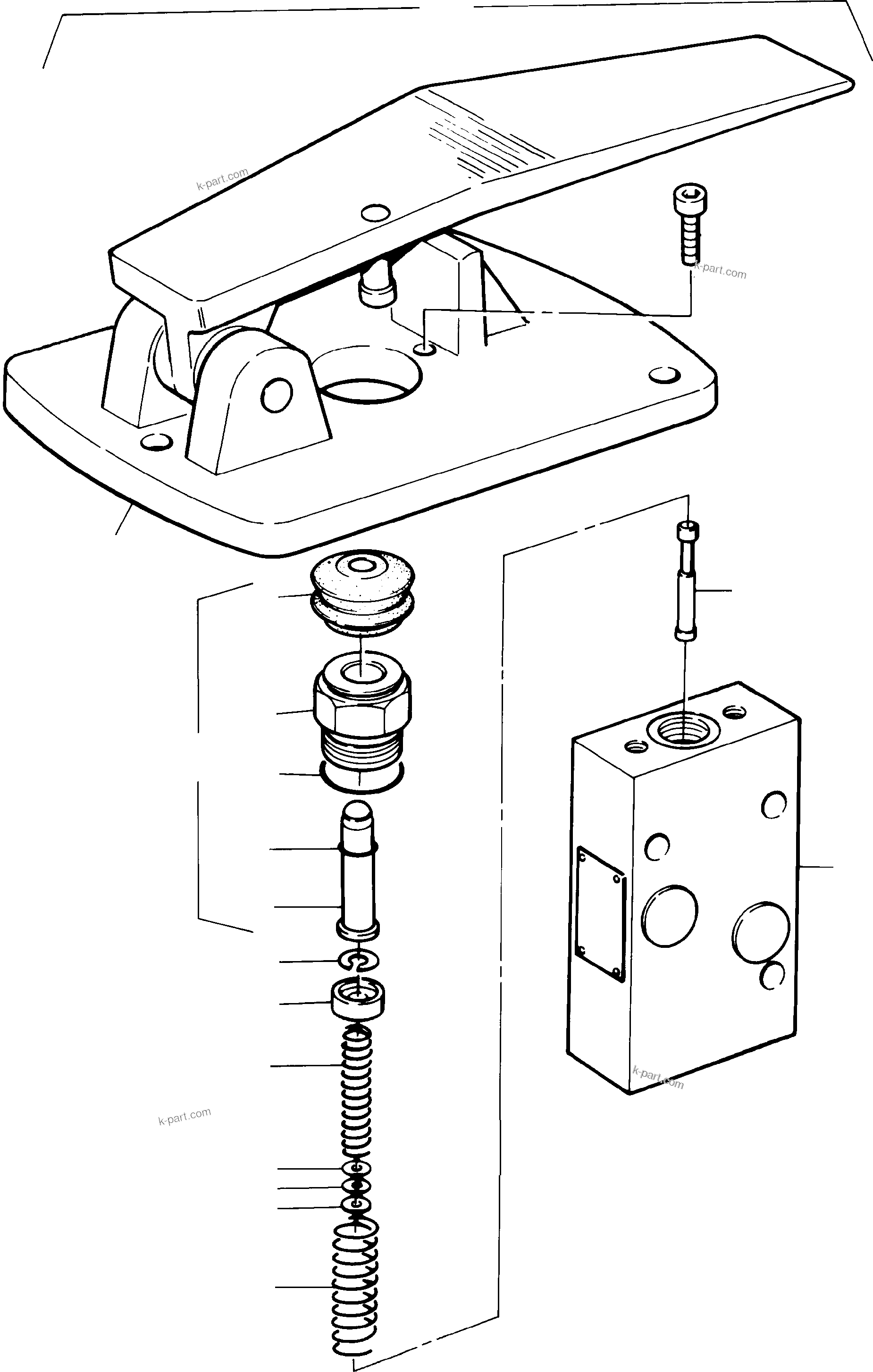
Pilot oil unit assy. |
1 |
InternBDB: 220 853 005 Rexroth 1 TH 7 Q-39-10/1M SO 82 AT-Nr. 668 313
|
|
|
|
? |
999 616
|
Operating cartridge assy. |
1 |
InternBDB: 309 336
|
|
|
|
? |
|
Plunger guide
These parts are not sold
separately |
1 |
InternBDB: 187 382 002
|
|
|
|
? |
|
O-ring
These parts are not sold
separately |
1 |
InternBDB: 105 310 099 Ш 14x2
|
|
|
|
? |
|
Lip seal
These parts are not sold
separately |
1 |
InternBDB: 111 254 099 10/13,6/2,3
|
|
|
|
? |
|
Plunger
These parts are not sold
separately |
1 |
InternBDB: 189 845 000
|
|
|
|
? |
|
Bellows
These parts are not sold
separately |
1 |
InternBDB: 189 979 000
|
|
|
|
? |
|
Housing
These parts are not sold
separately |
1 |
|
|
|
|
? |
994 954
|
Shim 0 |
-2 |
InternBDB: 181 213.000
|
|
|
|
? |
994 955
|
Shim 0 |
-2 |
InternBDB: 181 214.000
|
|
|
|
? |
989 568
|
Shim 0 |
-2 |
InternBDB: 182 646.000
|
|
|
|
? |
962 876
|
Spring retainer |
1 |
InternBDB: 180 718.001
|
|
|
|
? |
962 875
|
Locking |
1 |
InternBDB: 180 719.001
|
|
|
|
? |
994 962
|
Compression spring |
1 |
InternBDB: 187 150.001
|
|
|
|
? |
690 822
|
Return spring |
1 |
InternBDB: 180 627.001
|
|
|
|
? |
|
Piston
These parts are not sold
separately |
1 |
|
|
|
|
? |
999 605
|
Upper part assy. |
1 |
InternBDB: 412 027
|
|