|
|
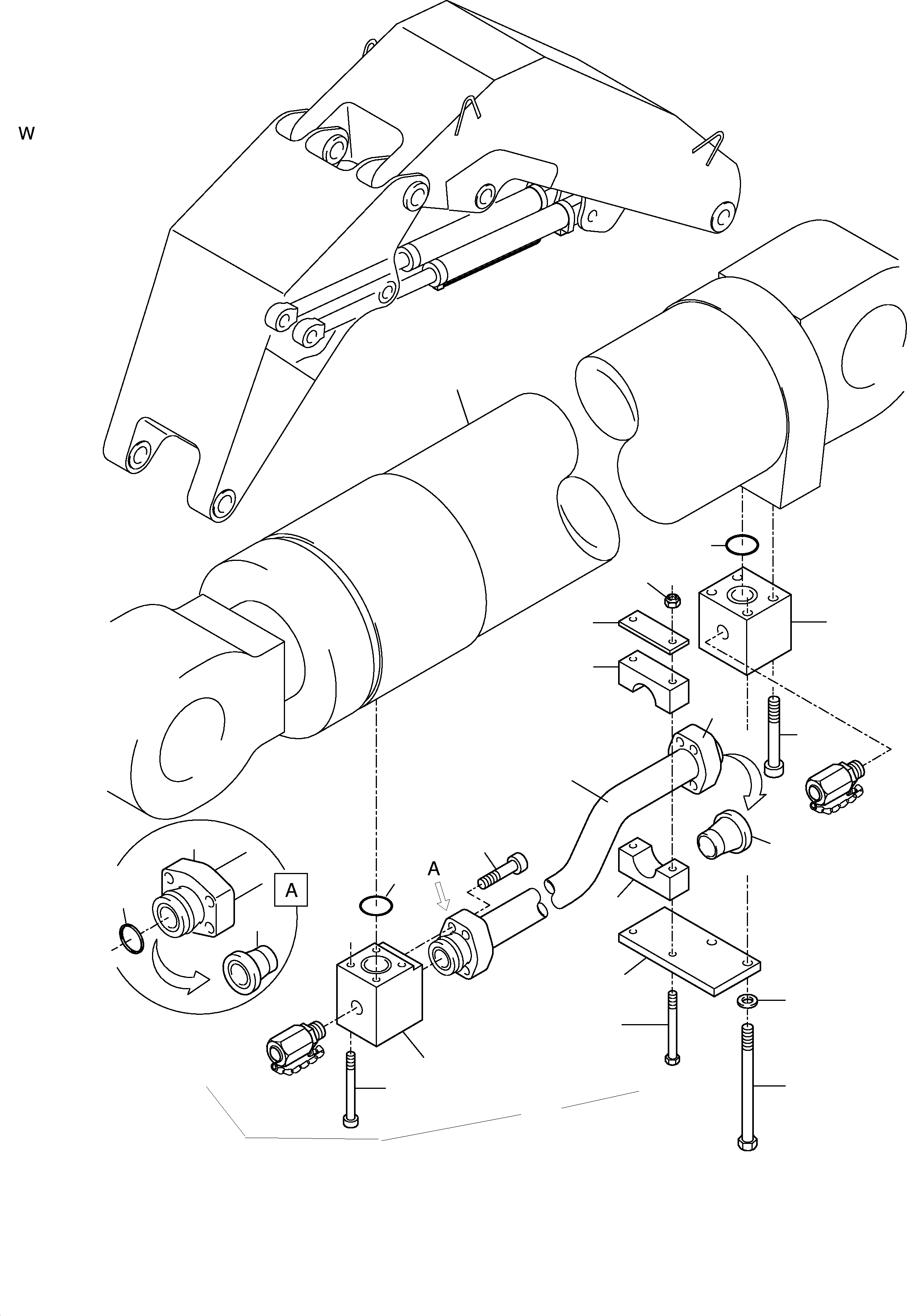
01 |
|
Hydr. cylinder |
2 |
InternBDB: 627 090 40 | InternKon: 636 528 40 / 01
|
515-4175 |
|
|
02 |
636 522 40
|
Piping, assy.
fig-nos. 04-22 |
2 |
InternKon: 636 528 40 / 02
|
|
|
|
04 |
386 022 40
|
Connecting block |
2 |
InternKon: 636 522 40 / 1
|
|
|
|
05 |
650 489 40
|
Connecting block |
2 |
InternKon: 636 522 40 / 2
|
|
|
|
06 |
763 479 73
|
Pipe assy. Ш 65 |
2 |
InternBDB: 651 012 40 | InternKon: 636 522 40 / 3
|
|
|
|
07 |
651 011 40
|
Joint plate |
2 |
InternKon: 636 522 40 / 4
|
|
|
|
08 |
512 101 98
|
Half clamp |
4 |
InternBDB: S-5-R-65 | InternKon: 636 522 40 / 5
|
|
|
|
09 |
500 398 98
|
Cover plate |
2 |
InternBDB: S-DP-A-S | InternKon: 636 522 40 / 6
|
|
|
|
10 |
504 448 98
|
Flange |
4 |
InternBDB: FE 6500-32/6 | InternKon: 636 522 40 / 7
|
|
|
|
11 |
504 449 98
|
Collar ring |
2 |
InternBDB: KO-6580-32 | InternKon: 636 522 40 / 8
|
|
|
|
12 |
504 461 98
|
Collar ring |
2 |
InternBDB: K-6580-32 | InternKon: 636 522 40 / 9
|
|
|
|
13 |
385 243 40
|
Quadring |
2 |
InternBDB: 58,1x2,79x3,2 | InternKon: 636 522 40 / 10
|
|
|
|
14 |
367 135 99
|
O-ring |
2 |
InternBDB: 67x4 B NB 90 | InternKon: 636 522 40 / 11
|
|
|
|
15 |
007 697 98
|
O-ring |
2 |
InternBDB: 69,4x3,53 B NB 90 | InternKon: 636 522 40 / 12
|
|
|
|
16 |
512 100 98
|
Bolt |
4 |
InternBDB: M20x150 /912 | InternKon: 636 522 40 / 13
|
|
|
|
17 |
319 323 99
|
Bolt |
8 |
InternBDB: M20x90 /912 | InternKon: 636 522 40 / 14
|
|
|
|
18 |
319 351 99
|
Bolt |
8 |
InternBDB: M16x160 /912 | InternKon: 636 522 40 / 15
|
|
|
|
19 |
304 133 99
|
Bolt |
4 |
InternBDB: M20x200 /931 | InternKon: 636 522 40 / 16
|
|
|
|
20 |
505 010 98
|
Bolt |
4 |
InternBDB: M16x170 /931 | InternKon: 636 522 40 / 17
|
|
|
|
21 |
334 601 99
|
Nut |
4 |
InternBDB: M 16 /985 | InternKon: 636 522 40 / 18
|
|
|
|
22 |
340 470 99
|
Washer |
4 |
InternBDB: B 21 /125 | InternKon: 636 522 40 / 19
|
|