|
|
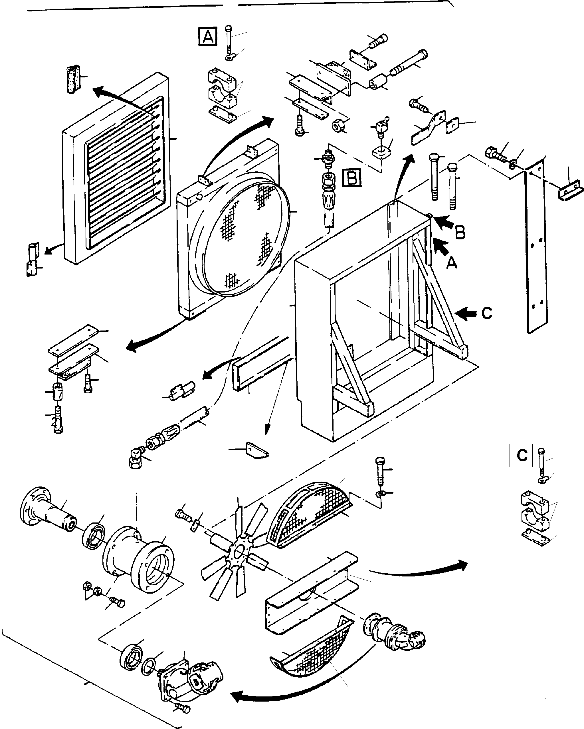
01 |
429 850 40
|
Oil cooler
fig-nos. 02-54 |
1 |
InternKon: 410 878 40 / 11
|
|
|
|
02 |
429 888 40
|
Fan mounting
fig-nos. 31-40,42 |
1 |
InternKon: 429 850 40 / 2
|
|
|
|
03 |
429 851 40
|
Frame |
1 |
InternKon: 429 850 40 / 1
|
|
|
|
04 |
429 896 40
|
Sound hood |
1 |
InternKon: 429 850 40 / 3
|
|
|
|
|$$5 |
|
Lining to fig-no. 04 |
-1 |
|
|
|
|
|$$6 |
256 713 40
|
Insulation board
Bulk ware, state length
required |
12 |
InternBDB: 594 190 40 Faist 15/M 1420 | InternKon: 594 189 40 / 2
|
|
|
|
05 |
640 525 40
|
Protective grating, lower |
1 |
InternKon: 429 850 40 / 4
|
|
|
|
06 |
604 865 40
|
Oil cooler |
1 |
InternBDB: AKG 0571.439.0000 | InternKon: 429 850 40 / 5
|
|
|
|
07 |
429 848 40
|
Silent bloc |
4 |
InternKon: 429 850 40 / 6
|
|
|
|
08 |
651 694 40
|
Cover |
1 |
InternKon: 429 850 40 / 7
|
|
|
|
09 |
125 979 40
|
Hinge |
2 |
InternKon: 429 850 40 / 8
|
|
|
|
10 |
440 556 40
|
Band roller with grease nipple |
2 |
InternBDB: 1033 U11 /20K 150mm | InternKon: 429 850 40 / 9
|
|
|
|
11 |
441 401 40
|
Shackle |
2 |
InternKon: 429 850 40 / 10
|
|
|
|
12 |
441 402 40
|
Thread plate |
2 |
InternKon: 429 850 40 / 11
|
|
|
|
13 |
370 627 99
|
Sleeve |
1 |
InternBDB: 1/8 /2986 | InternKon: 429 850 40 / 52
|
|
|
|
14 |
441 404 40
|
Shackle |
1 |
InternKon: 429 850 40 / 13
|
|
|
|
15 |
340 688 99
|
Washer |
6 |
InternBDB: 17 /7349 | InternKon: 429 850 40 / 14
|
|
|
|
16 |
441 406 40
|
Spacer |
1 |
InternKon: 429 850 40 / 15
|
|
|
|
17 |
652 028 40
|
Resilient sleeve |
8 |
InternKon: 429 850 40 / 16
|
|
|
|
18 |
441 407 40
|
Angle |
2 |
InternKon: 429 850 40 / 17
|
|
|
|
19 |
441 408 40
|
Flat steel |
2 |
InternKon: 429 850 40 / 18
|
|
|
|
20 |
307 823 99
|
Bolt |
6 |
InternBDB: M16x35 /933 | InternKon: 429 850 40 / 32
|
|
|
|
21 |
308 437 99
|
Bolt |
4 |
InternBDB: M12x65 /931 | InternKon: 429 850 40 / 33
|
|
|
|
22 |
307 802 99
|
Bolt |
4 |
InternBDB: M12x25 /933 | InternKon: 429 850 40 / 34
|
|
|
|
23 |
307 800 99
|
Bolt |
10 |
InternBDB: M12x20 /933 | InternKon: 429 850 40 / 35
|
|
|
|
24 |
307 773 99
|
Bolt |
10 |
InternBDB: M10x15 /933 | InternKon: 429 850 40 / 36
|
|
|
|
25 |
346 500 99
|
Lock washer |
10 |
InternBDB: 10 /128 | InternKon: 429 850 40 / 38
|
|
|
|
26 |
332 334 99
|
Nut |
4 |
InternBDB: M 12 /934 | InternKon: 429 850 40 / 37
|
|
|
|
27 |
308 608 99
|
Bolt |
4 |
InternBDB: M12x70 /931 | InternKon: 429 850 40 / 40
|
|
|
|
28 |
440 388 40
|
Profiled joint
Bulk ware, state length
required |
-2 |
InternBDB: GHE 461 0070 | InternKon: 429 850 40 / 39
|
|
|
|
29 |
302 553 99
|
Bolt |
2 |
InternBDB: M16x190 /931 | InternKon: 410 878 40 / 93
|
|
|
|
30 |
308 414 99
|
Bolt |
4 |
InternBDB: M20x130 /931 10.9 | InternKon: 410 878 40 / 94
|
|
|
|
31 |
429 889 40
|
Fan bar |
1 |
InternKon: 429 888 40 / 1
|
|
|
|
32 |
385 935 40
|
Bracket |
1 |
InternKon: 429 888 40 / 2
|
|
|
|
33 |
385 900 40
|
Shaft |
1 |
InternKon: 429 888 40 / 3
|
|
|
|
34 |
324 669 40
|
Fan |
1 |
InternBDB: FN 4402 | InternKon: 429 888 40 / 4
|
|
|
|
35 |
|
Fan motor |
1 |
InternBDB: 414 581 40 | InternKon: 429 888 40 / 5
|
090-1373 |
|
|
36 |
504 638 98
|
Ball bearing |
2 |
InternBDB: Rikula 6011-RS /625 | InternKon: 429 888 40 / 6
|
|
|
|
37 |
342 552 99
|
Circlip |
1 |
InternBDB: 55x2 /471 | InternKon: 429 888 40 / 7
|
|
|
|
38 |
307 805 99
|
Bolt |
10 |
InternBDB: M12x35 /933 | InternKon: 429 888 40 / 8
|
|
|
|
39 |
307 826 99
|
Bolt |
4 |
InternBDB: M16x50 /933 | InternKon: 429 888 40 / 9
|
|
|
|
40 |
334 601 99
|
Nut |
8 |
InternBDB: M 16 /985 | InternKon: 429 888 40 / 10
|
|
|
|
41 |
502 058 98
|
Grease nipple |
1 |
InternBDB: BR 1/8 /71412 | InternKon: 429 850 40 / 53
|
|
|
|
42 |
409 978 40
|
Locking plate |
3 |
InternKon: 429 888 40 / 12
|
|
|
|
43 |
512 862 98
|
Hose DN 5x1600 |
1 |
InternBDB: DOL 6 /DOL 6 WN 341 951 40 | InternKon: 429 850 40 / 50
|
|
|
|
44 |
533 989 99
|
Plate |
1 |
InternBDB: L-AP-K-2 /3015 | InternKon: 429 850 40 / 54
|
|
|
|
45 |
533 988 99
|
Pair of clamps |
1 |
InternBDB: L-2-R-15 /3015 | InternKon: 429 850 40 / 55
|
|
|
|
46 |
372 446 99
|
Union |
1 |
InternBDB: DL 6 /2353 | InternKon: 429 850 40 / 51
|
|
|
|
47 |
006 892 98
|
Union |
1 |
InternBDB: Voss 6-LM | InternKon: 429 888 40 / 11
|
|
|
|
48 |
457 985 40
|
Fixing angle |
3 |
InternKon: 429 850 40 / 44
|
|
|
|
49 |
457 986 40
|
Covering plate |
1 |
InternKon: 429 850 40 / 45
|
|
|
|
50 |
307 639 99
|
Bolt |
6 |
InternBDB: M8x16 /933 | InternKon: 429 850 40 / 46
|
|
|
|
51 |
507 121 98
|
Thread pin |
-2 |
InternBDB: PM 12x25 /32500 | InternKon: 429 850 40 / 47
|
|
|
|
52 |
346 510 99
|
Lock washer |
6 |
InternBDB: 8 /128 | InternKon: 429 850 40 / 48
|
|
|
|
53 |
640 566 40
|
Protective grating, top |
1 |
InternKon: 429 850 40 / 41
|
|
|
|
54 |
334 682 99
|
Nut |
2 |
InternBDB: M 12 /985 | InternKon: 429 850 40 / 49
|
|
|
|
55 |
319 132 99
|
Screw |
2 |
InternBDB: M6x25 /912 | InternKon: 429 850 40 / 58
|
|
|
|
56 |
340 405 99
|
Washer |
6 |
InternBDB: 6,4 /433 | InternKon: 429 850 40 / 60
|
|
|
|
57 |
533 986 99
|
Plate |
2 |
InternBDB: L-AP-K-1 /3015 | InternKon: 429 850 40 / 56
|
|
|
|
58 |
512 863 98
|
Pair of clamps |
2 |
InternBDB: L-1-G-12 /3015 | InternKon: 429 850 40 / 57
|
|
|
|
59 |
319 131 99
|
Screw |
4 |
InternBDB: M6x20 /912 | InternKon: 429 850 40 / 59
|
|