|
|
? |
0443451210
|
Clamp DN10 |
20 |
|
|
|
|
? |
0443451610
|
Clamp DN12 |
19 |
|
|
|
|
? |
0443452110
|
Clamp DN17 |
10 |
|
|
|
|
? |
0443452711
|
Clamp DN23 |
13 |
|
|
|
|
? |
0443453211
|
Clamp DN29 |
17 |
|
|
|
|
? |
0819320010
|
Clip |
13 |
|
|
|
|
? |
950 783 40
|
Pressure measuring transducer |
3 |
|
|
|
|
? |
955 447 40
|
Pressure with 24 bar kpl |
3 |
|
|
|
|
? |
955 446 40
|
Pressure with 0,5 bar kpl |
2 |
|
|
|
|
? |
952 923 40
|
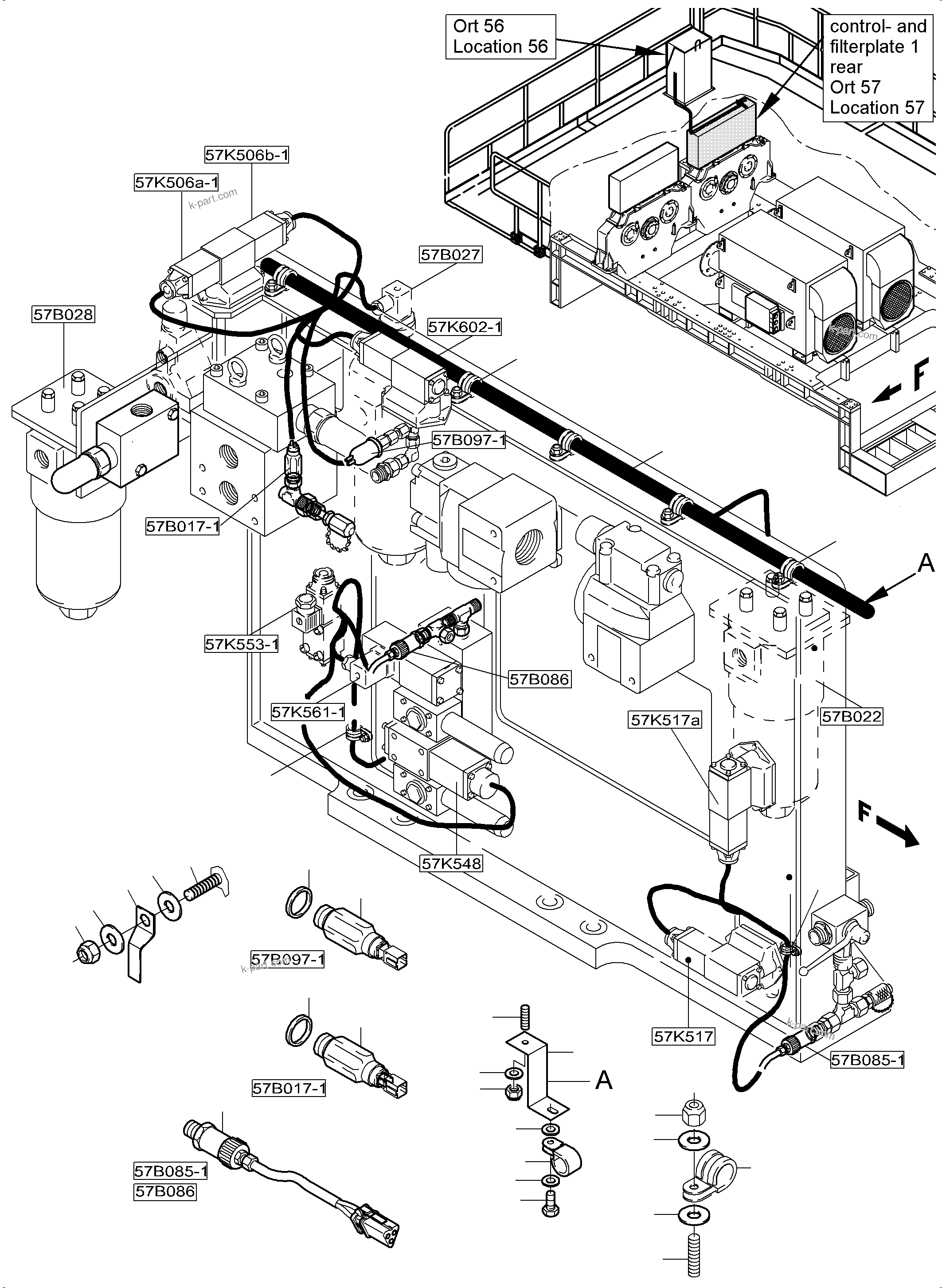
Harness control- and filterplate 1 |
1 |
|
|
|
|
? |
507 596 98
|
Washer |
97 |
|
|
|
|
? |
507 037 98
|
Nut |
103 |
|
|
|
|
? |
340 465 99
|
Washer |
102 |
|
|
|
|
? |
907 989 40
|
Threaded pin |
86 |
|
|
|
|
? |
952 004 40
|
Retainer |
2 |
|
|
|
|
? |
509 856 98
|
Thread pin |
2 |
|
|
|
|
? |
307 445 99
|
Bolt |
2 |
|
|
|
|
? |
515 460 40
|
Seal |
6 |
|
|
|
|
? |
952 924 40
|
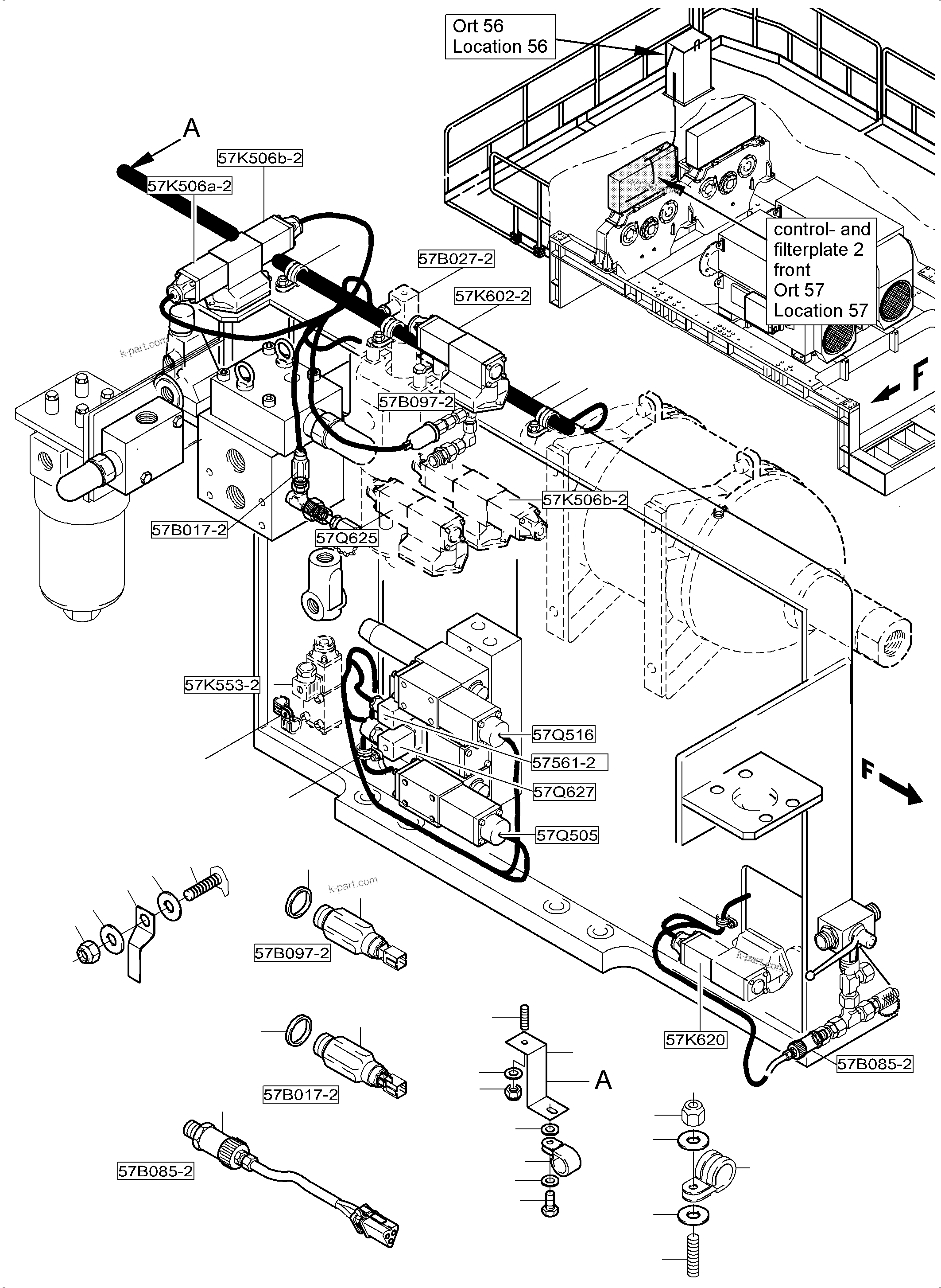
Harness control- and filterplate 2 |
1 |
|
|
|
|
? |
952 675 40
|
Plug assy. with rubber grommet |
26 |
|
|
|
|
? |
940 452 40
|
Fitting |
5 |
|
|
|
|
? |
955 627 40
|
Plug assy. with rubber grommet |
7 |
|
|
|
|
? |
655 627 40
|
Distributor DN 23/17 |
2 |
|
|
|
|
? |
907 733 40
|
T-Distributor DN 23 |
5 |
|
|
|
|
? |
655 632 40
|
Pipe adapter DN 17/10 |
2 |
|
|
|
|
? |
655 634 40
|
Pipe adapter DN 23/17 |
6 |
|
|
|
|
? |
950 112 40
|
Plug |
1 |
|
|
|
|
? |
0819105320
|
Pin contact |
82 |
|
|
|
|
? |
940 852 40
|
Plug |
9 |
|
|
|
|
? |
907 981 40
|
Fitting DN 29 |
1 |
|
|
|
|
? |
896 520 40
|
End pin |
35 |
|
|
|
|
? |
906 079 40
|
T-Distributor DN 29 |
2 |
|
|
|
|
? |
655 651 40
|
Cable protection hose DN 17 |
-2 |
|
|
|
|
? |
655 652 40
|
Cable protection hose DN 23 |
-2 |
|
|
|
|
? |
655 696 40
|
Cable protection hose DN 29 |
-2 |
|
|
|
|
? |
515 213 40
|
Cable 1,0 |
-2 |
|
|
|
|
? |
941 640 40
|
Cable 1x0,75 |
-2 |
|
|
|
|
? |
896 558 40
|
Pipe adapter DN 29/23 |
1 |
|
|
|
|
? |
941 777 40
|
Plate |
40 |
|
|
|
|
? |
174 411 40
|
Cable strap |
70 |
|
|
|
|
? |
907 709 40
|
Cable union 13x2,7 |
6 |
|
|
|
|
? |
655 635 40
|
Pipe adapter DN 29/17 |
1 |
|
|
|
|
? |
940 462 40
|
Insulating tube |
-2 |
|
|
|
|
? |
940 471 40
|
Fitting M16/DN10 |
2 |
|
|
|
|
? |
655 649 40
|
Cable protection hose DN 10 |
-2 |
|
|
|
|
? |
907 703 40
|
Cable union 4x3 |
2 |
|
|
|
|
? |
655 540 40
|
Valve-Plug |
3 |
|
|
|
|
? |
958 963 40
|
Socket assy. with rubber grommet |
3 |
|
|
|
|
? |
950 132 40
|
Protection cap |
3 |
|
|
|
|
? |
655 650 40
|
Cable protection hose DN 12 |
-2 |
|
|
|
|
? |
950 136 40
|
Plug |
1 |
|
|
|
|
? |
907 976 40
|
Fitting DN 23 |
1 |
|
|
|
|
? |
907 971 40
|
Pipe adapter DN 23/12 |
1 |
|
|
|
|
? |
950 110 40
|
Plug |
2 |
|
|
|
|
? |
907 947 40
|
Connector distributor DN 29/23 |
1 |
|
|
|
|
? |
907 705 40
|
Cable union 5x2,5 |
1 |
|
|
|
|
? |
940 520 40
|
Fitting M20/DN12 |
1 |
|
|
|
|
? |
950 131 40
|
Protection cap |
1 |
|
|
|
|
? |
907 980 40
|
Fitting DN 23 |
1 |
|
|
|
|
? |
944 019 40
|
Socket assy. |
1 |
|
|
|
|
? |
655 629 40
|
T-Distributor DN 17 |
2 |
|
|
|
|
? |
655 633 40
|
Pipe adapter DN 17/12 |
2 |
|
|
|
|
? |
907 979 40
|
Fitting |
1 |
|
|
|
|
? |
907 693 40
|
Fitting M20/DN17 |
3 |
|
|
|
|
? |
907 708 40
|
Cable union 6x2,5 |
3 |
|
|
|
|
? |
950 503 40
|
Shrinkdown tubing |
-2 |
|
|
|
|
? |
950 508 40
|
Resin strip |
-2 |
|
|
|
|
? |
907 692 40
|
Fitting M16/DN12 |
2 |
|
|
|
|
? |
959 402 40
|
Harness PTO |
1 |
|
|
|
|
? |
941 786 40
|
Temperatur sensor |
2 |
|
|
|
|
? |
950 281 40
|
Pressure measuring transducer |
1 |
|
|
|
|
? |
950 362 40
|
Temperatur sensor |
1 |
|
|
|
|
? |
000443451910
|
Clamp Ш19 |
10 |
|
|
|
|
? |
000443451510
|
Clamp Ш15 |
15 |
|
|
|
|
? |
000443551510
|
Double clamp Ш15 |
2 |
|
|
|
|
? |
000443551910
|
Double clamp Ш19 |
4 |
|
|
|
|
? |
963 313 40
|
Plate |
4 |
|
|
|
|
? |
307 779 99
|
Bolt |
4 |
|
|
|
|
? |
|
|
-2 |
|
|