|
|
? |
|
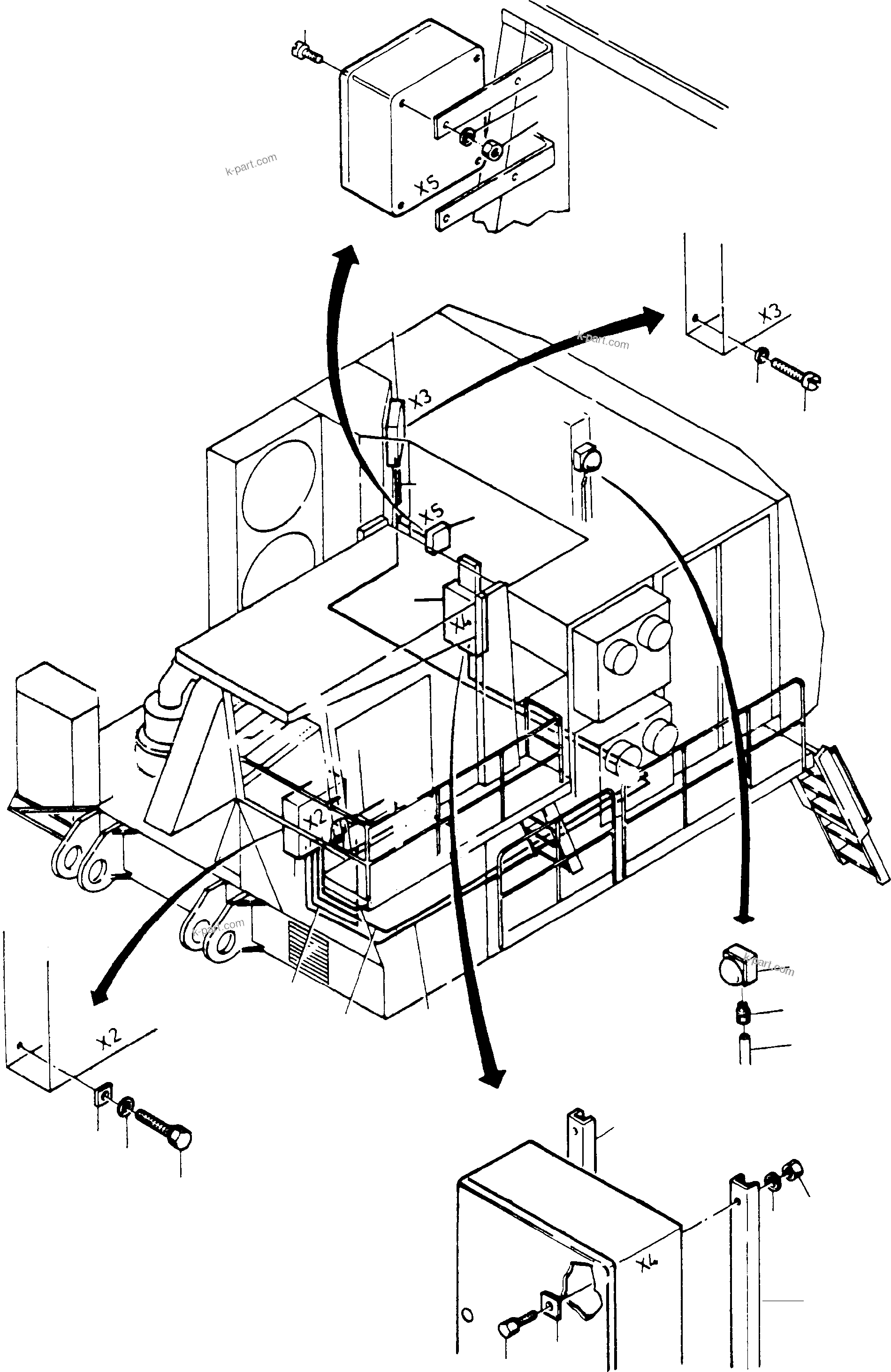
Main switch box |
1 |
InternKon: 399 790 40 / 1
|
114-2165f1 |
|
|
? |
|
Engine switch box |
1 |
InternKon: 399 790 40 / 2
|
114-2160c |
|
|
? |
|
Junction box |
1 |
InternBDB: 399 789 40 | InternKon: 399 790 40 / 3
|
114-2180 |
|
|
? |
|
Junction box |
1 |
InternKon: 399 790 40 / 28
|
114-2185 |
|
|
? |
413 165 40
|
Retainer l.h. |
1 |
InternKon: 399 790 40 / 93
|
|
|
|
? |
413 160 40
|
Retainer r.h. |
1 |
InternKon: 399 790 40 / 94
|
|
|
|
? |
307 756 99
|
Bolt |
6 |
InternBDB: M8x30 /933
|
|
|
|
? |
346 510 99
|
Lock washer |
14 |
InternBDB: 8 /128 | InternKon: 399 790 40 / 96
|
|
|
|
? |
341 338 99
|
Washer |
6 |
InternBDB: 11,5 /436
|
|
|
|
? |
332 351 99
|
Nut |
8 |
InternBDB: M 8 /934 | InternKon: 399 790 40 / 98
|
|
|
|
? |
321 017 99
|
Screw |
8 |
InternBDB: AM6x40 /84
|
|
|
|
? |
346 499 99
|
Lock washer |
8 |
InternBDB: 6 /128 | InternKon: 399 790 40 / 100
|
|
|
|
? |
332 110 99
|
Nut |
4 |
InternBDB: 6/934 | InternKon: 399 790 40 / 101
|
|
|
|
? |
323 345 40
|
Emergency push button |
1 |
InternBDB: Klц.u.Mц. FAK-R/V/KC/I | InternKon: 399 790 40 / 115
|
|
|
|
? |
323 949 40
|
Cable union |
1 |
InternBDB: PG 7 5010.100.007
|
|
|
|
? |
056 211 40
|
Protecting hose
Bulk ware, state length
required |
-2 |
InternBDB: Sievert 2010.101.007
|
|
|
|
? |
307 757 99
|
Bolt |
4 |
InternBDB: M8x35 /933 | InternKon: 399 790 40 / 95
|
|
|
|
? |
340 507 99
|
Washer |
4 |
InternBDB: A8,4 /125 | InternKon: 399 790 40 / 97
|
|
|
|
? |
695 555 73
|
Cable in operation panel |
1 |
|
|
|
|
? |
695 556 73
|
Harness-panel X2 |
1 |
|
|
|
|
? |
695 557 73
|
Harness-panel X2 - X3 |
1 |
|
|
|
|
? |
695 559 73
|
Harness-panel X2 - X4 |
1 |
|
|
|
|
? |
695 560 73
|
Harness-panel X3 - X5 |
1 |
|
|