|
|
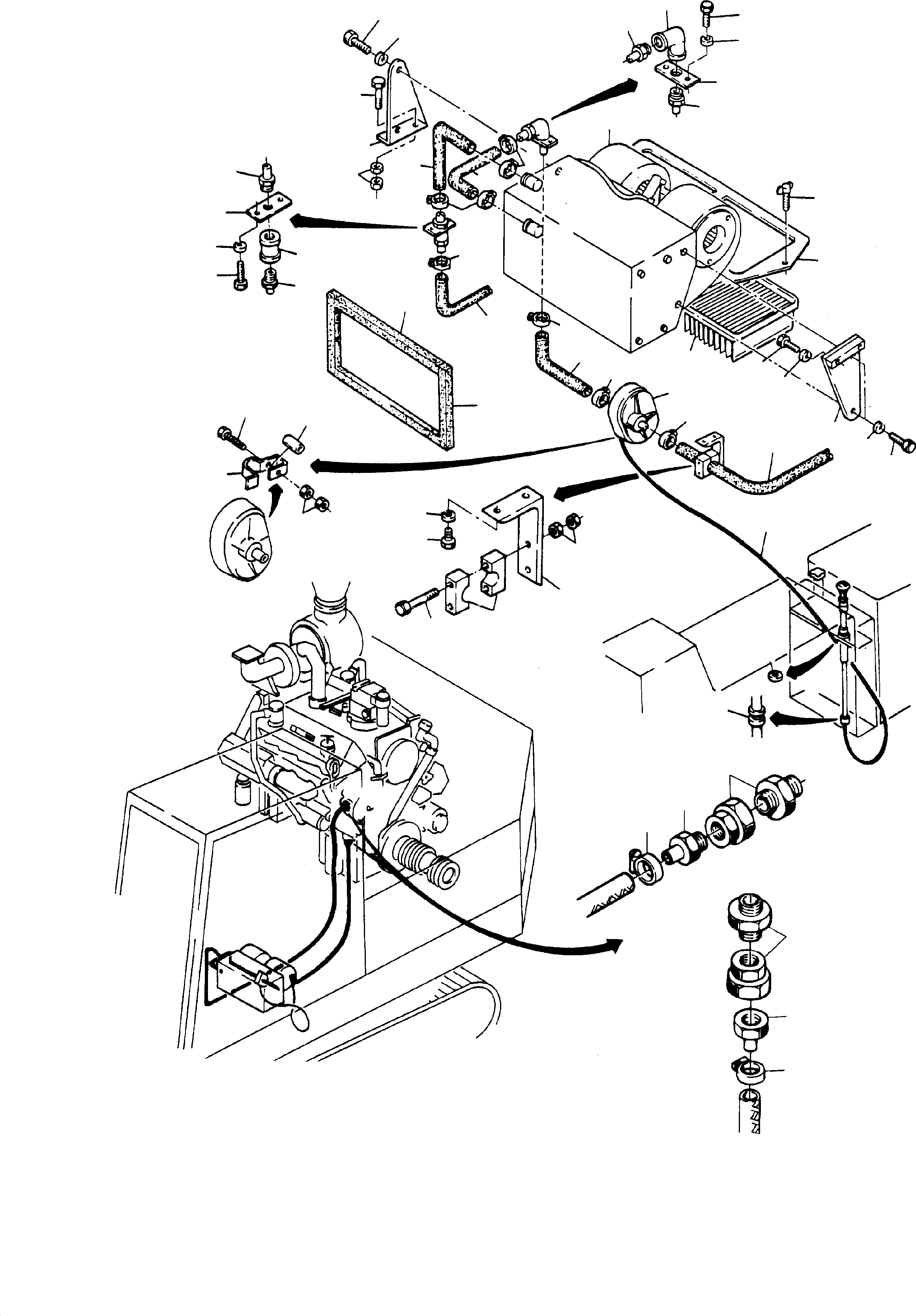
01 |
|
Coolant heater |
1 |
InternBDB: Hornkohl & Wolf 1.373/24V | InternKon: 281 475 40 / 2
|
090-6256 |
|
|
02 |
269 546 40
|
Hose |
3 |
InternBDB: Hornkohl & Wolf 45-000.710 | InternKon: 281 475 40 / 3
|
|
|
|
03 |
269 548 40
|
Hose NW 16x4500
Bulk ware, state length
required |
-2 |
InternBDB: Aeroquip Nr.1525-10 | InternKon: 281 475 40 / 14
|
|
|
|
04 |
269 548 40
|
Hose NW 16x5500
Bulk ware, state length
required |
-2 |
InternBDB: Aeroquip Nr.1525-10 | InternKon: 281 475 40 / 15
|
|
|
|
05 |
346 510 99
|
Lock washer |
12 |
InternBDB: B8/128 | InternKon: 281 475 40 / 22
|
|
|
|
06 |
307 750 99
|
Screw |
12 |
InternBDB: M8x15/933 | InternKon: 281 475 40 / 26
|
|
|
|
07 |
332 111 99
|
Nut |
4 |
InternBDB: M8/934 | InternKon: 281 475 40 / 24
|
|
|
|
08 |
283 198 40
|
Bracket |
1 |
InternKon: 281 475 40 / 5
|
|
|
|
09 |
307 754 99
|
Screw |
2 |
InternBDB: M8x25/933 | InternKon: 281 475 40 / 27
|
|
|
|
10 |
283 199 40
|
Bracket |
1 |
InternKon: 281 475 40 / 6
|
|
|
|
11 |
374 924 99
|
Clamp |
9 |
InternBDB: LA 16-25 DIN 3017-W1 | InternKon: 281 475 40 / 11
|
|
|
|
12 |
269 547 40
|
Stud |
6 |
InternBDB: Hornkohl & Wolf R1/2Z,16x1-Ma | InternKon: 281 475 40 / 4
|
|
|
|
13 |
289 301 40
|
Strip |
2 |
InternKon: 281 475 40 / 7
|
|
|
|
14 |
373 207 99
|
Cable sleeve |
1 |
InternBDB: M2/2950- GTW 35 | InternKon: 281 475 40 / 13
|
|
|
|
15 |
373 033 99
|
Angle |
1 |
InternBDB: A1/2950- GTW 35-Zn | InternKon: 281 475 40 / 12
|
|
|
|
16 |
501 577 99
|
Wingbolt |
2 |
InternBDB: M8x40/316 | InternKon: 281 475 40 / 30
|
|
|
|
17 |
265 814 40
|
Air cleaner mounting |
1 |
InternKon: 281 475 40 / 10
|
|
|
|
18 |
269 055 40
|
Air cleaner |
2 |
InternBDB: Hornkohl & Wolf 30-000.218 | InternKon: 281 475 40 / 17
|
|
|
|
19 |
269 515 40
|
Valve |
1 |
InternBDB: Hornkohl & Wolf 45-447.1000 | InternKon: 281 475 40 / 1
|
|
|
|
20 |
332 441 99
|
Nut |
2 |
InternBDB: M3/934 | InternKon: 281 475 40 / 28
|
|
|
|
21 |
289 304 40
|
Clamp |
1 |
InternKon: 281 475 40 / 31
|
|
|
|
22 |
289 305 40
|
Bush |
1 |
InternKon: 281 475 40 / 32
|
|
|
|
23 |
320 973 99
|
Screw |
1 |
InternBDB: AM3x20/84 | InternKon: 281 475 40 / 33
|
|
|
|
24 |
269 601 40
|
Bowdon control cable |
1 |
InternBDB: Vofa-Werk | InternKon: 281 475 40 / 18
|
|
|
|
25 |
082 300 40
|
Seal 340 lg.
Bulk ware, state length
required |
2 |
InternBDB: Happich 4210113F | InternKon: 281 475 40 / 20
|
|
|
|
26 |
082 300 40
|
Seal 130 lg.
Bulk ware, state length
required |
2 |
InternBDB: Happich 4210113F | InternKon: 281 475 40 / 21
|
|
|
|
27 |
308 544 99
|
Screw |
2 |
InternBDB: M6x50/931 | InternKon: 281 475 40 / 25
|
|
|
|
28 |
289 303 40
|
Clamp |
1 |
InternKon: 281 475 40 / 9
|
|
|
|
29 |
289 302 40
|
Angle |
1 |
InternKon: 281 475 40 / 8
|
|
|
|
30 |
332 110 99
|
Nut |
4 |
InternBDB: M6/934 | InternKon: 281 475 40 / 29
|
|
|
|
31 |
340 465 99
|
Washer |
2 |
InternBDB: B10,5/125 | InternKon: 281 475 40 / 23
|
|
|
|
32 |
056 059 40
|
Cable sleeve |
1 |
InternBDB: Happich 470 0027 | InternKon: 281 475 40 / 19
|
|
|
|
33 |
342 090 40
|
Socket |
1 |
|
|
|
|
34 |
342 091 40
|
Socket |
1 |
|
|