|
|
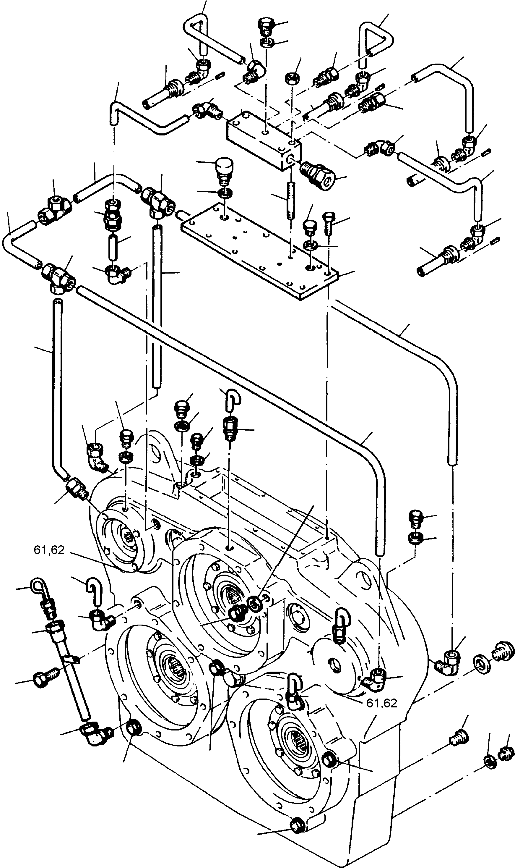
01 |
604 779 40
|
Pump distributor gear assy. |
1 |
InternBDB: L & S GFC 260-1027 AT-Nr. 710 286 73
|
|
|
|
02 |
|
Housing |
1 |
InternBDB: 0/0125/9277/3 | InternKon: 0/6078/1027/2 / 1
|
|
|
|
03 |
504 436 98
|
O-ring |
3 |
InternBDB: 35x2,5 | InternKon: 0/6078/1027/2 / 49
|
|
|
|
04 |
510 602 98
|
Bolt |
12 |
InternBDB: M10x30 /912 | InternKon: 0/6078/1027/2 / 59
|
|
|
|
05 |
805 492 73
|
Flange |
3 |
InternBDB: 2/0583/9539/0 | InternKon: 0/6078/1027/2 / 18
|
|
|
|
06 |
006 708 98
|
O-ring |
4 |
InternBDB: 115x3 | InternKon: 0/6078/1027/2 / 50
|
|
|
|
07 |
366 839 99
|
Shaft seal |
8 |
InternBDB: 65x90x12 B2 | InternKon: 0/6078/1027/2 / 34
|
|
|
|
08 |
805 303 73
|
Internal ring |
4 |
InternBDB: IR 55x65x28 | InternKon: 0/6078/1027/2 / 36
|
|
|
|
09 |
342 674 99
|
Circlip |
4 |
InternBDB: 120x4 /472 | InternKon: 0/6078/1027/2 / 43
|
|
|
|
10 |
360 563 99
|
Ball bearing |
4 |
InternBDB: 6213 /625 | InternKon: 0/6078/1027/2 / 31
|
|
|
|
11 |
805 493 73
|
Output shaft |
1 |
InternBDB: 2/0230/9161/2 | InternKon: 0/6078/1027/2 / 11
|
|
|
|
12 |
805 494 73
|
Output shaft |
1 |
InternBDB: 2/0230/9160/3 | InternKon: 0/6078/1027/2 / 10
|
|
|
|
13 |
086 996
|
Internal ring |
2 |
InternBDB: IR 65x75x28 | InternKon: 0/6078/1027/2 / 37
|
|
|
|
14 |
805 495 73
|
Spur gear |
1 |
InternBDB: 3/0303/9081/0 | InternKon: 0/6078/1027/2 / 5
|
|
|
|
15 |
805 496 73
|
Spur gear |
1 |
InternBDB: 3/0303/9080/0 | InternKon: 0/6078/1027/2 / 4
|
|
|
|
16 |
342 668 99
|
Circlip |
2 |
InternBDB: 90x3 /472 | InternKon: 0/6078/1027/2 / 44
|
|
|
|
17 |
805 497 73
|
Cover |
2 |
InternBDB: 2/0438/9450/0 | InternKon: 0/6078/1027/2 / 20
|
|
|
|
18 |
082 754
|
O-ring |
2 |
InternBDB: 90x3 | InternKon: 0/6078/1027/2 / 52
|
|
|
|
19 |
505 834 98
|
Ball bearing |
4 |
InternBDB: 6210 C3 /625 | InternKon: 0/6078/1027/2 / 29
|
|
|
|
20 |
805 498 73
|
Idler shaft |
2 |
InternBDB: 3/0230/9165/0 | InternKon: 0/6078/1027/2 / 12
|
|
|
|
21 |
354 331 99
|
Feather key |
2 |
InternBDB: A14x9x36 / 6885 | InternKon: 0/6078/1027/2 / 97
|
|
|
|
22 |
805 499 73
|
Intermediate gear |
1 |
InternBDB: 3/0303/9083/0 | InternKon: 0/6078/1027/2 / 7
|
|
|
|
23 |
805 500 73
|
Intermediate gear |
1 |
InternBDB: 3/0303/9082/0 | InternKon: 0/6078/1027/2 / 6
|
|
|
|
24 |
501 988 98
|
Internal ring |
2 |
InternBDB: IR 50x60x28 | InternKon: 0/6078/1027/2 / 38
|
|
|
|
25 |
319 436 99
|
Bolt |
4 |
InternBDB: M12x45 /912 | InternKon: 0/6078/1027/2 / 60
|
|
|
|
26 |
006 657 98
|
O-ring |
1 |
InternBDB: 125x3 | InternKon: 0/6078/1027/2 / 51
|
|
|
|
27 |
805 501 73
|
Flange |
1 |
InternBDB: 2/0583/9538/1 | InternKon: 0/6078/1027/2 / 17
|
|
|
|
28 |
307 779 99
|
Bolt |
30 |
InternBDB: M10x30 /933 | InternKon: 0/6078/1027/2 / 61
|
|
|
|
29 |
805 502 73
|
Sealing cover |
3 |
InternBDB: 2/0421/9522/0 | InternKon: 0/6078/1027/2 / 19
|
|
|
|
30 |
504 251 98
|
O-ring |
3 |
InternBDB: 180x3 | InternKon: 0/6078/1027/2 / 48
|
|
|
|
31 |
506 002 98
|
Shaft seal |
6 |
InternBDB: 100x120x12 B2 | InternKon: 0/6078/1027/2 / 33
|
|
|
|
32 |
806 905 73
|
Internal ring |
3 |
InternBDB: LF 462 462 | InternKon: 0/6078/1027/2 / 40
|
|
|
|
33 |
360 570 99
|
Ball bearing |
6 |
InternBDB: 6220 /625 | InternKon: 0/6078/1027/2 / 30
|
|
|
|
34 |
805 503 73
|
Output shaft |
3 |
InternBDB: 2/0230/9159/2 | InternKon: 0/6078/1027/2 / 9
|
|
|
|
35 |
805 504 73
|
Cover |
3 |
InternBDB: Stefa-VK 80x12 | InternKon: 0/6078/1027/2 / 35
|
|
|
|
36 |
342 665 99
|
Circlip |
3 |
InternBDB: 80x2,5 /472 | InternKon: 0/6078/1027/2 / 42
|
|
|
|
37 |
805 505 73
|
Spur gear |
3 |
InternBDB: 2/0303/9079/1 | InternKon: 0/6078/1027/2 / 3
|
|
|
|
38 |
805 506 73
|
Intermediate ring |
3 |
InternBDB: 4/0400/9660/0 | InternKon: 0/6078/1027/2 / 23
|
|
|
|
39 |
313 179 99
|
Plug |
1 |
InternBDB: G 1 1/2 /910 | InternKon: 0/6078/1027/2 / 88
|
|
|
|
42 |
086 395
|
Shaft seal |
2 |
InternBDB: 85x110x13 B2 | InternKon: 0/6078/1027/2 / 32
|
|
|
|
44 |
307 805 99
|
Bolt |
8 |
InternBDB: M12x35 /933 | InternKon: 0/6078/1027/2 / 53
|
|
|
|
45 |
806 906 73
|
Bearing cap |
1 |
InternBDB: 2/0404/9085/1 | InternKon: 0/6078/1027/2 / 14
|
|
|
|
46 |
730 687 44
|
O-ring |
1 |
InternBDB: 240x3 | InternKon: 0/6078/1027/2 / 46
|
|
|
|
47 |
508 922 98
|
Roller bearing |
1 |
InternBDB: NJ 218 E /5412 | InternKon: 0/6078/1027/2 / 27
|
|
|
|
49 |
806 907 73
|
Output shaft |
1 |
InternBDB: 2/0256/9706/3 | InternKon: 0/6078/1027/2 / 2
|
|
|
|
50 |
361 863 99
|
Roller bearing |
1 |
InternBDB: NJ 2213 /5412 | InternKon: 0/6078/1027/2 / 28
|
|
|
|
51 |
972 198
|
O-ring |
3 |
InternBDB: 315x3 | InternKon: 0/6078/1027/2 / 47
|
|
|
|
60 |
|
Expansion tank |
1 |
InternBDB: 697 697 73 | InternKon: 0/6078/1027/2 / 25
|
116-1885b |
|
|
61 |
313 173 99
|
Plug |
17 |
InternBDB: G 1/4 /910 | InternKon: 0/6078/1027/2 / 83
|
|
|
|
62 |
339 884 99
|
Seal ring |
17 |
InternBDB: A14x18 /7603 | InternKon: 0/6078/1027/2 / 91
|
|
|
|
63 |
332 111 99
|
Nut |
4 |
InternBDB: M 8 /934 | InternKon: 0/6078/1027/2 / 63
|
|
|
|
64 |
805 511 73
|
Oil distributor block |
1 |
InternBDB: 3/0940/9129/0 | InternKon: 0/6078/1027/2 / 65
|
|
|
|
65 |
506 216 98
|
Bolt |
4 |
InternBDB: M8x70 /939 | InternKon: 0/6078/1027/2 / 62
|
|
|
|
66 |
307 754 99
|
Bolt |
12 |
InternBDB: M8x25 /933 | InternKon: 0/6078/1027/2 / 56
|
|
|
|
67 |
805 512 73
|
Cover |
1 |
InternBDB: 3/0438/9457/2 | InternKon: 0/6078/1027/2 / 21
|
|
|
|
68 |
968 984
|
Breather |
1 |
InternBDB: R 1" | InternKon: 0/6078/1027/2 / 69
|
|
|
|
69 |
340 087 99
|
Seal ring |
3 |
InternBDB: A33x39 /7603 | InternKon: 0/6078/1027/2 / 93
|
|
|
|
70 |
313 177 99
|
Plug |
3 |
InternBDB: G 1 /910 | InternKon: 0/6078/1027/2 / 85
|
|
|
|
71 |
313 295 99
|
Plug |
1 |
InternBDB: M18x1,5 /910 | InternKon: 0/6078/1027/2 / 82
|
|
|
|
72 |
339 897 99
|
Seal ring |
1 |
InternBDB: A18x22 /7603 | InternKon: 0/6078/1027/2 / 90
|
|
|
|
73 |
372 453 99
|
Union |
1 |
InternBDB: GE 28-PLR / 2353 | InternKon: 0/6078/1027/2 / 76
|
|
|
|
74 |
805 513 73
|
Spray pipe |
4 |
InternBDB: 3/0940/9130/0 | InternKon: 0/6078/1027/2 / 66
|
|
|
|
75 |
370 334 99
|
Union |
8 |
InternBDB: WE 15-PLR / 2353 | InternKon: 0/6078/1027/2 / 73
|
|
|
|
76 |
370 314 99
|
Union |
2 |
InternBDB: GE 15-PLR / 2353 | InternKon: 0/6078/1027/2 / 77
|
|
|
|
77 |
215 811 99
|
Pipe Ш 15
Bulk ware, state length
required |
-2 |
InternBDB: 15x1,5 /2391 | InternKon: 0/6078/1027/2 / 80
|
|
|
|
78 |
805 514 73
|
Union |
1 |
InternBDB: TR 10/15/10 | InternKon: 0/6078/1027/2 / 71
|
|
|
|
79 |
372 612 99
|
Union |
2 |
InternBDB: T 10-PL /2353 | InternKon: 0/6078/1027/2 / 75
|
|
|
|
80 |
805 469 73
|
Non-return valve 2 bar |
1 |
InternBDB: Ermeto RHD 15-L | InternKon: 0/6078/1027/2 / 70
|
|
|
|
81 |
215 005 99
|
Pipe Ш 10
Bulk ware, state length
required |
-2 |
InternBDB: 10x1,5 /2391 | InternKon: 0/6078/1027/2 / 81
|
|
|
|
82 |
370 312 99
|
Union |
3 |
InternBDB: GE 10-PLR / 2353 | InternKon: 0/6078/1027/2 / 78
|
|
|
|
83 |
370 332 99
|
Union |
6 |
InternBDB: WE 10-PLR / 2353 | InternKon: 0/6078/1027/2 / 74
|
|
|
|
84 |
757 230 73
|
Oil dipstick |
1 |
InternBDB: LF 432 154 | InternKon: 0/6078/1027/2 / 68
|
|
|
|
85 |
805 516 73
|
Level pipe |
1 |
InternBDB: 3/0940/9128/0 | InternKon: 0/6078/1027/2 / 67
|
|
|
|
86 |
307 727 99
|
Bolt |
1 |
InternBDB: M6x12 /933 | InternKon: 0/6078/1027/2 / 55
|
|
|
|
87 |
372 761 99
|
Union |
1 |
InternBDB: WE 22-PLR / 2353 | InternKon: 0/6078/1027/2 / 72
|
|
|
|
88 |
805 517 73
|
Pipe bend |
3 |
InternBDB: 4/0995/9089/0 | InternKon: 0/6078/1027/2 / 79
|
|
|
|
89 |
313 322 99
|
Plug |
1 |
InternBDB: G 1/2 /910 | InternKon: 0/6078/1027/2 / 84
|
|
|
|
90 |
339 998 99
|
Seal ring |
1 |
InternBDB: A 21x26 /7603 | InternKon: 0/6078/1027/2 / 92
|
|
|
|
91 |
968 692
|
Plug |
2 |
InternBDB: 3/4 NPT /906 | InternKon: 0/6078/1027/2 / 89
|
|
|
|
92 |
313 179 99
|
Plug |
1 |
InternBDB: G 1 1/2 /910 | InternKon: 0/6078/1027/2 / 86
|
|
|
|
93 |
339 967 99
|
Seal ring |
1 |
InternBDB: A 48x55 /7603 | InternKon: 0/6078/1027/2 / 94
|
|
|
|
|$82 |
307 679 99
|
Bolt |
2 |
InternBDB: M 5x12 /933 | InternKon: 0/6078/1027/2 / 57
|
|
|
|
|$83 |
349 161 99
|
Clamp |
2 |
InternBDB: 1x12 /72 571 | InternKon: 0/6078/1027/2 / 95
|
|
|
|
|$84 |
345 003 99
|
Dowel sleeve |
4 |
InternBDB: 4x16 /1481 | InternKon: 0/6078/1027/2 / 101
|
|